8.如图所示的电路中.R1为0-20的滑动变阻器.电阻R2=2.4.电源电压为6V.电流表的量程为0-0.6 A.电流表的量程为0-3 A. (1)在开关S闭合前.应将滑动变阻器的滑片P放在 端. (2)为了保证两个电流表都能够正常工作.在开关S闭合后.滑动变阻器接入电路的阻值范围为 . 查看更多

 

题目列表(包括答案和解析)

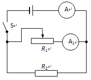
如图所示的电路中,R1为标有“20Ω,2A”字样的滑动变阻器,R2的阻值为10Ω,当开关S闭合后,电流表A1和A的示数分别为0.6A和1.5A.
求:

(1)电源电压.
(2)R1消耗的电功率是多大.
(3)R2在10min内产生的热量是多少.

查看答案和解析>>

如图所示的电路中,R1为标有“20Ω,2A”字样的滑动变阻器,R2的阻值为10Ω,当开关S闭合后,电流表A1和A的示数分别为0.6A和1.5A.

求:

    (1)电源电压.

    (2)R1消耗的电功率是多大.

    (3)R2在10min内产生的热量是多少.

 

查看答案和解析>>

如图所示的电路中,R1为标有“50Ω,2A”字样的滑动变阻器,R2的阻值为20欧,当电键S闭合后,电流表A1和A示数分别为0.6安和1.5安.求:
(1)电压表示数;
(2)R1接入电路的电阻值;
(3)R2消耗的电功率;
(4)移动滑片的过程中,电流表A1的最小值.

查看答案和解析>>

如图所示的电路中,R1为标有“20Ω,2A”字样的滑动变阻器,R2的阻值为l0Ω,当开关S闭合后,电流表A1和A的示数分别为0.6A和1.5A.求:
(1)电源电压.
(2)R1消耗的电功率是多大.
(3)R2在10min内产生的热量是多少,

查看答案和解析>>

如图所示的电路中,R1为标有“20Ω,2A”字样的滑动变阻器,R2的阻值为l0Ω,当开关S闭合后,电流表A1和A的示数分别为0.6A和1.5A.求:
(1)电源电压.
(2)R1消耗的电功率是多大.
(3)R2在10min内产生的热量是多少,

查看答案和解析>>


同步练习册答案