如图.一个应用某逻辑电路制作的简单车门报警图.图中两个开关S1和S2分别表示汽车的两道门.只要任意一个开关断开.小灯炮就发光.请根据以上要求列出该门的真值表并画出电路符号. 查看更多

 

题目列表(包括答案和解析)

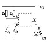
 如图是一个应用某逻辑电路制作的简单车门报警电路图.图中的两个按钮S1.S2分别装在汽车的两道门上.只要其中任何一个开关处于开路状态,发光二极管(报警灯)就发光.则该逻辑电路是
“或”
“或”
门电路,并在图中画出这种门电路的符号;当S1.S2都闭合时,A.B的输入都为
0
0
,Y端输出为
0
0
;当S1断开时,
A
A
端的输入为1,Y端输出为
1
1
.(门电路有输入电压或有输出电压都记为1,无输入电压或无输出电压都记为0)

查看答案和解析>>

如图是一个应用某逻辑电路制作的简单车门报警电路图。图中的两个按钮S1、S2分别装在汽车的两道门上。只要其中任何一个开关处于开路状态,发光二极管(报警灯)就发光。则该逻辑电路是    门电路,并在图中画出这种门电路的符号;当S1、S2都闭合时,A、B的输入都为    ,Y端输出为     ;当S1断开时,    端的输入为1,Y端输出为     。(门电路有输入电压或有输出电压都记为1,无输入电压或无输出电压都记为0)

查看答案和解析>>

如图是一个应用某逻辑电路制作的简单车门报警电路图。图中的两个按钮S1、S2分别装在汽车的两道门上。只要其中任何一个开关处于开路状态,发光二极管(报警灯)就发光。则该逻辑电路是    门电路,并在图中画出这种门电路的符号;当S1、S2都闭合时,A、B的输入都为   ,Y端输出为    ;当S1断开时,   端的输入为1,Y端输出为     。(门电路有输入电压或有输出电压都记为1,无输入电压或无输出电压都记为0)

 

查看答案和解析>>

(6分)如图是一个应用某逻辑电路制作的简单车门报警电路图。图中的两个按钮S1S2分别装在汽车的两道门上。只要其中任何一个开关处于开路状态,发光二极管(报警灯)就发光。则该逻辑电路是   门电路,并在图中画出这种门电路的符号;当S1S2都闭合时,A、B的输入都为   Y端输出为    ;当S1断开时,   端的输入为1,Y端输出为    。(门电路有输入电压或有输出电压都记为1,无输入电压或无输出电压都记为0)

查看答案和解析>>

如图是一个应用某逻辑电路制作的简单车门报警电路图。图中的两个按钮S1、S2分别装在汽车的两道门上。只要其中任何一个开关处于开路状态,发光二极管(报警灯)就发光。则该逻辑电路是   门电路,并在图中画出这种门电路的符号;当S1、S2都闭合时,A、B的输入都为   ,Y端输出为    ;当S1断开时,   端的输入为1,Y端输出为    。(门电路有输入电压或有输出电压都记为1,无输入电压或无输出电压都记为0)

查看答案和解析>>


同步练习册答案