8.下图中A为电源.B为浸透饱和食盐水和酚酞试液的滤纸.C为盛有稀硫酸的电解槽.e.f为Pt电极.接通电源后.发现d点显红色.下列有关说法正确的是 ( ) A.电源A上的a极是正极 B.d极上的电极反应方程式为2Cl--2e-=Cl2↑ C.e.f极上产生的气体体积比为2:1 D.C中溶液的pH增大 查看更多

 

题目列表(包括答案和解析)

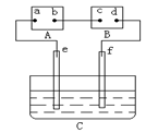
下图中A为电源,B为浸透饱和食盐水和酚酞试液的滤纸,C为盛有稀硫酸的电解槽,e、f为Pt电极。接通电源后,发现d点显红色。下列有关说法正确的是

A.电源A上的a极是正极

B.d极上的电极反应方程式为2Cl--2e-=Cl2

C.e、f极上产生的气体体积比为2:1

D.C中溶液的pH增大

 

查看答案和解析>>

下图中A为电源,B为浸透饱和食盐水和酚酞试液的滤纸,C为盛有稀硫酸的电解槽,e、f为Pt电极。接通电源后,发现d点显红色。下列有关说法正确的是

A.电源A上的a极是正极

B.d极上的电极反应方程式为2Cl--2e-=Cl2

C.e、f极上产生的气体体积比为2:1

D.C中溶液的pH增大

 

查看答案和解析>>

下图中A为电源,B为浸透饱和食盐水和酚酞试液的滤纸,C为盛有稀硫酸的电解槽,e、f为Pt电极。接通电源后,发现d点显红色。下列有关说法正确的是


  1. A.
    电源A上的a极是正极
  2. B.
    d极上的电极反应方程式为2Cl--2e-=Cl2
  3. C.
    e、f极上产生的气体体积比为2:1
  4. D.
    C中溶液的pH增大

查看答案和解析>>

下图中A为电源,B为浸透饱和食盐水和酚酞试液的滤纸,C为盛有稀硫酸的电解槽,e、f为Pt电极。接通电源后,发现d点显红色。下列有关说法正确的是
[     ]
A.电源A上的a极是正极
B.d极上的电极反应方程式为2Cl--2e-=Cl2
C.e、f极上产生的气体体积比为2:1
D.C中溶液的pH增大

查看答案和解析>>

下图中A为电源,B为浸透饱和食盐水和酚酞试液的滤纸,C为盛有稀硫酸的电解槽,e、f为Pt电极。接通电源后,发现d点显红色。下列有关说法正确的是

A.电源A上的a极是正极
B.d极上的电极反应方程式为2Cl--2e-=Cl2
C.e、f极上产生的气体体积比为2:1
D.C中溶液的pH增大

查看答案和解析>>


同步练习册答案