如图所示的电路中.1.2.3.4.5.6为连接点的标号.在开关闭合后.发现小灯泡不亮.现用多用电表检查电路故障.需要检测的有.电源.开关.小灯泡.3根导线以及电路中的各点连接. (1)为了测试小灯泡以及3根导线.在连接点1.2已接好的情况下.应当选用多用电表的 挡.在连接点1.2同时断开的情况下.应当选用多用电表的 挡. (2)在闭合情况下.若测试得5.6两点的电压接近电源的电动势. 则表明 可能有事故 (3)将小灯泡拆离电路.写出用多用表测试该小灯泡是否有故障的具体步骤. 答案(1)电压,欧姆 (2)开关或连接点5.6 (3)①调到欧姆档 ②将红.黑表笔相接,检查欧姆档能否正常工作 ③测量小灯泡的电阻,如电阻无穷大,表明小灯泡有故障. [解析](1)在1.2两点接好的情况下,应当选用多用电表的电压档,在1.2同时断开的情况下,应选用欧姆档 (2)表明5.6两点可能有故障. (3) ①调到欧姆档②将红黑表笔相接,检查欧姆档能否正常工作③测量小灯泡的电阻,如电阻无穷大,表明小灯泡有故障. 查看更多

 

题目列表(包括答案和解析)

(02年全国卷)在如图所示的电路中,R1、R2、R3和R4皆为定值电阻,R5为可变电阻,电源的电动势为ε,内阻为r。设电流表A的读数为I,电压表V的读数为U。当R5的滑动触点向图中a端移动时,

A.I变大,U变小                    B.I变大,U变大

C.I变小,U变大                    D.I变小,U变小

查看答案和解析>>

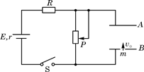
(10分)如图所示的电路中,两平行金属板A、B水平放置,两板间的距离d=40 cm。电源电动势E=24V,内电阻r=1 Ω,电阻R=15 Ω。闭合 开关S, 待电路稳定后,将一带正电的小球从B板小孔以初速度v0=4 m/s竖直向上射入板间。若小球带电量为q=-1×10-2 C,质量为m=2×10-2 kg,不考虑空气阻力。那么,滑动变阻器接入电路的阻值为8Ω时, (取g=10 m/s2)

(1)求滑动变阻器两端电压是多少?电源的输出功率是多少?

(2)带电小球在两板间做什么运动?

 

查看答案和解析>>

(08江苏卷)8.如图所示的电路中,三个相同的灯泡abc和电感L1L2与直流电源连接,电感的电阻忽略不计.电键K从闭合状态突然断开时,下列判断正确的有   

A.a先变亮,然后逐渐变暗

B.b先变亮,然后逐渐变暗

C.c先变亮,然后逐渐变暗

D.bc都逐渐变暗

查看答案和解析>>

(04年江苏卷)(14分)如图所示的电路中,电源电动势E=6.00V,其内阻可忽略不计.电阻的阻值分别为R1=2.4kΩR2=4.8kΩ,电容器的电容C=4.7μF。闭合开关S,待电流稳定后,用电压表测R1两端的电压,其稳定值为1.50V

(1)该电压表的内阻为多大?

(2)由于电压表的接入,电容器的带电量变化了多少?

查看答案和解析>>

(10分)如图所示的电路中,两平行金属板A、B水平放置,两板间的距离d="40" cm。电源电动势E=24V,内电阻r="1" Ω,电阻R="15" Ω。闭合 开关S, 待电路稳定后,将一带正电的小球从B板小孔以初速度v0="4" m/s竖直向上射入板间。若小球带电量为q=-1×10-2 C,质量为m=2×10-2 kg,不考虑空气阻力。那么,滑动变阻器接入电路的阻值为8Ω时, (取g="10" m/s2)

(1)求滑动变阻器两端电压是多少?电源的输出功率是多少?
(2)带电小球在两板间做什么运动?

查看答案和解析>>


同步练习册答案