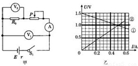
两位同学在实验室利用如图甲所示的电路测定值电阻R0的阻值.电源的电动势E和内电阻r.调节滑动变阻器的滑动触头P向某一方向移动时.一个同学记录了电流表A和电压表V1的测量数据.另一同学记录的是电流表A和电压表V2的测量数据.并根据数据描绘了如图乙所示的两条U-I直线.回答下列问题: (1)根据两位同学描绘的直线.可知图线 是根据电压表V1和电流表A的数据所描绘的. (2)图象中两直线的交点表示( ) A.滑动变阻器的滑动头P滑到了最右端 B.滑动变阻器的滑动头P滑到了最左端 C.定值电阻R0上消耗的功率为0.5W D.此时定值电阻R0上消耗的功率是最大值 (3)根据图乙.可以求出定值电阻R0= Ω.电源电动势E= V.内电阻r= Ω. 答案:2.0 1.5 1.0 查看更多

 

题目列表(包括答案和解析)

两位同学在实验室利用如图甲所示的电路测定定值电阻R0、电源的电动势E和内电阻r,调节滑动变阻器的滑动触头P向某一方向移动时,一个同学记录了电流表A和电压表V1的测量数据,另一同学记录是电流表A和电压表V2的测量数据.根据数据描绘了如图乙所示的两条U-I直线.则图象中两直线的交点表示的物理意义是(  )

查看答案和解析>>

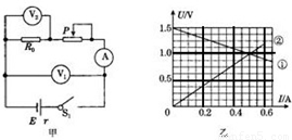
两位同学在实验室利用如图甲所示的电路测定定值电阻R0、电源的电动势E和内电阻r,调节滑动变阻器的滑动触头P向某一方向移动时,一个同学记录了电流表A和电压表V1的测量数据,另一同学记录是电流表A和电压表V2的测量数据.根据数据描绘了如图乙所示的两条U-I直线.则图象中两直线的交点表示的物理意义是(   )

A.滑动变阻器的滑动头P滑到了最右端

B.电源的输出功率最大

C.定值电阻R0上消耗的功率为0.5 W

D.电源的效率达到最大值

查看答案和解析>>

两位同学在实验室利用如图甲所示的电路测定定值电阻R0、电源的电动势E和内电阻r,调节滑动变阻器的滑动触头P向某一方向移动时,一个同学记录了电流表A和电压表V1的测量数据,另一同学记录是电流表A和电压表V2的测量数据.根据数据描绘了如图乙所示的两条U-I直线.则图象中两直线的交点表示的物理意义是(  )
A.滑动变阻器的滑动头P滑到了最右端
B.电源的输出功率最大
C.定值电阻R0上消耗的功率为0.5 W
D.电源的效率达到最大值
精英家教网

查看答案和解析>>

两位同学在实验室利用如图甲所示的电路测定定值电阻R、电源的电动势E和内电阻r,调节滑动变阻器的滑动触头P向某一方向移动时,一个同学记录了电流表A和电压表V1的测量数据,另一同学记录是电流表A和电压表V2的测量数据.根据数据描绘了如图乙所示的两条U-I直线.则图象中两直线的交点表示的物理意义是( )

A.滑动变阻器的滑动头P滑到了最右端
B.电源的输出功率最大
C.定值电阻R上消耗的功率为0.5 W
D.电源的效率达到最大值

查看答案和解析>>

两位同学在实验室利用如图甲所示的电路测定定值电阻R、电源的电动势E和内电阻r,调节滑动变阻器的滑动触头P向某一方向移动时,一个同学记录了电流表A和电压表V1的测量数据,另一同学记录是电流表A和电压表V2的测量数据.根据数据描绘了如图乙所示的两条U-I直线.则图象中两直线的交点表示的物理意义是( )

A.滑动变阻器的滑动头P滑到了最右端
B.电源的输出功率最大
C.定值电阻R上消耗的功率为0.5 W
D.电源的效率达到最大值

查看答案和解析>>


同步练习册答案