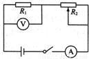
如图所示电路,
R1=6W,
R2=3W,当
K闭合后,已知两灯,电源,电键以及电键到电源负极间的导线都完好,其余三条导线中有一条发生断路,现给你一个多用表,写出检查出断路导线的三种方法:
(1)_______________________________________________________________。
(2)_______________________________________________________________。
(3)_______________________________________________________________。
