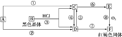
27.已知A为常见的金属单质.根据下图所示的关系: (1)确定A.B的化学式.A为 .B为 . (2)C和D可相互转化.描述C→D溶液的颜色变化: . ④的离子方程式: . ⑤的离子方程式: . (3)由E→F的实验现象为: . 写出⑧的化学方程式: . 查看更多

 

题目列表(包括答案和解析)

已知A为常见的金属单质,根据下图所示的关系回答下列问题:

(1)确定B、D、E的化学式,B为
Fe3O4
Fe3O4
,D为
FeCl3
FeCl3
,E为
Fe(OH)2
Fe(OH)2

(2)写出⑧的化学方程式及④、⑤的离子方程式:
4Fe(OH)2+O2+2H2O═4Fe(OH)3
4Fe(OH)2+O2+2H2O═4Fe(OH)3
2Fe2++Cl2═2Fe3++2Cl-
2Fe2++Cl2═2Fe3++2Cl-
Fe+2Fe3+═3Fe2+
Fe+2Fe3+═3Fe2+

查看答案和解析>>

已知A为常见的金属单质,根据下图所示的关系:

 (1)确定A、B的化学式,A为 __________,B为 ___________。

(2)C和D可相互转化,描述C→D溶液的颜色变化:____________________。

④的离子方程式:_____________________________________________________。

⑤的离子方程式:_____________________________________________________。

(3)由E→F的实验现象为:___________________________________。

写出⑧的化学方程式:___________________________________________________。

查看答案和解析>>

已知A为常见的金属单质,根据下图所示的关系回答下列问题。
(1)确定B、D、E的化学式,B为___________,D 为__________,E为___________。
(2)写出⑧的化学方程式及④⑤的离子方程式:______________________________________

查看答案和解析>>

已知A为常见的金属单质,根据下图所示的关系:

(1)确定A、B的化学式,A为 __________,B为 ___________。

(2)C和D可相互转化,描述C→D溶液的颜色变化:____________________。

④的离子方程式:_____________________________________________________。

⑤的离子方程式:_____________________________________________________。

(3)由E→F的实验现象为:___________________________________。

写出⑧的化学方程式:___________________________________________________。

查看答案和解析>>

已知A为常见的金属单质,根据下图所示的关系
下列叙述中正确的是
[     ]

A.A为Fe,B为FeO
B.C→D溶液的颜色变化:由浅绿色到黄色
C.④的离子方程式:Fe+Fe3+===2Fe2+
D.⑤的离子方程式:4Fe(OH)2+O2+2H2O===4Fe(OH)3

查看答案和解析>>


同步练习册答案