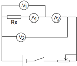
某兴趣小组的同学测量一个阻值未知的电阻.他们设计了一个如图所示电路来测定电阻. 该电路叫做“双重仪表伏安法 .它是传统的伏安法测电阻的改进电路.电路中共用到了4块仪表.其中两块电压表V1.V2完全相同.两块电流表A1.A2完全相同.如果在某次测量中电压表V1.V2的示数分别为U1.U2,电流表A1.A2的示数分别为I1.I2.则: 1)电流表的内电阻RA= , (2)被测电阻Rx= , (3)你认为这种“双重仪表伏安法 测电阻的主要优点是 . 查看更多

 

题目列表(包括答案和解析)

精英家教网某兴趣小组的同学测量一个阻值未知的电阻,他们设计了一个如图所示电路来测定电阻.该电路叫做“双重仪表伏安法”,它是传统的伏安法测电阻的改进电路,电路中共用到了4块仪表,其中两块电压表V1、V2完全相同,两块电流表A1、A2完全相同.如果在某次测量中电压表V1、V2的示数分别为U1、U2;电流表A1、A2的示数分别为I1、I2,则:
(1)电流表的内电阻RA=
 

(2)被测电阻Rx=
 

(3)你认为这种“双重仪表伏安法”测电阻的主要优点是
 

查看答案和解析>>

(1)某兴趣小组的同学利用如图1所示的实验装置,测量木块与长木板之间的动摩擦因数,图中长木板水平固定.
①实验过程中,打点计时器应接在
 
(填“直流”或“交流”)电源上,调整定滑轮的高度,使
 

②已知重力加速度为g,测得木块的质量为M,砝码盘和砝码的总质量为m,砝码盘、砝码和木块的加速度大小为a,则木块与长木板之间的动摩擦因数μ=
 

③实验时,某同学得到一条纸带,如图2所示,每隔三个计时点取一个计数点,即为图中0、1、2、3、4、5、6点.测得每两个计数点间的距离为s1=0.96cm,s2=2.88cm,s3=4.80cm,s4=6.72cm,s5=8.64cm,s6=10.56cm,打点计时器的电源频率为50Hz.计算此纸带的加速度大小a=m/s2,打第4个计数点时纸带的速度大小v=
 
m/s.(保留两位有效数字)
精英家教网
(2)①指针式多用电表是实验室中常用的测量仪器,请完成下列问题:
在使用多用电表测量时,指针的位置如图3所示,若选择开关拨至“×1”挡,则测量的结果为
 
Ω;若选择开关拨至“50mA”挡,则测量结果为
 
mA.精英家教网
②多用电表测未知电阻阻值的电路如图4所示,电池的电动势为E、内阻为r,R0为调零电阻,Rg为表头内阻,电路中电流I与待测电阻的阻值Rx关系图象如图5所示,则该图象的函数关系式为
 

③下列根据图5中I-Rx图线做出的解释或判断中正确的是
 

A.因为函数图线是非线性变化的,所以欧姆表的示数左小右大
B.欧姆表调零的实质是通过调节R0使Rx=0时电路中的电流I=Ig
C.Rx越小,相同的电阻变化量对应的电流变化量越大,所以欧姆表的示数左密右疏
D.测量中,当Rx的阻值为图5中的R2时,指针位于表盘中央位置的左侧.

查看答案和解析>>

(1)某兴趣小组的同学利用如图1所示的实验装置,测量木块与长木板之间的动摩擦因数,图中长木板水平固定.
①实验过程中,打点计时器应接在    (填“直流”或“交流”)电源上,调整定滑轮的高度,使   
②已知重力加速度为g,测得木块的质量为M,砝码盘和砝码的总质量为m,砝码盘、砝码和木块的加速度大小为a,则木块与长木板之间的动摩擦因数μ=   
③实验时,某同学得到一条纸带,如图2所示,每隔三个计时点取一个计数点,即为图中0、1、2、3、4、5、6点.测得每两个计数点间的距离为s1=0.96cm,s2=2.88cm,s3=4.80cm,s4=6.72cm,s5=8.64cm,s6=10.56cm,打点计时器的电源频率为50Hz.计算此纸带的加速度大小a=m/s2,打第4个计数点时纸带的速度大小v=    m/s.(保留两位有效数字)

(2)①指针式多用电表是实验室中常用的测量仪器,请完成下列问题:
在使用多用电表测量时,指针的位置如图3所示,若选择开关拨至“×1”挡,则测量的结果为    Ω;若选择开关拨至“50mA”挡,则测量结果为    mA.
②多用电表测未知电阻阻值的电路如图4所示,电池的电动势为E、内阻为r,R为调零电阻,Rg为表头内阻,电路中电流I与待测电阻的阻值Rx关系图象如图5所示,则该图象的函数关系式为   
③下列根据图5中I-Rx图线做出的解释或判断中正确的是   
A.因为函数图线是非线性变化的,所以欧姆表的示数左小右大
B.欧姆表调零的实质是通过调节R使Rx=0时电路中的电流I=Ig
C.Rx越小,相同的电阻变化量对应的电流变化量越大,所以欧姆表的示数左密右疏
D.测量中,当Rx的阻值为图5中的R2时,指针位于表盘中央位置的左侧.

查看答案和解析>>

某物理兴趣小组通过查阅资料知道将锌、铜两电极插入水果中,其“水果电池”电动势会有1V多一点,甲同学找来了一个柠檬做实验,用量程为0~3V、内阻约50kΩ的电压表测其两极时读数为0.96V,但当他将四个这样的电池串起来给标称值为“3V 0.5A”的小灯泡供电时,灯泡并不发光,检查灯泡、线路均无故障,这是因为“柠檬电池”的内阻较大的原因。

①乙同学用内阻约为500Ω的灵敏电流表直接连“柠檬电池”的两极,测得电流为0.32mA,根据前茅电压表测得的0.96V电压,估算出“柠檬电池”的内组值约为             。  

②为了更准确测定一个“柠檬电池”的电动势和内阻,实验室提供了一下一些器材可供选择:

A.灵敏电流表A1(量程0~0.6mA,内阻为800Ω)

B.灵敏电流表A2(量程0~250μA,内阻未知)

C.滑动变阻器R(最大阻值约10Ω)

D.变阻箱(0~9999Ω)

E.开关s和导线若干

为了尽可能准确测定“柠檬电池”的电动势和内阻,实验中除了带有锌、铜两极的水果电池外,还应选择的器材是                (填器材前的字母代号)

查看答案和解析>>

听说水果也能做电池,某兴趣小组的同学将一个土豆做成“水果电池”. 同学们通过查阅资料知道这种水果的电动势大约1伏左右,又用量程为0~3V、内阻约50kΩ的伏特表测其两极时读数为0.96V.可是当他们将四个这样的水果电池串起来给标为“3V,0.5A”的小灯泡供电时,灯泡并不发光.检查灯泡、线路均没有故障,而用伏特表直接测量其电压确实能达到3V多.
(1)据你分析,出现这种现象的原因应当是:
水果电池内阻太大
水果电池内阻太大
(不要求写分析、推导过程).
(2)为了能尽可能准确测定“水果电池”的电动势和内阻,若实验室除了导线和开关外,还有以下一些器材可供选择:
A.电流表A1(量程为0~0.6A,内阻为1Ω)
B. 灵敏电流表A2(量程为0~0.6mA,内阻为800Ω)
C.灵敏电流表A3(量程为0~300μA,内阻未知)
D.滑动变阻器R1 (最大阻值约10Ω)
E.滑动变阻器R2(最大阻值约2kΩ)
F.变阻箱(0~9999Ω)
①实验中应选择的器材是
B、F
B、F
(填器材前的字母代号).
②在方框中画出应采用的电路.

查看答案和解析>>


同步练习册答案