10.质量m=10kg的物体在竖直向上的恒定拉力F作用下.以a1=2m/s2的加速度匀加速上升.拉力F为多大?若将拉力F作用在另一物体上.物体能以a2=2m/s2的加速度匀加速下降.该物体的质量m应为多大?(g取10m/s2.空气阻力不计) 查看更多

 

题目列表(包括答案和解析)

质量ml=10kg的物体在竖直向上的恒定拉力F作用下,以al=0.5m/s2的加速度匀加速上升,拉力F多大?若将拉力F作用在另一物体上,使该物体能以a2=2m/s2的加速度匀加速上升,这个物体的质量m 2应为多大?(不计空气阻力,取g=l0 m/s2)

查看答案和解析>>

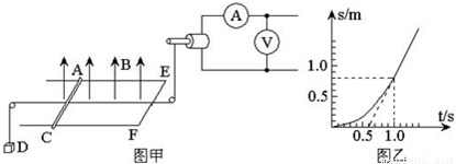
如图甲所示,不计电阻的“U”形光滑导体框架水平放置,框架中间区域有竖直向上的匀强磁场,磁感应强度B=1.0T,有一导体杆AC横放在框架上,其质量为m=0.10kg,电阻为R=4.0Ω.现用细绳栓住导体杆,细绳的一端通过光滑的定滑轮绕在电动机的转轴上,另一端通过光滑的定滑轮与物体D相连,物体D的质量为M=0.30kg,电动机的内阻为r=1.0Ω.接通电路后,电压表的示数恒为U=8.0V,电流表的示数恒为I=1.0A,电动机牵引原来静止的导体杆AC平行于EF向右运动,其运动的位移-时间图象如图乙所示.取g=10m/s2.求:匀强磁场的宽度;

查看答案和解析>>

如图甲所示,不计电阻的“U”形光滑导体框架水平放置,框架中间区域有竖直向上的匀强磁场,磁感应强度B=1.0T,有一导体杆AC横放在框架上,其质量为m=0.10kg,电阻为R=4.0Ω.现用细绳栓住导体杆,细绳的一端通过光滑的定滑轮绕在电动机的转轴上,另一端通过光滑的定滑轮与物体D相连,物体D的质量为M=0.30kg,电动机的内阻为r=1.0Ω.接通电路后,电压表的示数恒为U=8.0V,电流表的示数恒为I=1.0A,电动机牵引原来静止的导体杆AC平行于EF向右运动,其运动的位移-时间图象如图乙所示.取g=10m/s2.求:匀强磁场的宽度;

精英家教网

查看答案和解析>>

如图甲所示,不计电阻的“U”形光滑导体框架水平放置,框架中间区域有竖直向上的匀强磁场,磁感应强度B=1.0T,有一导体杆AC横放在框架上,其质量为m=0.10kg,电阻为R=4.0Ω.现用细绳栓住导体杆,细绳的一端通过光滑的定滑轮绕在电动机的转轴上,另一端通过光滑的定滑轮与物体D相连,物体D的质量为M=0.30kg,电动机的内阻为r=1.0Ω.接通电路后,电压表的示数恒为U=8.0V,电流表的示数恒为I=1.0A,电动机牵引原来静止的导体杆AC平行于EF向右运动,其运动的位移-时间图象如图乙所示.取g=10m/s2.求:匀强磁场的宽度;

查看答案和解析>>

如图甲所示,不计电阻的“U”形光滑导体框架水平放置,框架中间区域有竖直向上的匀强磁场,磁感应强度B=1.0T,有一导体杆AC横放在框架上,其质量为m=0.10kg,电阻为R=4.0Ω。现用细绳栓住导体杆,细绳的一端通过光滑的定滑轮绕在电动机的转轴上,另一端通过光滑的定滑轮与物体D相连,物体D的质量为M=0.30kg,电动机的内阻为r=1.0Ω。接通电路后,电压表的示数恒为U=8.0V,电流表的示数恒为I=1.0A,电动机牵引原来静止的导体杆AC平行于EF向右运动,其运动的位移—时间图像如图乙所示。取g=10m/s2。求:匀强磁场的宽度;

查看答案和解析>>


同步练习册答案