用替代法测一个未知电阻Rx的阻值可以用如图所示电路.图中RS为电阻箱(RS的最大阻值大于待测电阻Rx的阻值).S2为单刀双掷开关.R0为滑动变阻器.最大阻值为20Ω.为了电路安全.测量前应将滑动变阻器的滑片P调至 .电阻箱RS阻值应调至 .闭合S1开始实验.接下来有如下一些操作: A.慢慢移动滑片P B.将S2闭合在2端 C.将S2闭合在1端 D.将S1断开.整理实验器材 E.调节电阻箱RS的值.使电流表指针指在 F.使电流表指针变化至某一适当位置 G.记下电阻箱上电阻读数 实验操作的合理次序是: 查看更多

 

题目列表(包括答案和解析)

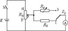
用替代法测一个未知电阻Rx的阻值可以用如图所示电路,图中RS为电阻箱(RS的最大阻值大于待测电阻Rx的阻值),S2为单刀双掷开关,R0为滑动变阻器,最大阻值为20Ω.为了电路安全,测量前应将滑动变阻器的滑片P调至______(选填“a”或“b”),电阻箱RS阻值应调至______(选填“最大”或“最小”).闭合S1开始实验,接下来有如下一些操作:
A.慢慢移动滑片P
B.将S2闭合在2端
C.将S2闭合在1端
D.将S1断开,整理实验器材
E.调节电阻箱RS的值,使电流表指针指在______(请补充完整)
F.使电流表指针变化至某一适当位置
G.记下电阻箱上电阻读数
实验操作的合理次序是:______(填字母)
精英家教网

查看答案和解析>>

用替代法测一个未知电阻Rx的阻值可以用如图所示电路,图中RS为电阻箱(RS的最大阻值大于待测电阻Rx的阻值),S2为单刀双掷开关,R为滑动变阻器,最大阻值为20Ω.为了电路安全,测量前应将滑动变阻器的滑片P调至    (选填“a”或“b”),电阻箱RS阻值应调至    (选填“最大”或“最小”).闭合S1开始实验,接下来有如下一些操作:
A.慢慢移动滑片P
B.将S2闭合在2端
C.将S2闭合在1端
D.将S1断开,整理实验器材
E.调节电阻箱RS的值,使电流表指针指在    (请补充完整)
F.使电流表指针变化至某一适当位置
G.记下电阻箱上电阻读数
实验操作的合理次序是:    (填字母)

查看答案和解析>>

用替代法测一个未知电阻Rx的阻值可以用如图所示电路,图中RS为电阻箱(RS的最大阻值大于待测电阻Rx的阻值),S2为单刀双掷开关,R0为滑动变阻器,最大阻值为20 Ω.为了电路安全,测量前应将滑动变阻器的滑片P调至________(选填“a”或“b”),电阻箱RS阻值应调至________(选填“最大”或“最小”).闭合S1开始实验,接下来有如下一些操作:

A、慢慢移动滑片P

B、将S2闭合在2端

C、将S2闭合在1端

D、将S1断开,整理实验器材

E、调节电阻箱RS的值,使电流表指针指在________(请补充完整)

F、使电流表指针变化至某一适当位置

G、记下电阻箱上电阻读数

实验操作的合理次序是:________(填字母)

查看答案和解析>>

用替代法测一个未知电阻Rx在常温下的阻值可用如下电路,图中Rs为电阻箱,A为电流表,S2为单刀双掷开关,R0为规格(0-20Ω)的滑线变阻器.测量前应将滑线变阻器R0的触片p调至______(填a或b),电阻箱Rs的阻值调至______(填最大或最小).闭合S1开始实验,接下来的步骤有以下一些:
A.慢慢移动触片p
B.将S2闭合在2端
C.将S2闭合在1端
D.调节电阻箱Rs的值
E.将S1断开
F.观察电流表指针变化直至某一位置
G.记下电阻箱上电阻读数
合理的次序应是______(填入步骤序号的字母)
精英家教网

查看答案和解析>>

用替代法测一个未知电阻Rx在常温下的阻值可用如下电路,图中Rs为电阻箱,A为电流表,S2为单刀双掷开关,R为规格(0-20Ω)的滑线变阻器.测量前应将滑线变阻器R的触片p调至______(填a或b),电阻箱Rs的阻值调至______(填最大或最小).闭合S1开始实验,接下来的步骤有以下一些:
A.慢慢移动触片p
B.将S2闭合在2端
C.将S2闭合在1端
D.调节电阻箱Rs的值
E.将S1断开
F.观察电流表指针变化直至某一位置
G.记下电阻箱上电阻读数
合理的次序应是______(填入步骤序号的字母)

查看答案和解析>>


同步练习册答案