6.如图所示.在高为h=0.8m的平台上.静止一个带电量为qA=0.1C的负电小球A.球A与平台的滚动摩擦因数μ=0.2.平台长为L1=0.75m.在平台上方有一个带电量为qB=0.1C的带正电的小球B.且mA=mB=0.5kg.球B挂在长为L=1m的细线上.整个装置放在竖直向下的电场中.场强为E=10N/C.现将B拉开角度α=60°后.由静止释放.在底端与A发生对心碰撞.使A滚下平台做平抛运动.若碰撞时无机械能损失且碰撞后A.B电荷均为零. 求:A平抛运动可能前进的水平距离?(g=10m/s2.空气阻力不计) 解:(1)B下摆过程中.机械能守恒: (2)B与A碰撞.动量守恒.机械能守恒: (3)A在平台上滚动.对A用动能定理: (4)A离开平台.做初速度为vA′=3m/s的平抛运动: 水平方向为匀速宜线运动:位移S=vA′·t=1.2m 所以A做平抛运动后.前进的水平位移是1.2m. 7.如图所示.在高H=2.5m的光滑.绝缘水平高台边缘.静置一个小物块B.另一带电小物块A以初速度v0=10.0m/s向B运动.A.B 的质量均为m=1.0×10-3kg.A与B相碰撞后.两物块立即粘在一起.并从台上飞出后落在水平地面上.落地点距高台边缘的水平距离L=5.0m.已知此空间中存在方向竖直向上的匀强电场.场强大小E=1.0×103N/C假设A在滑行过程和碰撞过程中电量保持不变.不计空气阻力.g=10m/s2.求: (1)A.B碰撞过程中损失的机械能. (2)试说明A带电的电性.并求出其所带电荷q的大小. (3)在A.B的飞行过程中.电场力对它做的功. 解:(1)设A.B刚粘在一起时的速度为v.对于A.B两物块的碰撞过程.根据动量过恒定律有: 解得 A.B碰撞过程中损失的机械能为 (2)A.B碰后一起做匀变速曲线运动.设加速度为a.经时间t落至地面.则有水平方向: 解得 因a<g.表明A.B所受电场力方向竖直向上.因此A带正电 对A.B沿竖直方向的分运动.根据牛顿第二定律有 解得q=1.0×10-5C (3)A.B飞行过程中.电场力做的功为 解得:W=-2.5×10-2J 8.如图所示.在动摩擦因数为μ=0.50的绝缘水平面上放置一质量为m=2.0×10-3kg的带正电的小滑块A.所带电荷量为q=1.0×10-7C.在A的左边l=0.9m处放置一个质量为M=6.0×10-3kg的不带电的小滑块B.滑块B与左边竖直绝缘墙壁相距s=0.05m.在水平面上方空间加一方向水平向左的匀强电场.电场强度为E=4.0×105N/C.A由静止开始向左滑动并与B发生碰撞.设碰撞过程的时间极短.碰撞后两滑块结合在一起共同运动并与墙壁相碰撞.在与墙壁碰撞时没有机械能损失.也没有电量的损失.且两滑块始终没有分开.两滑块的体积大小可忽略不计.(g取10m/s2) (1)试通过计算分析A与B相遇前A的的受力情况和运动情况.以及A与B相遇后.A和B与墙壁碰撞后A和B的受力情况和运动情况. (2)两滑块在粗糙水平面上运动的整个过程中.由于摩擦而产生的热量是多少? 解:(1)滑块A受电场qE=4.0×10-2N.方向向左.摩擦力f=μmg=1.0×10-2N.方向向右.在这两个力作用下向左做初速度为零的匀加速直线运动.直到与B发生碰撞. 滑块A与B碰撞并结合在一起后.电场的大小仍为qE=4.0×10-2N.方向向左.摩擦力的大小为f=μ(m+M)g=4.0×10-2N.方向向右.A.B所受合力为零.所以A.B碰后一起向着墙壁做匀速直线运动. A.B一起与墙壁撞后.两滑块受到的电场力与摩擦力的大小不变.方向都是向左的.所以A.B与墙壁碰后一起向右做匀减速直线运动.直至速度减为零.之后.两物体保持静止状态. (2)在A.B碰撞之前摩擦力做功为:W1=μmgl=9.0×10-3J A.B.碰撞前的过程.由动能定理.得: 根据动量守恒定律.得两滑块碰后运动的速度大小为: 两滑块共同运动.与墙壁发生碰撞后返回直到静止.这段过程中.设两滑块最后静止的位置距墙壁的距离为L2.根据动能定理. 在A.B碰撞之后到两滑块停下的过程中.滑块克服摩擦力做功为 整个过程中和生的热Q等于滑块克服摩擦力做功的总和.即 9.一个质量为M的绝缘小车.静止在光滑水平面上.在小车的光滑板面上放一质量为m.带电量为+q的带电小物块.小车质量与物块质量之比M∶m=7∶1.物块距小车右端挡板距离为l.小车车长为L.且L=1.5l.如图9-15所示.现沿平行车身方向加一电场强度为E的水平向右的匀强电场.带电小物块由静止开始向右运动.而后与小车右端挡板相碰.若碰后小车速度大小为碰撞前小物块速度大小的1/4.并设小物块滑动过程及其与小车相碰的过程中.小物块带电量不变.且碰撞时间极短. (1)通过分析与计算说明.碰撞后滑块能否滑出小车的车身? (2)若能滑出.求出由小物块开始运动至滑出时电场力对小物块所做的功,若不能滑出.则求出小物块从开始运动至第二次碰撞时电场力对小物块所做的功. 解:(1)带电小滑块仅在电场力作用下向右沿光滑车面做加速运动.位移1时与车右端相撞.设相撞前瞬间滑块速度为v0.由做功与能量变化关系: 滑块与车相撞时间极短.电场力远小于撞击力.故可认为水平方向动量守恒mv0=mv1+Mv2 由题给条件知v2=v0/4及M=7m 即碰后.滑块向左以3v0/4初速及受电场力做匀减速运动.当相对地速度减为零时.又在电场力作用下向右做匀加速运动.直到滑块向右速度与小车向右速度相同时.车右端与滑块距离最大. 设滑块此时由碰时位置向左位移为s1.小车向右位移为s2.则s1= 因为s1+s2=L<1.5L.故滑块不会滑出小车车面. (2)设滑块由相对车静止(即与车速度v2相同)到与车第二次碰撞时间为t′.由几何关系及匀加速直线运动公式有: 二次碰撞时.滑块总位移s′由图答9-10可知 所以电场力对滑块所做功为:W=Eqs′=2Eql 查看更多

 

题目列表(包括答案和解析)

(20分)如图所示,在高为h=0.8m的平台上,静止一个带电量为qA=0.1C的负电小物块A,球A与平台的动摩擦因数μ=0.2,平台长为L1=0.75m,在平台上方有一个带电量为qB=0.1C的带正电的小球B.且mA=mB=0.5kg.球B挂在长为L=1m的细线上.整个装置放在竖直向下的电场中,场强为E=10N/C.现将B拉开角度α=60°后,由静止释放,在底端与A发生对心碰撞,使A滚下平台做平抛运动.忽略AB两球间的库仑力的作用,若碰撞时无机械能损失且碰撞后A、B电荷均为零。

求:A平抛运动可能前进的水平距离?(g=10m/s2,空气阻力不计)

查看答案和解析>>

如图所示,在高出水平地面h=1.8m的光滑平台上放置一质量、由两种不同材料连接成一体的薄板A,其右段长度l1=0.2m且表面光滑,左段表面粗糙。在A最右端放有可视为质点的物块B,其质量m=1kg。BA左段间动摩擦因数。开始时二者均静止,现对A施加水平向右的恒力,待B脱离AA尚未露出平台)后,将A取走。B离开平台后的落地点与平台右边缘的水平距离x=1.2m。(取g=10m/s2)求:

(1)B从开始运动到刚脱离A时,B运动的时间t和位移xB

(2)A左端的长度l2

 

 

 

 

 

 

查看答案和解析>>

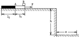
如图所示,在高出水平地面h=1.8m的光滑平台上放置一质量M=2kg、由两种不同材料连接成一体的薄板A,其右段长度l1=0.2m且表面光滑,左段表面粗糙。在A最右端放有可视为质点的物块B,其质量m=1kg。BA左段间动摩擦因数μ=0.4。开始时二者均静止,现对A施加F=20N水平向右的恒力,待B脱离AA尚未露出平台)后,将A取走。B离开平台后的落地点与平台右边缘的水平距离x=1.2m。(取g=10m/s2)求:

(1)B离开平台时的速度vB

(2)B从开始运动到刚脱离A时,B运动的时间tB和位移xB

(3)A左端的长度l2

 

 

 

 

 

 

 

 

 

 

查看答案和解析>>

如图所示,在高出水平地面h=1.8m的光滑平台上放置一质量、由两种不同材料连接成一体的薄板A,其右段长度l1=0.2m且表面光滑,左段表面粗糙。在A最右端放有可视为质点的物块B,其质量m=1kg。BA左段间动摩擦因数。开始时二者均静止,现对A施加水平向右的恒力,待B脱离AA尚未露出平台)后,将A取走。B离开平台后的落地点与平台右边缘的水平距离x=1.2m。(取g=10m/s2)求:

(1)B从开始运动到刚脱离A时,B运动的时间t和位移xB

(2)A左端的长度l2

 

 

 

查看答案和解析>>

如图所示,在高出水平地面h=1.8m的光滑平台上放置一质量M=2kg、由两种不同材料连接成一体的薄板A,其右段长度l1=0.2m且表面光滑,左段表面粗糙.在A最右端放有可视为质点的物块B,其质量m=1kg.B与A左段间动摩擦因数μ=0.4.开始时二者均静止,现对A施加F=20N水平向右的恒力,待B脱离A(A尚未露出平台)后,将A取走.B离开平台后的落地点与平台右边缘的水平距离x=1.2m.(取g=10m/s2)求
(1)B离开平台时的速度vB
(2)B从开始运动到刚脱离A时,B运动的时间tB和位移xB
(3)A左端的长度l2

查看答案和解析>>


同步练习册答案