题目列表(包括答案和解析)
如图所示,电动机牵引的是一根原来静止的长L=1m,质量m=0.1kg的金属棒MN,棒电阻R=1Ω,MN架在处于磁感强度B=1T的水平匀强磁场中的竖直放置的固定框架上,磁场方向与框架平面垂直,当导体棒上升h=3.8m时获得稳定速度,其产生的焦耳热Q=2J,电动机牵引棒时,伏特表、安培表的读数分别为7V、1A,已知电动机的内阻r=1Ω,不计框架电阻及一切摩擦,g取10m/s2,求:
(1)金属棒所达到的稳定速度大小。
(2)金属棒从静止开始运动到速度稳定所需的时间。
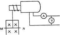
如图所示,电动机牵引的是一根原来静止的长L=1m,质量m=0.1kg的金属棒MN,棒电阻R=1Ω,MN架在处于磁感强度B=1T的水平匀强磁场中的竖直放置的固定框架上,磁场方向与框架平面垂直,当导体棒上升h=3.8m时获得稳定速度,其产生的焦耳热Q=2J,电动机牵引棒时,伏特表、安培表的读数分别为7V、1A,已知电动机的内阻r=1Ω,不计框架电阻及一切摩擦,g取10m/s2,求:
![]()
(1)金属棒所达到的稳定速度大小。
(2)金属棒从静止开始运动到速度稳定所需的时间。
湖北省互联网违法和不良信息举报平台 | 网上有害信息举报专区 | 电信诈骗举报专区 | 涉历史虚无主义有害信息举报专区 | 涉企侵权举报专区
违法和不良信息举报电话:027-86699610 举报邮箱:58377363@163.com