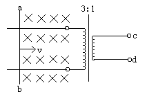
9.如图所示.一个变压器原副线圈的匝数比为3∶1. 原线圈两端与平行导轨相接.今把原线圈的导轨 置于垂直纸面向里.磁感应强度为B=2T的匀强 磁场中.并在导轨上垂直放一根长为L=30cm的 导线ab.当导线以速度v=5m/s做切割磁感线的 匀速运动时.副线圈cd两端的电压为 V. 查看更多

 

题目列表(包括答案和解析)

.如图所示,一个变压器原副线圈的匝数比为3∶1,原线圈两端与平行导轨相接,今把原线圈的导轨置于垂直纸面向里、磁感应强度为B=2T的匀强磁场中,并在导轨上垂直放一根长为L=30cm的导线ab,当导线以速度v=5m/s做切割磁感线的匀速运动时(平动),副线圈cd两端的电压为________V。

 

查看答案和解析>>

.如图所示,一个变压器原副线圈的匝数比为3∶1,原线圈两端与平行导轨相接,今把原线圈的导轨置于垂直纸面向里、磁感应强度为B=2T的匀强磁场中,并在导轨上垂直放一根长为L=30cm的导线ab,当导线以速度v=5m/s做切割磁感线的匀速运动时(平动),副线圈cd两端的电压为________V。

 

查看答案和解析>>

.如图所示,一个变压器原副线圈的匝数比为3∶1,原线圈两端与平行导轨相接,今把原线圈的导轨置于垂直纸面向里、磁感应强度为B=2T的匀强磁场中,并在导轨上垂直放一根长为L=30cm的导线ab,当导线以速度v=5m/s做切割磁感线的匀速运动时(平动),副线圈cd两端的电压为________V。

查看答案和解析>>

.如图所示,一个变压器原副线圈的匝数比为3∶1,原线圈两端与平行导轨相接,今把原线圈的导轨置于垂直纸面向里、磁感应强度为B=2T的匀强磁场中,并在导轨上垂直放一根长为L=30cm的导线ab,当导线以速度v=5m/s做切割磁感线的匀速运动时(平动),副线圈cd两端的电压为________V。

查看答案和解析>>

如图所示,理想变压器原副线圈的匝数比为n1:n2=1:2,导线的电阻均可忽略,导体棒ab的电阻阻值是副线圈负载R阻值的一半,当导体棒ab在匀强磁场中匀速运动时,电表A1、V1的示数分别为10 mA、5 mV.则副线圈的两个电表A2、V2示数应分别为


  1. A.
    5 mA,10 mV
  2. B.
    0,0
  3. C.
    20 mA,2.5 mV
  4. D.
    10 mA,10 mV

查看答案和解析>>


同步练习册答案