常用电容器 电容器从构造上看.分固定电容器和可变电容器. (1)固定电容器 固定电容器的电容是固定不变的. (2)可变电容器 可变电容器的电容是可以改变的. (3)电容器的两个重要参数 ①电容值 ②击穿电压:加在电容器两极上的电压超过某一值时.板间电介质被击穿.电容器将被损坏.这个极限电压称为击穿电压. 额定电压:指电容器长期工人作时所能承受的电压.额定电压应小于击穿电压.电容器工作时的电压不应超过额定值. 查看更多

 

题目列表(包括答案和解析)

下列对物理现象、概念认识错误的是(  )

查看答案和解析>>

下列对物理现象、概念认识错误的是( )
A.汽车在通过水库泄洪闸下游的“过水路面”最低点时,驾驶员处于失重状态
B.话筒是一种常用的声传感器,其作用是将声音信号转换为电信号
C.由于地球大气阻力作用,若阻力与速度的大小成正比,那么从高空下落的大雨滴落地速度大于小雨滴落地速度
D.电场强度、电势差、电容器的电容都是用比值法定义的

查看答案和解析>>

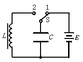
电磁振荡常用如图所示的电路进行演示,已知线圈的自感系数为L,电容器电容为C,电源电动势为E,现在将开关S从原来接在1上转换到2上,从这时起到线圈中磁场能达到最大,至少经过的时间为________,在开始四分之一周期,回路中的平均电流为________.

查看答案和解析>>

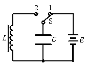
电磁振荡常用如图所示的电路进行演示,已知线圈的自感系数为L,电容器电容为C,电源电动势为E,现在将开关S从原来接在1上转换到2上,从这时起到线圈中磁场能达到最大,至少经过的时间为________,在开始四分之一周期,回路中的平均电流为________.

查看答案和解析>>


同步练习册答案