0  122650  122658  122664  122668  122674  122676  122680  122686  122688  122694  122700  122704  122706  122710  122716  122718  122724  122728  122730  122734  122736  122740  122742  122744  122745  122746  122748  122749  122750  122752  122754  122758  122760  122764  122766  122770  122776  122778  122784  122788  122790  122794  122800  122806  122808  122814  122818  122820  122826  122830  122836  122844  447090 

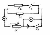
33、如图所示,电阻R1的阻值为5Ω

(1)开关S1闭合,S2断开,滑片P滑至最左端时,电压表示数为6V,电流表示数为0.3A,滑动变阻器R’的最大阻值是多少?

(2)若R2的值为20Ω,当S1、S2均闭合时,滑片P滑至最右端时电流表的示数是多少?

试题详情

32、(6分)

材料1:

S195型柴油机部分技术规格参部如下表所示:

汽缸数
汽缸直径
额定功率
转速
燃油消耗率
冷却方式
1
95mm
8.8kw
2000转/min
0.27kg/(kw•h)
蒸发水冷

其中“燃油消耗率”是指柴油机正常工作时,向外每输出1kw•h的有用能量柴油机消耗柴油的kg数。

材料2:千瓦•时(kw•h)是能量的常用单位,与能量的SI制单位焦耳(J)的关系为1kw•h=3.6×106J

材料3:水的比热容为4.2×103J/(kg•℃)柴油的热值为3.3×107J/kg

材料4:柴油机的效率η=×100%,其中E是指柴油机在某段时间内对外输出的有用的能量,Q是指在这段时间内柴油完全燃烧所产生的热量。

求:(1)若柴油机水箱中贮有10kg冷却水,当水的温度由20℃上升到40℃时,这些水所吸收的热量是多少?

(2)该柴油机的正常工作时效率约是多少?

试题详情

31、(7分)一位同学设计了一个风力测定仪,如图所示,O是转动轴,OC是一根细金属杆(自重不计),下面连接一块受风板,重20N,无风时OC是竖直的,风越强,OC杆偏转角度θ越大。AB是一段圆弧形电阻,P点是金属杆和圆弧形电阻的接触点,电路中接有一个小灯泡,测风力时,闭合开关S即可。通过分析可知:金属杆OC与弧形电阻AB组合在一起相当于一个________,通过观察小灯泡的________,可以粗略地知道风力的大小。

(1)完成题中填空。

(2)若OC的长度为50cm,当C被风吹至离开竖直位置30cm远处时,求风板受到的风力的大小为多少牛顿。(不计摩擦)

(3)上面的装置只能粗略地反应风力的大小,请写出改进电路的一个合理的建议,以便能更加精确反映风力的大小。

试题详情

30、(6分)在2003年爆发的“非典”中,为了保障隔离区群众的日常生活不受影响,晓风想出了一个办法:用一个动滑轮把重为40N的日常生活用品提到6m高的楼上,如甲图所示,此装置的机械效率为80%(绳重和摩擦均不计)。

(1)求绳端的拉力为多大?

(2)小军提出了另一种办法,把动滑轮改为定滑轮,如乙图所示,将同样量的日常用品拉到6m高的楼上,小军认为这样做一定可以:

 ①提高功率 ②提高该装置的机械效率 ③减少拉力做的功 ④减少绳端移动的距离

小军的以上看法中你认为正确的是___________(填序号)

试题详情

29、在“测定滑轮组机械效率”实验中,测得的数据如下表所示:

钩码重/N
弹簧测力计示数/N
钩码移动的距离/m
弹簧测力计移动的距离/m
有用功/J
总功/J
机械效率
3
1.2
0.1
0.3
 
 
 

(1)在表中空格处写出有用功、总功和机械效率的值。

  (2)右边框中画出滑轮组及绕线的方法。

(3)如果此实验中缺少刻度尺来测量距离,这个实验能否顺利完成_____________。

(4)拉动弹簧测力计应注意竖直、匀速地拉起,若某同学在实验中加速地拉起了弹簧测力计,

则他这样测得出的机械效率与实际相比__________(偏小/偏大/相等)

试题详情

28、某同学在做“研究杠杆平衡条件”的实验进行了如下实验步骤。

a、把杠杆的中点支在支架上;

b、把钩码挂在杠杆的两边,改变钩码的位置使杠杆水平平衡;

c、记下两边的钩码的重,用尺量出它们的力臂,记下实验数据;

d、改变力和力臂数值,做三次实验。

e、求出各次实验的动力乘以动力臂和阻力乘以阻力臂数值。

(1)请你指出该同学在_________步操作之前漏掉了一个重要步骤,这个步骤是________________________。

(2)如果实验中所用钩码的质量都相等,如果在如甲图示,杠杆的B处应该挂__________个钩码,才能使杠杆在水平位置平衡。

(3)如果在C点改用弹簧测力计拉,也使杠杆平衡,应竖直向_________拉。

(4)如果如乙图示把弹簧测力计斜拉,且拉环固定在支架上,水平平衡时弹簧测力计示数比步骤(3)中的____________。如果此时在A点的钩码下方再挂一个钩码,为了再次使杠杆平衡,且弹簧测力计示数不变,应将悬点向_______移动。

C
 
  

试题详情

27、一支普通铅笔能做多少实验呢?同学们来到实验室纷纷动手设计实验并操作起来,有的学习小组设计了以下的电学实验:

(1) 如图甲,先将导线A、B分别接在铅笔芯的两端发现小灯泡发光,说明铅笔芯是_______,再将A、B接在木壳两端,发现灯不能发光,说明干木材是____________。

(2)如图乙,将导线一端与铅笔芯的一端接好另一端在铅笔芯上滑动,改变铅笔芯连入电路的长短,发现灯泡的亮度发生改变,说明了导体的电阻与导体的_________有关,也能直观地说明了________________的工作原理。

(3)如图丙,MN间接入铅笔芯,电路接通后灯泡发光,当用酒精灯给铅笔芯加热,发光电灯的亮度变亮,说明导体的电阻与________有关。

(4)如图丁在玻璃板上撒些铅笔芯粉末,用导线将电源与铅笔芯粉末连成通路,通电时粉末状的铅笔芯(炭粒)出现跳跃的火花,两线头越近,电火花越强,说明___________时,电流很大,温度高。

   图甲        图乙        图丙       图丁

试题详情

26、如图所示,原器容器的一端通过胶塞插进一只温度计和一根气针,另一端有一可移动的胶塞(用卡子卡住),用打气筒慢慢地向容器内打气,增大容器内气体的压强,当瓶内气体压强大到一定程度时,读出温度计的示数t1;打开卡子,让气体冲开胶塞,这时再读出温度计的示数t2,回答问题:

(1)你认为t1与t2的关系是t1____t2;

(2)胶塞冲出容器口时,_______能转化为_____________;

(3)此实验表明:____________________________________。

试题详情

25、如图示S是一个单刀双掷开关。电源由3只蓄电池串联而成。S1接1时,电压表测_______;当S接2时R0与Rx__________联。

按电路图对应地把右边的实物用笔画代替导线连起来,导线不允许交叉。

 

试题详情

24、杠杆OAB,O是支点,自重可以忽略不计。在B点作用一个最小力可以使杠杆在图示位置平衡。①作出这个最小力  ②画出阻力和阻力臂

试题详情


同步练习册答案