0  123198  123206  123212  123216  123222  123224  123228  123234  123236  123242  123248  123252  123254  123258  123264  123266  123272  123276  123278  123282  123284  123288  123290  123292  123293  123294  123296  123297  123298  123300  123302  123306  123308  123312  123314  123318  123324  123326  123332  123336  123338  123342  123348  123354  123356  123362  123366  123368  123374  123378  123384  123392  447090 

解题要求:

⑴写出必要的文字说明和依据的主要公式;

⑵代入数据;

⑶凡有数字运算的题目,运算过程和结果都要写明单位。

39.人骑自行车快速下坡时,为什么不能突然只急刹前闸?

试题详情

38.请你设计一个实验,证实“导体电阻的大小与导体的长度有关系”。要求:写出实验所需器材,实验的过程,实验的结果。(4分)

1)实验器材:

2)实验过程:

3)实验结果分析:    

试题详情

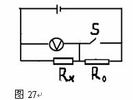
37.利用如图27所示的电路可以测量未知电阻Rx的阻值,R0是已知阻值的电阻,电源电压未知,请把下面的步骤补充完整。(3分)

  

1)开关S断开,测量导体Rx两端的电压记作Ux;

2) _________________________________________;

3)通过计算可知导体R0的电压为____________;

4)未知导体电阻Rx的表达式为Rx=___________。

试题详情

36.如图26所示,分别用力F1、F2作用在A、B两点来开门,且F1与F2的大小相同,作用力的方向也相同,那么作用在______点的力更容易把门打开,由此可见,力的作用效果

与__________有关。 (2分)

 

试题详情

35.某实验小组用弹簧测力计研究弹簧的伸长与拉力的关系,测力计最大测量值为5牛,所挂物体的重力分别为1牛、2牛、3牛。同学们把测量的情况用下面的图25表示出来了,发现弹簧的伸长和拉力存在着一定的规律,若测力计下挂4牛的物体,可知弹簧的伸长量为_____cm,所依据的规律是______________.(2分 )

  

试题详情

34.小明同学在实验室用天平、量筒测一个形状不规则的金属块的密度.当天平平衡时,右盘中的砝码和游码在标尺上的位置如图24(甲)所示;当量筒中的水面稳定后,水面所在的位置如图(乙)所示,则金属块的质量为________克, 金属块的体积为________厘米3,金属块的密度为________克/厘米3. (3分)

试题详情

33.物理学中研究一个量与几个量之间的关系时,要用到控制变量法,自变量和因变量之间的关系也可以用图像来反应出来。如图23中A图中可以反映甲乙两物体密度的大小,B图中可以反映物体的运动情况,C图可以反映物体运动的快慢,D图中可以反映甲乙导体的电阻大小。(4分)

1)图A中甲物体的密度____乙物体的密度(填  “  >、= 、 <  ” )

2)图B中物体做________运动 ( 填“静止 、匀速直线、  变速直线”  )

3)图C中___________运动的快( 填 “甲或乙” )

4)图D中R ______R (填  “  >、= 、 <  ”  )

试题详情

32.小明同学学习了伏安法测电阻的实验后,对电学知识产生了浓厚的兴趣,他对电阻R进行多次测量后把数据填入了下面的表格中,并利用公式R=U/I计算出了电阻值,之后他又把所测得电压值和电流值进行了乘积也填入表格中,同时也发现了一个规律,并向老师询问,老师告诉他UI的乘积在物理学中表示电功率,小明非常高兴。请分析小明的实验数据表格,写出表格数据所反应的规律。( 4分  )

电阻   欧
10
10
10
10
电压   伏
1
2
3
4
电流   安
0.1
0.2
0.3
0.4
电功率  瓦
0.1
0.4
0.9
1.6

分析表格发现:1)当电阻一定时,电压与_________________成正比。

2)当电阻一定时,电功率与_______________成正比。

试题详情

31.根据凸透镜如图22所成像的规律可以制成__________。(2分)

  

试题详情

30.如图21所示,接触面磨平的两块铅,用力压紧可以使它们结合在一起,这说明分子之间存在     力。(2分)

试题详情


同步练习册答案