0  155282  155290  155296  155300  155306  155308  155312  155318  155320  155326  155332  155336  155338  155342  155348  155350  155356  155360  155362  155366  155368  155372  155374  155376  155377  155378  155380  155381  155382  155384  155386  155390  155392  155396  155398  155402  155408  155410  155416  155420  155422  155426  155432  155438  155440  155446  155450  155452  155458  155462  155468  155476  447090 

12.同步卫星离地心距离为r,运行速率为v1,加速度为a1;地球赤道上的物体随地球自转的向心加速度为a2,第一宇宙速度为v2,地球半径为R,则以下比值正确的是( )

(A)v1/v2=r/R  (B)a1/a2=r/R  (C)  (D)

试题详情

11. 关于下列物理现象,正确的说法是( )

   (A)海市蜃楼是光在密度均匀的空气中传播时,发生全反射而产生的

   (B)弧光灯发出的白光通过低温钠气时,可用分光镜观察到吸收光谱

   (C)在光电效应中发出的光电子,是金属表面的原子核发生衰变产生的

   (D)在透镜表面涂上一层增透膜,可以减少元件表面上光能的反射损失

试题详情

10. 如图所示,OP为粗糙的水平杆,OQ为光滑的竖直杆,质量相同的两个小环a、b,通过细线连接套在杆上。a环在A位置时平衡。当a环移到A’位置时也恰好平衡。在A位置水平杆受到的压力为N1,细线的拉力为T1,在A’位置水平杆受到的压力为N2,细线的拉力为T2,则下述结论正确的是( )

(A) N1N2T1=T2          (B) N1N2, T1T2

(C) N1N2T1T2          (D) N1N2, T1T2

试题详情

9.1999年诺贝尔物理学奖授予两位荷兰科学家,他们研究了亚原子之间电磁作用和弱相互作用的量子结构,为粒子物理理论提供了更加坚实的数学基础。根据他们的理论可以精确计算顶夸克的质量,并在欧洲和美国的加速器上得到实验的证实。涉及该项研究的基本知识,下列说法正确的是( )

(A)亚原子粒子广泛指比原子更小的粒子

(B)组成物质的最小粒子是质子、中子和电子

(C)量子结构是一种连续的固定结构

(D)原子核内的核子之间只存在核力作用

试题详情

8. 把一个筛子用四根弹簧支起来,筛子上装一个电动偏心轮,它每转一周,给筛子一个驱动力,这就做成了一个共振筛.筛子做自由振动时,完成20次全振动用15s,在某电压下,电动偏心轮转速是88r/min.已知增大电动偏心轮的电压,可以使其转速提高,增加筛子的质量,可以增大筛子的固有周期.要使筛子的振幅增大,下列做法中,正确的是(r/min读作"转每分")( )

(A)降低输入电压        (B)提高输入电压 (C)增加筛子质量        (D)减少筛子质量

试题详情

7.如图甲所示,abcd为导体做成的框架,其平面与水平面成θ角。质量为m的导体棒PQ与ad、bc接触良好,回路的总电阻为R。整个装置放在垂直于框架平面的变化磁场中,磁场的磁感应强度B随时间t变化情况如图乙所示(设图甲中B的方向为正方向)。若PQ始终静止,关于PQ与框架间的摩擦力在 0-t1时间内的变化情况,有如下判断( )

 (A)一直增大

(B)一直减小

(C)先减小后增大

(D)先增大后减小

试题详情

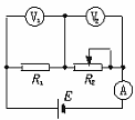
6.如图所示,R1为定值电阻,R2为滑动变电阻器,电源E内阻不计。现有如下判断( )

(A)当R2为定值时,电压表V1的示数与电流表A的示数之比为R1

(b)当R2为定值时,电压表V2的示数与电流表A的示数之比为 R1

(C)当R2的阻值发生变化时,电压表V2示数变化的数值与电流表A示数变化的数值之比为R1

(D)当R2的阻值发生变化时,电压表V1示数变化的数值与电流表A示数变化的数值之比为R1

试题详情

5.如图所示,输入电压UAB=200 V,变阻器R1标有“150 Ω、3 A”字样,负载电阻R2标有“50 Ω、2 A”字样,在电路允许的情况下,则输出电压Uab( )

(A)最大值为200 V,最小值为0

(B)最大值为100 V,最小值为0

(C)最大值为200 V,最小值为75 V

(D)最大值为100 V,最小值为75 V

试题详情

4.如图所示,实线表示在竖直平面内匀强电场的电场线,电场线与水平方向成α角,水平方向的匀强磁场与电场正交,有一带电液滴沿斜向上的虚线l做直线运动,l与水平方向成β角,且α>β,则下列说法中错误的是( )

(A)液滴一定做匀速直线运动

(B)液滴一定带正电

(C)电场线方向一定斜向上

(D)液滴有可能做匀变速直线运动

试题详情

3.下列说法中正确的是( )

(A)光导纤维是利用光的全反射现象   (B)雨后天空的彩虹是光的色散现象

(C)根据经典电磁理论可知,原子十分稳定,原子光谱是线状光谱

(D)光电效应表明光具有粒子性,从而否定了光的波动性

试题详情


同步练习册答案