0  157905  157913  157919  157923  157929  157931  157935  157941  157943  157949  157955  157959  157961  157965  157971  157973  157979  157983  157985  157989  157991  157995  157997  157999  158000  158001  158003  158004  158005  158007  158009  158013  158015  158019  158021  158025  158031  158033  158039  158043  158045  158049  158055  158061  158063  158069  158073  158075  158081  158085  158091  158099  447090 

20.某线圈共200匝,1s时磁通量为0.5Wb,1.2s时磁通量为0.6Wb,求这段时间内线圈中的感应电动势。

试题详情

19.赤道上的地磁场可以看成沿南北方向的匀强磁场,磁感应强度的大小是0.50×10-4T.如果赤道上有一根沿东西方向的直导线,长为20米,载有从东到西的电流30A。地磁场对这根导线得作用力有多大?方向如何?

试题详情

18.无线电波发射前要进行     ,调制的方式有两种分别是:        

试题详情

17.把一个电量q=-5×10-9C的负电荷放在电场中的A点,测得受到的电场力大小为5×10-4N,方向水平向右,则A点的场强是    N/C,方向         。

试题详情

16.在下列各图中,分别标出了磁场B的方向,电流I方向和导线所受安培力F的方向,其中正确的是(   )

 

第二卷

二  填空题(每空3分,共15分)

试题详情

15.用遥控器调换电视机的频道的过程,实际上就是传感器把光信号转化为电信号的过程。下列属于这类传感器的是(   )

A.走廊照明灯的声控开关        B.红外报警装置 

C.自动洗衣机中的压力传感装置     D.电饭煲中控制加热和保温的温控器

试题详情

14.远距离输电都采用高压输电,其优点是(   )

A.可增大输电电流              B.可加快输电速度      

C.增大了输电功率              D.可减少输电线上的能量损失

试题详情

13.有一额定电压为110V的灯泡A,要使它正常发光应通过一个理想变压器再接入家中的电源,则选用的变压器原副线圈的匝数比n1:n2应为(   )

A.1:2         B.2:1        C.1:4            D.4: 1

试题详情

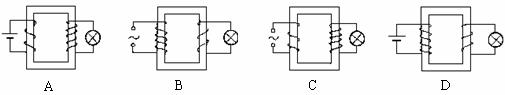
12.可以将电压升高供给电灯的变压器是(   )

试题详情

11.有一台使用交流电的电冰箱上标有额定电压为“220V”的字样,这“220V”是指(   )

A.交流电电压的瞬时值            B.交流电电压的最大值

C.交流电电压的平均值            D.交流电电压的有效值

试题详情


同步练习册答案