0  182575  182583  182589  182593  182599  182601  182605  182611  182613  182619  182625  182629  182631  182635  182641  182643  182649  182653  182655  182659  182661  182665  182667  182669  182670  182671  182673  182674  182675  182677  182679  182683  182685  182689  182691  182695  182701  182703  182709  182713  182715  182719  182725  182731  182733  182739  182743  182745  182751  182755  182761  182769  447090 

《齐民要术》中说:“天雨新晴,北风寒彻,是夜必有霜。此时放火作媪(媪:不见火焰的燃烧),少得烟气,则免于霜矣”。据此并结合下图,完成13-14题。

13.下列各点可能符合“天雨新晴,北风寒彻”的是

A.甲         B.乙           C.丙            D.丁

14.“放火作媪”使“必有霜”到“免于霜”的主要原因是

A.地面辐射增强                    B.大气反射作用增强

C.大气逆辐射增强              D.大气散射作用增强

试题详情

地面辐射与地面吸收的大气逆辐射之差称为有效辐射。读图并结合所学知识,完成11--12题。

11.关于甲、乙、丙三地多年平均年有效辐射总量的空间分布,下列叙述正确的是

A.由甲地向乙地急剧增加       B.由乙地向丙地急剧增加

C.由甲地向丙地逐渐减少       D.由丙地向乙地逐渐减少

12.关于地面辐射和大气逆辐射,下列叙述不正确的是

A.地面辐射与下垫面性质有关     B.地面温度越高,地面辐射越弱

C.空气温度越低,大气逆辐射越弱   D.空气湿度大、云量多,大气逆辐射强

试题详情

读贵州某地区降雪量随海拔高度变化图,回答8-10题。

8.该地降雪最多的地区海拔高度约为

A.1600m     B.1500m         C.1300m      D.1000m

9.当空中出现一个较明显的逆温层,大气中的降雨落到近地面的物体和地面上时,立即凝结成冰,这就是冻雨。以下四幅对流层垂直方向上温度结构示意图,最能够说明此次灾情中冻雨成因的是

10.下列关于雪灾成因以及同期相关地理事象的叙述,正确的是

①南下冷空气势力偏强②三峡水库的修建③全球变暖大背景下极端灾害发生的频率增加

④我国南方地区气温的距平值为正值(注:距平值为实际值与多年平均值的差)

A.①②        B.②③       C.①③       D.③④

试题详情

下图为45°S附近某地区的相关数据,①④处为海洋,②③处为陆地,80°、60°为当地经度。读图完成6-7题。

6.①处所属的大洋与板块的名称分别是

A.太平洋、太平洋板块          B.太平洋、南极洲板块

C.印度洋、印度洋板块          D.大西洋、美洲板块

7.下列地质作用在②处不明显的是

A.风力沉积      B.流水侵蚀        C.变质作用         D.火山喷发

试题详情

读“全球近地面气压带和风带”局部示意图,完成4-5题。

4.图中的“丙气压带”是指

A.赤道低气压带  B.副热带高气压带     C.极地高气压带  D.副极地低气压带

5.根据图中信息,说法正确的是

A.受丙气压带影响,撒哈拉沙漠炎热少雨

B.受乙风带影响,西欧地区全年温和湿润

C.受甲风带移动影响,南亚地区夏季多雨

D.受丙气压带和乙风带交替控制,新西兰形成地中海气候

试题详情

地壳深处的断层运动会引发地震,并造成地层断裂错位。分析下列某地区地层剖面示意图,完成2-3题。

2.该地区地质历史上发生过地震至少

    A.2次          B.3次          C.4次           D.5次

3.根据图中断层与岩层的关系,可以推断

A.c 断层早于②地层               B.b 断层早于④地层

C.a 断层早于b 断层                D.c 断层早于b 断层

试题详情

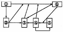
1.下图是三大岩石关系示意图,图中数码①-⑥所代表的内容依次是

A.①岩浆②侵入岩③变质岩④沉积岩⑤沉积物⑥喷出岩

B.①喷出岩②岩浆③侵入岩④变质岩⑤岩浆岩⑥沉积岩

C.①喷出岩②沉积物③变质岩④沉积岩⑤岩浆⑥侵入岩

D.①喷出岩②侵入岩③变质岩④岩浆⑤沉积岩⑥沉积物

试题详情

36.(9分)读某地局部不完整信息的假想等高线图(图21),图中A、B、C三地为城镇,回答下列问题。

  (1)根据图21中信息说出该地地形的主要类型并简述判断理由。(2分)

  (2)依据图21中提供的信息,说明甲、乙两村所处位置的相同点。(至少2点,2分)

  (3)某中学两组同学进行登山比赛,分别沿L、P线路攀登狮山和虎山。有人建议将出发点设在丙点,你认为是否合理?并简述理由。(2分)

  (4)C城镇资源丰富,如果想在A、C两城镇之间兴建公路,把C地的资源运到A地加工出口,请在图21中用“”符号画出你认为合理的线路,并说明理由。(3分)

试题详情

35.(6分)图20中a为等温线,b为锋线(锋面与地面交线),虚线范围内为雨区且b向偏北方向移动,读图回答下列问题。

  (1)图示地区位于    (南、北)半球,锋面b按性质划分属于    锋。(2分)

  (2)当前,甲、乙两处气温日较差较大的是     。为什么?(2分)

  (3)甲处未来三、四天内天气如何变化?(2分)

试题详情


同步练习册答案