0  199316  199324  199330  199334  199340  199342  199346  199352  199354  199360  199366  199370  199372  199376  199382  199384  199390  199394  199396  199400  199402  199406  199408  199410  199411  199412  199414  199415  199416  199418  199420  199424  199426  199430  199432  199436  199442  199444  199450  199454  199456  199460  199466  199472  199474  199480  199484  199486  199492  199496  199502  199510  447090 

2.迁移和拓展

   (1)用一个开关控制两个电灯和一个小电动机同时工作,这三个用电器在电路中(  C )

   A.一定要并联

B.一定要串联

C.可以串联也可以并联

D.一定混联

(2)图5-34是理发用的电吹风的电路,其中电热丝通电会发热,电动机通电会送风,若要使得电吹风送出热风,你应该选择开关S同时与哪两个触点接触( B  )

A.1和2

B.2和3

C.4和5

D.3和4

(3)王强同学通过实验,总结了白炽灯的常见故障和检修方法,并归纳如下:

故障现象
可能原因
检修方法
灯泡不亮
灯泡的灯丝断了
换上新灯泡
灯头内的电线断了
换上新线并接好
灯头、开关等处的接线松动,
造成接触不良
检查加固

他上述故障现象的可能原因可以概括成一个原因,这个原因是(  B  )

   A.电路中出现了短路

B.电路中出现了断路

C.串联变成了并联

D.并联变成了串联

(4)某同学连接了图5-35所示的错误电路,

请改正:                     图5-35

①要使电路中两灯串联,只要拆除导线  c   (选填“a”、“b”、“c”或“d”);②要使电路中两灯并联,只要将导线   d    (选填“a”、“b”、“c”或“d”)的  D  端改接到   C  端。

(5)电冰箱内有照明灯,控制它的开关在打开冰箱门时闭合,使灯发光;当冰

箱门关闭时,此开关处于断开状态,灯不发光,我们把这种开关叫做“门控开关”,用“-门控开关-”表示。电冰箱背面有一个电动压缩机,当冰箱内温度升高到一定程度便启动,而内部温度降到一定程度便会停止工作,因而我们可以认为压缩机是一个由温控开关(用“-温控开关-”表示)自动控制的。

①   观察电冰箱的照明灯和压缩机的

工作情况,看看它们工作时是相互影响还

是相互独立的?它们是串联还是并联?

②用笔画线代替导线,将图5-36中

的元件连成电路。                      

                        图5-36

试题详情

1.反馈训练

   (1)如图5-26所示电路,要使灯L1、L2串联,

则应闭合开关  S2    ,断开开关 S1、S3  ;要使

灯L1、L2并联,则应闭合开关  S1、S3  ,断开开关

  S2    ;绝对不能同时闭合开关   S2、S3 。     图 5-26 

   (2)请你指出图5-12所示的各个电路中小灯泡之间的连接方式,写在括号里                    

                图5-27

  ( 串联  )     (  并联  )     ( 并联 )    (  并联  )

   (3)节日的夜晚,路边映衬小树的一串串小彩灯是   联的;而将高大的建筑物点缀的宏伟、壮观的五颜六色的霓虹灯是   联的。

   (4)如图5-28所示的电路中,当开关S1、S2都闭合时,下列判断正确的是(  C  )

   A.L1、L2都不发光          B.L1、L2都发光

C.只有L1发光            D.只有L2发光

(5)在5-29所示的电路中,要使电灯发光,必须闭合开关(   D  )

A.S1、S2     B.S2、S3    C.S1、S3    D.S1、S2  、S3

       图5-28           图 5-29

   (6)给你如下器材:电池组一个、开关一个、电灯泡两只,要求这两只灯泡并联,并用开关控制它们,你至少需要导线(  C  )

   A.3根     B.4根      C.5根     D.6根

   (7)如图5-30所示的电路图中,当开关S闭合后,两盏灯并联的电路是(   D )

                图5-30

   (8)如图5-31所示电路,开关闭合后,发现两灯都不亮,用一根导线去检查电路故障,当导线接在灯L1两端时,发现两灯仍然不亮;当导线接在灯L2两端时,发现灯L1亮了,则电路的故障原因可能是:(  B  )

A.灯L1开路   

B.灯L2开路   

C.灯L1短路     

D.灯L2短路                  图5-31

  (9)小蓝在实验室里连接了如图5-31的实物电路,请你帮助她画出电路图,并标出电流路径。

 

       图 5-32

   (10)请你按照图5-33甲所示的电路图,将5-33乙中的实物连接起来,导线不能交叉。

      (甲)      图5-33       (乙)

试题详情

3.创新题

3  如图5-21所示,两个灯泡通过灯座装在

同一个木匣子上,A、B、C、D、分别是连接两灯

泡灯座的接线柱,在E、F两接线柱间接上电源后,

两灯泡均能发光。你如何判定这两只小灯泡是串联

还是并联?简要叙述你的判断过程。

   解答:取下一个灯泡,如果另一个灯泡熄灭,    图5-21

则两只灯泡是串联,如果另一只灯泡亮着,则两灯炮是并联。

   评点:本题考查串联电路和并联电路的电流路径的特点。由于串联电路只有一条通路,若拆下其中一个灯泡,另一只灯泡不发光则表明两只灯泡是串联;如果两灯并联,电流有两条通路,因而拆下一个灯泡,另一个灯泡仍亮着则表明两个灯是并联。本题还可以用导线进行判断,用导线连接A、B两接线柱,若CD灯座上的灯不发光,则两灯是并联;若CD灯座上的灯仍发光,则两灯是串联。

实现突破

试题详情

2.热点考题例举

   例1  (2003·海南省)某同学想用一只开关控制两个灯泡,要求开关闭合时,只有一只灯泡发光,断开时两灯均发光,则图5-20中的电路图正确的是(   )

                图   5-20

   解答:B

   评点:本题考查开关在电路中对用电器的控制作用。A图是串联电路,当开关断开时,两灯均不发光;当开关闭合时,两灯均发光,不符合题意。C图虽然开关断开时两灯均发光,但是当开关闭合时,电源被短路,两灯均不发光,因此C也不对。D图两灯并联,支路开关只控制本支路用电器,当开关闭合时两灯均发光,当开关断开时,开关所在的支路上的灯不发光,而另一支路上的灯仍然发光,因此D也不对。根据排除法,选择正确答案B。B图中开关闭合时将一只灯短路,另一只灯仍然工作;开关断开时,两灯均能发光。开关控制用电器,应该与用电器串联还是并联,决定于题目的要求。

   例2 (2003·吉林省)某家庭安装了如图5-21所示的门铃,请在空白处画出这个门铃电路的电路图。

解答:电路图如图5-23所示。

        图  5-22            图5-23

   评点:本题考查生活中的一些基本、简单电路的识别,实际上就是识别生活中简单的串、并联电路。该图是一个简单的串联电路。

试题详情

1.考点友情提示

(1)串、并联电路的连接;

   (2)串、并联电路的特点;

   (3)串、并联电路图的画法;

   (4)电路图的设计及实物电路的连接。

试题详情

2.并联

   并联是指将各元件的两端并列连接,然后街道电路中的连接方式。例如:教室的日光灯、电风扇是并联的,家里的各种用电器是并联的。节日的夜晚,高大的建筑物都要用成千只灯泡装点起来,电量的灯泡映出建筑物的轮廓,显得美丽、壮观,这些灯泡都是并联的。并联电路的特点:

(1)从电流路径上看,并联电路中有两条或两条以上电流路径,有若干分支,干路和任一支路可构成一条电流路径;

   (2)从各用电器的关系来看,并联电路中的各用电器互不影响,即只要有一个用电器断开,其他各用电器仍然能工作;

   (3)从开关的控制作用上看,干路开关控制所有的用电器,支路开关只控制本支路用电器,各支路开关互不影响。

   例2:几盏灯接入同一电路中,其中一盏灯的灯丝断了不亮,其余几盏灯仍然发光,则(   )

   A.坏的灯与其余的灯一是串联

B.坏的灯与其余的灯一是并联

C.其余的灯一是串联

D.其余的灯一是并联

分析与解答:坏的灯灯丝断了不亮,如果坏的灯与其余的灯是串联,则整个电路将是开路,其余的灯都不亮,显然不符合题意,所以是A错误的;至于其余的灯仅是仍发光,从这一点,无法判断它们是并联还是串联,因为不论哪种连接方式,他们都可以发光。因此本题的正确选项只有B。

典型例题及规律、方法突破

题型Ⅰ  判断串联和并联电路

   一般方法:串联和并联电路是电路连接的两种基本形式,。判断某一电路中的用电器是并联还是串联,要抓住串联电路和并联电路的基本特点。方法是:

   (1)元件连接法:分析电路中用电器的连接方法,逐个顺次连接起来且用电相互影响的是串联;用电器并列连接起来,且各自独立工作,互不影响的是并联。

   (2)电流路径法:从电源正极出发,用铅笔沿着电流路径“走”一圈,回到电源负极。在这一圈中,如果电流只有一条路径,没有分岔,这个电路一定是串联;如果电流从电源正极流出后有分岔,即出现支路,电流并排流过各支路上的元件后,再在某处汇合流回电源负极,电路中有两条或两条以上电流路径的是并联。

   (3)用电器断路法:接通电路,再断开一个用电器,其他用电器也不能工作极为串联;若断开一个用电器后,其他用电器仍能工作,即为并联。

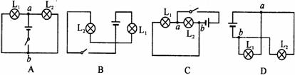
    例1  在图5-17中,有四幅电路图,分别说出每幅图的连接方式?

图  5-17

   分析与解答:本题采用电流法或元件连接法都可以迅速而准确地判断四幅图的连接方式。B图,电流从电源正极出发,顺次流过L1和L2,再流回电源负极,因此B图是串联。A、C、D图,电源从电源正极流出后,在a点分成两条支路,一部分电流从一条支路通过L1,另一部分电流从另一条支路通过L2,在b点汇合后再流回电源负极,因此A、C、D图是并联。用元件法判断电路的连接方式时,不要被表象所迷惑,认为两灯并排就是并联,而要抓住实质。如b图,两灯虽然并排放置,但实际上却是首尾相连,所以是串联;A、C、D三图中,两灯看上去是顺次放置,但实际上是分别将两端连接在一起,再接入电源两极的,所以都是并联,两种判断的结果是一致的。

   题型Ⅱ  开关在电路中的作用

   一般方法:用“等效法”进行判断,根据每一次电路情况画一个简化的“等效电路”,问题便很简洁。 

   例2  如图5-18所示的电路,判断下列情况

电路连接关系:

    (1)开关S1、S2均打开;

(2)开关S1、S2均闭合;

    (3)打开开关S1、闭合S2

(4)闭合S1、打开S2。             图  5-18

分析与解答:

(1)开关S1、S2
均打开,简化为
图(a)
 
 
 
(2)(2)当开关S1、S2均闭合,如图(b),有等效法,D与B,A与C看作一点,进一步简化为(c)
 

(3)当S1开、S2闭合
如图(d),电流从正极→L1→A→C→负极,L1L2短路,图(e)

 
(4)当S1闭、S2开时,如图(f),电流从电源正极→B→L3→C→负极,简化如图(g)
 

题型Ⅲ  电路的设计

   一般方法:

   例3  A、B两个办公室彼此相距较远,为了互相传呼方便,他们准备在两个办公室各安装一个电铃,要使两个办公室的任何一方按下开关,都只能使对方的电铃发声。请你帮助他们设计一个符合要求的电路。

   分析与解答:根据要求,两办公室的任何一方按下开关,都只能使对方的电铃发声,说明两个电铃应该并联,并且对方的开关和自己的电铃串联,设计图如图5-19所示。

        A       图  5-19       B

本节考点及题型突破

试题详情

1.串联

   串联是指将各元件按顺次首尾相连,然后接入电路的连接方式。例如,市场上出售的一种装饰用的小彩灯,经常被用来装饰店堂、居室、圣诞树、烘托欢乐的气氛,其中的一些彩色的小灯泡就是串连的。串联电路的特点:

(1)从电流路径上看,串联电路中只有一条电流路径,没有分支;

   (2)从各用电器的关系来看,串联电路中的各用电器互相影响,即只要有一个用电器断开,其他各用电器也同时不能工作;

   (3)从开关的控制作用上看,串联电路的开关控制所有的用电器,与开关在电路中的位置无关,因此,串联电路只需要一个开关即可控制电路中所有用电器。

   例1:小明居住的居民楼的楼道里,夜间只是偶尔有人经过,楼道的电灯总是亮着会浪费电。但是,如果夜晚有人出来,没有灯又很不方便。现在市面上有一种自动装置,是利用声音和光线进行控制的开关(在电路中的符号是

“    声控    ”和“   光控    ”)。小明想利用它们设计一个电路,能自动控制楼道里的电灯:当有人走动发出声音时,电路接通,灯亮;经过一两分钟后,内部的延时装置就能把电路断开,灯灭;不过,只有夜晚天黑之后灯方能亮,白天不论发出多大的声音,电灯也会“无动于衷”。请你帮助小明画出实现上述功能的电路。

   分析与解答:这里的“声控”和“光控”自动装置相当于两个自动开关,若只考虑声控,将声控自动装置连成如图5-16甲所示电路,若只考虑光控,则连成如图5-16乙所示电路,既要考虑光控又要考虑声控,则这两元件开关应串联接入电路中,如图5-16丙所示。

    甲            乙            丙

图  5-16

试题详情

2、用笔画线代替导线,试着将图5-3-12中的元件连成电路。

试题详情

1、观察电冰箱的照明灯和压缩机的工作情况,看看它们工作时是相互影响还是相互独立的?想一想它们是串联还是并联?

试题详情

17、观察与思考:

电冰箱内有照明灯,控制它的开关在打开冰箱门时闭合,使灯发光;当冰箱门关闭时,此开关处于断开状态,灯不发光。不妨我们把这种开关叫“门控开关”,用“-门控开关-”表示。电冰箱背面有一个电动压缩机,当冰箱内温度升高到一定程度便启动,而内部温度降到一定程度就会停止工作。因而我们可认为压缩机是由一个温控开关(用“-温控开关-”表示)自动控制的。

试题详情


同步练习册答案