0  200253  200261  200267  200271  200277  200279  200283  200289  200291  200297  200303  200307  200309  200313  200319  200321  200327  200331  200333  200337  200339  200343  200345  200347  200348  200349  200351  200352  200353  200355  200357  200361  200363  200367  200369  200373  200379  200381  200387  200391  200393  200397  200403  200409  200411  200417  200421  200423  200429  200433  200439  200447  447090 

7.乙电阻  0.9 A  8.当电路发生漏电现象时,易发生触电事故  9.取下一个灯泡,再闭合开关,若另一灯熄灭则两灯串联;若另一盏灯仍然发光,则两个小灯泡是并联的.

试题详情

3.导体  绝缘体  4.并  串  5.短路  b  6.S1S2S3S2S3S1;短路

试题详情

4.给你下列器材:一个电池组,一只小灯泡,一只开关,一只电铃(用符号“”表示)和若干细导线,请你设计一自动放养奶牛的装置图.

要求:用细导线将牛群围住,合上开关后,当牛在圈内吃草时,小屋内灯亮而铃不响;当有牛碰断了圈住的细导线到圈外时,电铃便会响起来,放牛的人能及时发现.

?章后小结

☆测一测,你学得怎样

知识与技能

试题详情

3.图5-69中的开关叫做单刀双掷开关,当把闸刀向左边按下时,ab两个接线柱是接通的,ac之间是断开的;当把闸刀向右边按下时,ac两个接线柱是接通的,ab之间是断开的.现在请你用这个闸刀来控制红灯和绿灯,使闸刀向左边按下时红灯亮绿灯熄,向右边按下时绿灯亮红灯熄,画出导线的连接图.

图5-69

试题详情

2.实验课上,小明把两个灯泡连成了如图5-67所示的电路.闭合开关,两灯均不亮.经检查,电路连接无误,老师告诉他是其中一个小灯泡坏了.于是,小明又找来了一个小灯泡,想出了一种检测方法(如下面表格中方法一),请你帮助小明,在图5-68所示的实验器材中任选一种,连入电路,设计出另外三种检测方法,并完成下表.

   

图5-67                   图5-68

 
器材
检测电路图
现象及结论



 

开关闭合,若检测灯泡亮,则灯L1坏了;若检测灯泡不亮,则灯L2坏了



 
 
 



 
 
 



 
 
 

试题详情

1.洋洋买了一个新型的全封闭镍镉电池(外形与铅蓄电池相似),电池的两极旁只涂了两种不同的颜色,并未标明“+”“-”极.现在有以下器材:电流表、小灯泡、发光二极管(正、负极已标明,用符号“”表示)、电池、开关、导线.请你帮助洋洋用上述器材设计两种判断电池正、负极的方法.说明所选器材,画出电路图,简述实验方法.

试题详情

3.小明同学为了更好的学习,搬进了新书房,可新书房缺少了一盏用拉线开关控制的照明灯和一个可插风扇的插座,请在图5-65中,为小明同学的正确接线设计一个完整的电路.

图5-65

过程与方法

小强想利用图5-66所示的电路探究并联电路中电流的规律.请你帮助小强:

图5-66

(1)预测探究结论.

(2)设计实验方案(器材、原理图、方法步骤)

(3)设计记录实验数据的表格

(4)推测:三个支路上的电流是否一定相同?对实验结论有无影响?

科学探究

试题详情

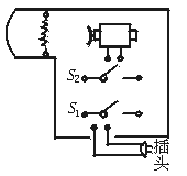
2.在图5-64中,有带风叶的小电动机一只,电热丝一段,开关两只(S1S2),插头一只,导线若干,利用这些器材可以连接成一个有冷、热两档风的电吹风电路.要求:只闭合S1时吹冷风,只闭合S2时既无风又不发热,同时闭合S1S2时吹热风.请你用笔画线作导线按要求将图中的元件连接起来(连线不要交叉).

图5-64

试题详情

1.如图5-63所示,通过L1的电流估计为0.4 A,通过L2的电流估记为0.7 A,要求:

图5-63

(1)灯L1L2并联,电流表A1L1的电流,电流表A2测干路电流,请用笔画线代替导线把实物连接起来,导线不交叉.

(2)根据你连接的实物图画出电路图.

试题详情

11.在表演台上,某人声称具有特异功能--“不怕电”.他把灯泡接到家庭电路的两根电线上,灯泡亮,取下灯泡后,他用双手同时抓住这两根电线芯,并让别人用测电笔触其肌肤,众人见氖管发光而瞠目结舌.对此,某班同学展开讨论后形成以下观点,其中不正确的是

A.这是伪科学的招摇撞骗行为

B.此人也许真有不导电的特异功能

C.此人与大地之间一定有良好的绝缘

D.他去抓那两根电线前,零线已被助手切断

试题详情


同步练习册答案