0  201028  201036  201042  201046  201052  201054  201058  201064  201066  201072  201078  201082  201084  201088  201094  201096  201102  201106  201108  201112  201114  201118  201120  201122  201123  201124  201126  201127  201128  201130  201132  201136  201138  201142  201144  201148  201154  201156  201162  201166  201168  201172  201178  201184  201186  201192  201196  201198  201204  201208  201214  201222  447090 

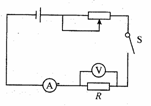
15.右图为“探究电流与电阻关系”的实验电路图。

(1)为了达到研究的目的,实验过程中必须保持______不变;

(2)当开关S闭合后,电压表的读数是2.5 V,电流表的读

  数是0.5 A。现在将阻值为5Ω的电阻R换成阻值为

  10Ω的电阻接入电路来进行研究,则下一步应进行的

  操作是_________________________________________________________________.

试题详情

14.请画出“探究电流与电压、电阻的关系”的电路图。

试题详情

13.如右图所示,电阻R1和R2串联后接在电压为9 V的电源

上,通过R1的电流是0.3 A,R2的阻值为10Ω,求:R2两

   端的电压和R1的大小。

试题详情

12.某同学做实验时,错将电流表和电压表的位置对调了,

  如右图所示,闭合开关S,将会出现的现象是(  )。

  A.电灯将烧坏

  B.电流表将烧坏

  C.电压表将烧坏

  D.电流表指针几乎不动,电灯不亮

试题详情

11.某同学在利用电压表和电流表测电阻时得到两组数据后,画

   出了两条直线的图像如右图所示,关于两电阻大小的比较,正

   确的是(   )。

   A.R甲 > R乙   B.R甲 < R乙

   C.R甲 = R乙   D.无法比较

试题详情

10.一个导体,当两端的电压为1.5 V时,通过导体的电流为O.3 A,若流过导体的电流增加O.3 A时,导体两端的电压和导体此时的电阻分别为(   )。

  A.1.5 V  2.5Ω    B.1.5 V  10Ω

  C.3 V    5Ω      D.3 V    10Ω

试题详情

9.从欧姆定律可以导出公式R=U/I,下列说法中正确的是(   )。

A.当电压增大2倍时,电阻R增大2倍

B.当电流增大2倍时,电阻R减小2倍

C.当电压为零时,电阻R为零

D.不管电压或电流为多少,电阻的阻值不变

试题详情

8.有一条电阻线,在其两端加1 V电压时,测得电阻值为O.5 Ω,如果在其两端加10 V的电压,它的电阻为(   )。

  A.0.5 Ω   B.5 Ω  C.O.05 Ω  D.10 Ω

试题详情

7.在保持电阻不变的条件下,研究电流跟电压的关系时得到下列几组实验数据:

从上述实验数据,你得到的结论是:____________________________________________.

试题详情

6.发生短路时,电路中的电阻非常______,根据欧姆定律,此时电路中的电流很_____,

  温度升高,容易发生火灾,因此应尽量避免产生短路。

试题详情


同步练习册答案