0  282315  282323  282329  282333  282339  282341  282345  282351  282353  282359  282365  282369  282371  282375  282381  282383  282389  282393  282395  282399  282401  282405  282407  282409  282410  282411  282413  282414  282415  282417  282419  282423  282425  282429  282431  282435  282441  282443  282449  282453  282455  282459  282465  282471  282473  282479  282483  282485  282491  282495  282501  282509  447090 

2.造成这次特旱灾害主要原因的分析,合理的是(  )

A.气候变暖,西南地区持续盛行上升气流   

B.西南地区地表崎岖,地表水流失严重 

C.工、农业用水偏多 

D.来自海洋的暖湿气流较弱,致使水汽供应不足

当地面或物体表面温度在0℃以下时,空气中的水汽会在其表面凝结成白色结晶,称为霜。一般把入秋后最早出现的一次霜叫初霜,而入春后最末出现的一次霜叫终霜。一年中,终霜后至初霜前的这段时间叫无霜期。下面是两地无霜期等值线图(单位:日)。读图回答3-4题。

 

试题详情

1.  据图可知,特旱灾害分布最广的两个省区是(  )

①云  ②川  ③贵   ④渝

A.①③ B.②③ C.③④ D.①②

试题详情

11、如图所示,轻绳绕过轻滑轮连接着边长为L的正方形导线框A1和物块A2,线框A1的电阻为R,质量为M,物块A2的质量为m(M>m),两匀强磁场区域Ⅰ、Ⅱ的高度也为L,磁感应强度均为B,方向水平与线框垂直。线框ab边磁场边界高度为h,开始时各段绳都处于伸直状态,把它们由静止释放,ab边刚穿过两磁场的分界线cc′进入磁场Ⅱ时线框做匀速运动。求:

(1)ab边进入磁场Ⅰ时线框A1的速度v1

(2)ab边进入磁场Ⅱ后线框A1所受重力的功率P;

(3)从ab边进入磁场Ⅱ到ab边穿出磁场Ⅱ的过程中,线框中产生的焦耳热Q。

本题是电磁感应中线框运动综合计算问题,要会利用能量守恒来求解。

解析:(1)应用系统机械能守恒得

         

得:          

(2) 设线框ab进入磁场Ⅱ时速度为v2,则线框中产生的电动势:

E2BL v2                       

线框中的电流        

线框中的受到的安培力

F2BIL=                  

设绳对A1、A2的拉力大小为T,则

对A1:T+F=Mg            

对A2:T=mg             

解得          

所以:           

(3)从ab边刚进入磁场Ⅱ到ab边刚穿出磁场Ⅱ的此过程中线框一直做匀速运动,根据能量守恒得:Q=(M-m)gL               

试题详情

10、如图是利用传送带装运煤块的示意图。其中,传送带足够长,倾角兹=37°,煤块与传送带间的动摩擦因数滋=0.8,传送带的主动轮和从动轮半径相等,主动轮轴顶端与运煤车底板间的竖起高度H=1.8m,与运煤车车箱中心的水平距离x=1.2m。现在传送带底端由静止释放一些煤块(可视为质点),煤块在传送带的作用下先做匀加速直线运动,后与传送带一起做匀速运动,到达主动轮时随轮一起匀速转动。要使煤块在轮的最高点水平抛出并落在车箱中心,取g=10m/s2,sin37°=0.6,cos37°=0.8,求:

(1)传送带匀速运动的速度v及主动轮和从动轮的半径R

(2)煤块在传送带上由静止开始加速至与传送带速度相同所经过的时间t

本题是利用皮带传动设计的力学综合计算题

解析:(1)由平抛运动的公式,得

x=vt   

代入数据解得     v=2m/s

要使煤块在轮的最高点做平抛运动,则煤块到达轮的最高点时对轮的压力为零,由牛顿第二定律,得

代入数据得R=0.4m     

  (2)由牛顿第二定律F=ma     得μgcosθ-gsinθ=0.4m/s2

由v=v0+at      得s

试题详情

9、飞行时间质谱仪可通过测量离子飞行时间得到离子的比荷q/m,如图1。带正电的离子经电压为U的电场加速后进入长度为L的真空管AB,可测得离子飞越AB所用时间t1。改进以上方法,如图2,让离子飞越AB后进入场强为E(方向如图)的匀强电场区域BC,在电场的作用下离子返回B端,此时,测得离子从A出发后返回B端飞行的总时间为t2(不计离子重力)

⑴忽略离子源中离子的初速度,①用t1计算荷质比;②用t2计算荷质比。

⑵离子源中相同比荷的离子由静止开始可经不同的加速电压加速,设两个比荷都为q/m的离子分别经加速电压U1、U2加速后进入真空管,在改进后的方法中,它们飞行的总时间通常不同,存在时间差Δt,可通过调节电场E使Δt=0。求此时E的大小。

本题是利用电场知识来分析质谱仪实际应用计算问题

解答:⑴ ①设离子带电量为q,质量为m,经电场加速后的速度为v,则2          

离子飞越真空管,在AB做匀速直线运动,则    

L=vt1                    

解得离子荷质比:       

②离子在匀强电场区域BC中做往返运动,设加速度为a,则:

qEma            

t2       

解得离子荷质比:

⑵两离子加速后的速度分别为v1v2,则

   1分     t2+    

Δtt1t2    

要使Δt=0,则须     

          

所以           

试题详情

8、①如图所示为某同学所安装的“验证牛顿第二定律”的实验装置,在图示状态下,开始做实验,该同学的装置和操作中的主要错误是_______________________________

________________________________________________________________________________________________________________________________________________。

②图乙是①中更正后实验打出的一条纸带,已知打点计时器的打点周期是0.02s,结合图乙给出的数据,求出小车运动加速度的大小为      m/s2,并求出纸带上P点所对应时刻小车的瞬时速度大小为     m/s(计算结果均保留2位有效数字)

本题是验证牛顿第二定律实验题,要学会处理纸带问题。

答案::①主要错误是:A.长木板右端未垫高以平衡摩擦力;B.电源应改用6V交流电源;C.牵引小车的细线没有与木板平行; D.开始实验时,小车离打点计时器太远 。   

②4.0m/s2   2.7m/s 

试题详情

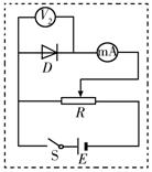
7、二极管是一种半导体元件,它的符号为“     ”,其特点是具有单向导电性,即电流从正极流入时电阻比较小,而从负极流入时电阻比较大。

  (1)某课外兴趣小组想要描绘某种晶体二极管的

伏安特性曲线。因二极管外壳所印的标识模

糊,为判断该二极管的正、负极,他们用多

用电表电阻挡测二极管的正、反向电阻。其

步骤是:将选择开关旋至合适倍率,进行欧

姆调零,将黑表笔接触二极管的左端、红表

笔接触右端时,指针偏角比较小。然后将红、

黑表笔位置对调后再进行测量,指针偏角比较

大,由此判断      (选填“左”、“右”)端为二极管的正极。

  (2)厂家提供的伏安特性曲线如下图,为了验证厂家提供的数据,该小组对加正向电压时的伏安特性曲线进行了描绘,可选用的器材有:

A.直流电源E:电动势3V,内阻忽略不计    

B.滑动变阻器  R:0-20Ω

C.电压表 V1:量程5V、内阻约50 kΩ     

D.电压表 V2:量程3V、内阻约20 kΩ

E.电流表 A1:量程0.6 A、内阻约0.5Ω    

F.电流表 A2:量程50mA、内阻约5Ω

G.待测二极管D               

H.单刀单掷开关S,导线若干

为了提高测量结果的准确度,电压表应选用     ,电流表应选用   (填序号字母)。

  (3)为了达到测量目的,请在虚线框内画出正确的实验电路原理图。

  (4)为了保护二极管,正向电流不要超过25mA,请你

对本实验的设计或操作提出一条合理的建议:

                    

                   

                         

                  。

本题是利用新材料设计的电学综合新颖实验题,关键是要分析清题意和设计实验电路。

答案:(1)右 

  (2)D   F

  (3)见右图  

  (4)可能的答案:a.在二极管支路串入一阻值合适的限流

试题详情

6、如图是热水器的恒温集成电路,R0是热敏电阻,温度较低时其阻值很大,温度较高时阻值很小,如果热水器中没有水或水温较高时,继电器会放开簧片,发热器断路,反之会吸住簧片接通发热器。则:

A.该电路图的虚线框内是与门

B.该电路图的虚线框内是或门

C.若想使热水的温度更高一些,可以适当增大R1的阻值

D.若想使热水的温度更高一些,可以适当减小R1的阻值

本题是利用新材料设计的电路控制问题选择题

答案::AD。 由题意可知,要加热必需有水,同时还要求水温较低,所以该门电路为与门。如果要求水温更高些,即R0的值更小,所以必需使R1的阻值调小。所以D正确。

试题详情

5、如图所示,带有长方体盒子的斜劈A放在固定的斜面体C的斜面上,在盒子内放有光滑球BB恰与盒子前、后壁PQ点相接触。若使斜劈A在斜面体C上静止不动,则PQ对球B无压力。以下说法正确的是: C

A.若C的斜面光滑,斜劈A由静止释放,则Q点对球B有压力

B.若C的斜面光滑,斜劈A以一定的初速度沿斜面向上滑行,则PQB均无压力

C.若C的斜面粗糙,斜劈A沿斜面匀速下滑,则PQB均无压力

D.若C的斜面粗糙,斜劈A沿斜面加速下滑,则Q点对球B有压力

本题是力的平衡物体叠加新颖选择题

答案:ACD,该题考查的是受力分析中的整体法和隔离法的应用,A、B选项先根据整体法判定整体有沿斜面向下的加速度,再隔离B受力发现Q点对球B有压力,所以A正确;B错误;同理可以判断CD正确

试题详情

4、前不久,在温哥华冬奥会上我国冰上运动健儿表现出色,取得了一个又一个骄人的成绩。如图(甲)所示,滑雪运动员由斜坡高速向下滑行,其速度一时间图象如图(乙)所示,则由图象中AB段曲线可知,运动员在此过程中:

 

   A.做曲线运动                 B.机械能守恒

   C.所受力的合力不断减小          D.平均速度v>

本题物理知识在体育运动中的应用与图像结合设计的选择题

答案:CD

试题详情


同步练习册答案