0  311524  311532  311538  311542  311548  311550  311554  311560  311562  311568  311574  311578  311580  311584  311590  311592  311598  311602  311604  311608  311610  311614  311616  311618  311619  311620  311622  311623  311624  311626  311628  311632  311634  311638  311640  311644  311650  311652  311658  311662  311664  311668  311674  311680  311682  311688  311692  311694  311700  311704  311710  311718  447090 

7.一个10匝的闭合线圈总电阻为0.5Ω,线圈面积为100cm2,垂直于线圈平面的匀强磁场的磁感强度B随时间变化的情况如图所示。由此可知,在0-0.2s内穿过线圈的磁通量变化率为      Wb/s;在0-0.4s内线圈中产生的热量为     J。

试题详情

6.11.固定在匀强磁场中的正方形导线框abcd,各边长l,其中ab是一段电阻为R的均匀电阻丝,其余三边均为电阻可忽略的铜线。磁场的磁感应强度为B,方向垂直纸面向里,现有一与ab段所用材料、粗细、长度都相同的电阻丝RQ架在导线框上,如图所示,以恒定速度υ从ad滑向bc,当PQ滑过l的距离时,通时aP段电阻丝的电流是多大?方向如何?

试题详情

5.如图所示电路中,L是自感系数足够大的线圈,它的电阻可忽略不计,D1和D2是两个完全相同的小灯泡。将电键K闭合,待灯泡亮度稳定后,再将电键K断开,则下列说法中正确的是

(A)K闭合瞬间,两灯同时亮,以后D1熄灭,D2变亮

(B)K闭合瞬间,D1先亮,D2后亮,最后两灯亮度一样

(C)K断开时,两灯都亮一下再慢慢熄灭

(D)K断开时,D2立即熄灭,D1亮一下再慢慢

试题详情

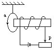
4.如图所示,一闭合线圈a悬吊在一个通电长螺线管的左侧,如果要使线圈中产生图示方向的感应电流,滑动变阻器的滑片P应向________滑动。要使线圈a保持不动,应给线圈施加一水平向________的外力。

试题详情

3.如图所示,AOC是光滑的直角金属导轨,AO沿竖直方向,OC沿水平方向,ab是一根金属直棒,如图立在导轨上,它从静止开始在重力作用下运动,运动过程中b端始终在OC上,a端始终在AO上,直到ab完全落在OC上。整个装置放在一匀强磁场中,磁场方向垂直纸面向里,则ab棒在运动过程中

(A)感应电流方向始终是b→a

(B)感应电流方向先是b→a ,后变为a→b

(C)受磁场力方向与ab垂直,如图中箭头所示方向

(D)受磁场力方向与ab垂直,开始如图中箭头所示方向,后来变为与箭头所示方向相反

试题详情

2.  在水平面上有一光滑的U 形金属框架,框架上跨接一金属杆ab,在框架的区域内有一竖直方向的匀强磁场(图中未画出)。下面说法中正确的是(    )

A.若磁场方向竖直向下,当磁场增强时,杆ab将向右运动

B. 若磁场方向竖直向下,当磁场减弱时,杆ab将向右运动

C. 若磁场方向竖直向上,当磁场增强时,杆ab将向右运动

D.若磁场方向竖直向上,当磁场减弱时,杆ab将向右运动

试题详情

1.  在两根平行长直导线M、N中,通有强度和方向都相同的恒定电流,如图所示。矩形线框abcd和两根导线在同一平面内,线框 沿着与两导线垂直的方向,自右向左在两导线间移动,在移动过程中,线框中感应电流的方向如何?

试题详情

13.

试题详情

12.95m

试题详情

11.AD

试题详情


同步练习册答案