0  332036  332044  332050  332054  332060  332062  332066  332072  332074  332080  332086  332090  332092  332096  332102  332104  332110  332114  332116  332120  332122  332126  332128  332130  332131  332132  332134  332135  332136  332138  332140  332144  332146  332150  332152  332156  332162  332164  332170  332174  332176  332180  332186  332192  332194  332200  332204  332206  332212  332216  332222  332230  447090 

22. -Do you think that the 11th Chinese National Games were a success?

-Yes, ________! It couldn’t be ________.

A. relatively; better                  B. approximately; worse 

C. absolutely; better                 D. fortunately; worse

试题详情

28.(奉贤区)(6分)硅光电池是一种可将光能转换为电能的器件。某同学用DIS探究硅光电池的路端电压U与总电流I的关系,电路见图甲。图中R0为已知定值电阻。

①若电压传感器2的读数为,则I    

②实验(一):用一定强度的光照射硅光电池,调节滑动变阻器,通过测量得到该电池的U-I曲线a。见图乙,由此可知电池内阻      (填“是”或“不是”)常数,短路电流为     A ,电动势为     V。

③实验(二):减小实验(一)中光的强度,重复实验,测得U-I曲线b,见图乙。当滑动变阻器的电阻为某值时,在实验(一)中的路端电压为1.5V,则实验(二)中外电路消耗的电功率为_______W。

   U0/R0   ;②  不是    2.95×10-4 A   2.67  V。③_6.7×10-5 _W。

全 品中考网

试题详情

21.(奉贤区)如图为某保险箱控制电路的示意图,图中S1、S2相当于该保险箱的两把钥匙开关,分别由两个人来保管,被控制的电路是直接开启保险箱的开关。要求两个人同时闭合S1、S2才能开启保险箱,虚线框内应选用的逻辑门为___________门,符号为___________。

与  &

试题详情

32.(杨浦区)(14分)如图所示的电路中,直流发电机M的电动势E=250 V,内阻r =0.5Ω,

R1 =R2 =1Ω.电热器组中装有50只完全相同的电热器,每只电热器的额定电压为200 V,额定功率为l 000 W,其他电阻不计,也不计电热器电阻随温度的变化.问:

(1) 当接通几只电热器时,实际使用的电热器都能正常工作?

(2) 当接通几只电热器时,被接通电热器的总消耗功率最大?

(3) 当被接通电热器的总消耗功率最大时,电阻R1R2和内阻r上消耗的功率分别为多少?

解:(1) 设当接通n只电热器时,实际使用的电热器都能正常工作,有

   [来源:Z_X_X_K]

(得5分)

(2) 设当接通n`只电热器时,被接通电热器的总消耗功率最大,有

(得4分)

(3) 当被接通电热器的总消耗功率最大时,电阻R1上消耗的功率为:

(得2分)

R2= R1R2上消耗的功率也为2500W。(得1分)

内阻r上消耗的功率为

(得2分)

(奉贤区)5.用伏安法测灯泡电阻时,若将电流表和电压表的位置接成如图所示电路,可能出现的情况是[     ]

A.电流表烧坏           B.电压表示数为零

C.灯泡不亮           D.灯泡烧坏

C

(奉贤区)20.如图所示,电源电动势为E,内阻为r.当开关S闭合,滑动变阻器的滑片P位于中点位置时,三个小灯泡L1L2L3都正常发光,且亮度相同,则[     ] A.三个灯泡的额定功率相同 B.三个灯泡的额定电压相同 C.三个灯泡的电阻按从大到小排列是L1L 3L2 D.当滑片P稍微向左滑动,灯L1L3变亮,灯L2变暗

ACD

试题详情

29.(杨浦区)(10分)发光晶体二极管是用电器上做指示灯用的一种电子元件.它的电路符号如图(甲)所示,正常使用时,带“+”号的一端接高电势,带“-”的一端接低电势。某同学用实验的方法测得它两端的电压U和通过它的电流I的关系数据如表中所示.

U / V
0
0.4
0.8
1.2
1.6
2.0
2.4
2.6
2.8
3.0
I / mA
0
0.9
2.3
4.3
6.8
13.0
19.0
24.0
30.0
37.0

①   在图(乙)中的虚线内画出该同学的实验电路图.(实验用电压表V:内组RV约为

10kΩ,电流表mA:内阻RmA约为100Ω)

②在图(丙)中的小方格纸上用描点法画出二极管的伏安特性曲线.

③若发光二极管的最佳工作电压为2.0V,而电源是由内阻不计、电动势为3V的供电系统提供的.请根据所画出的伏安特性曲线上的信息,分析应该串联一个阻值多大的电阻再与电源接成闭合电路,才能使二极管工作在最佳状态?(结果保留二位有效数字)

   

解:

①同时测定二极管上的电流和电压时,由欧姆定律分析表格中的每一组数据,可以看出发光二极管的电阻是变化的,变化的范围大约在100Ω~500Ω之间。故电流表的内阻对测量影响较大,利用电流表外接法误差小。而测量数据应从0开始,用滑动变阻器分压式接法,才能得到足够多的数据.(得4分)

②将表格提供的数据在方格纸上描点,可画出U-I图线如图丙中的曲线所示。(得2分)

V
 
A
 

③根据U-I图线可知,当二极管的工作电压为2.0V时,工作电流约为12mA,按串联电路的特点知,串联电阻上分到电压应为1.0V,故得应串的电阻为:。(81Ω-86Ω)都算正确)

(按表格数据运算的不给分)(得4分)

试题详情

29.(金山区)硅光电池是一种可将光能转换为电能的器件。某同学用左所示电路探究硅光电池的路端电压U与总电流I的关系。图中R0为已知定值电阻,电压表视为理想电压表。

 

① 请根据题电路图,用笔画线代替导线将右中的实验器材连接成实验电路。

② 若电压表的读数为,则I=    

③ 实验一:用一定强度的光照射硅光电池,调节滑动变阻器,通过测量得到该电池的U-I曲线a。如图,由此可知电池内阻      (填“是”或“不是”)常数,短路电流为   mA ,电动势为     V。

④ 实验二:减小实验一中光的强度,重复实验,测得U-I曲线b,如图.当滑动变阻器的电阻为某值时,若实验一中的路端电压为1.5V。则实验二中外电路消耗的电功率为     mW(计算结果保留两位有效数字)。

①见右图,

③ 不是,0.295(0.293-0.297),2.67(2.64-2.70),

④ 0.065(0.060-0.070)

③路端电压U=E-Ir,若r为常数、则U-I图为一条不过原点的直线,由曲线a可知电池内阻不是常数;当U=0时的电流为短路电流、约为295μA=0.295mA;当电流I=0时路端电压等于电源电动势E、约为2.67V;

④实验一中的路端电压为U1=1.5V时电路中电流为I1=0.21mA,连接a中点(0.21mA、1.5V)和坐标原点,此直线为此时对应滑动变阻器阻值的外电路电阻(定值电阻)的U-I图,和图线b的交点为实验二中的路端电压和电路电流,如右图,电流和电压分别为I=97μA、U=0.7V,则外电路消耗功率为P=UI=0.068 mW。

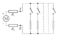
(杨浦区)21.光敏电阻是由半导体材料制成的,受到光照射时,其导电性能显著增强;它的灵敏度高,制造工艺简单,广泛应用于自动控制电路中.将其与电磁继电器结合,就可用来自动控制街道路灯的开与关.右图中所示是自动控制路灯的工作原理图,我们希望环境光照暗到一定程度时,路灯能点亮.电阻R1、R2之一是光敏电阻,另一只是定值电阻.当放大电路的输入端电压升高到某一值,使经过继电器J的电流增大到受继电器控制的电键S闭合,路灯就被点亮,则:

(1)电阻    (选填:“R1”或“R2”)是光敏电阻;

(2)如果路灯开关自动接通时天色还比较亮,为了让路灯在天色更暗时才自动接通开关,应使定值电阻的阻值    (选填:“增加”或“减小”).

R2(得2分),增大(得2分)

试题详情

27.(金山区)如图所示的电路中,1、2、3、4、5、6为连接点的标号。在开关闭合后,发现小灯泡不亮。现用多用电表检查电路故障,需要检测的有:电源、开关、小灯泡、3根导线以及电路中的各点连接。

(1)为了检测小灯泡以及3根导线,在连接点1、2已接好的情况下,应当选用多用电表的    挡。在连接点1、2同时断开的情况下,应当选用多用电表的   挡。

(2)在开关闭合情况下,若测得5、6两点间的电压接近电源的电动势,则表明    可能有故障

(3)将小灯泡拆离电路,写出用多用表检测该小灯泡是否有故障的具体步骤。

①调到   档。②            。③侧小灯泡电阻,若       ,则说明小灯泡有故障。

(1)电压;欧姆  (2分)

   (2)开关或连接点5、6  (1分)

(3)①欧姆档(3分)

②将红、黑表笔相接,检查欧姆档能否正常工作

③电阻无穷大

试题详情


同步练习册答案