0  340946  340954  340960  340964  340970  340972  340976  340982  340984  340990  340996  341000  341002  341006  341012  341014  341020  341024  341026  341030  341032  341036  341038  341040  341041  341042  341044  341045  341046  341048  341050  341054  341056  341060  341062  341066  341072  341074  341080  341084  341086  341090  341096  341102  341104  341110  341114  341116  341122  341126  341132  341140  447090 

1.下列关于生物固氮和固氮微生物不正确的是(   )

①根瘤菌的固氮量与其侵入植物的生长状况无关

②圆褐固氮菌固定的氮可直接被植物吸收利用

③生物固氮过程就是通过固氮微生物,把大气中的氮气转化为氨

④根瘤菌是共生固氮菌,独立存在时不能生存

⑤根瘤菌的固氮基因编码区内的外显子的数量比内含子多

⑥大豆种子用其破碎的根瘤进行拌种,可以提高豆科植物的产量

A. ③⑥      B.④      C.③④     D.①②④⑤

试题详情

30.(12分)有条河流,流量Q=2m3/s,落差h=5m,现利用其发电,若发电机总效率为50%,输出电压为240V,输电线总电阻R=30Ω,允许损失功率为输出功率的6%,用电线路所需电压为220v为满足用电的需求,则该输电线路所使用的理想的升压、降压变压器的匝数比各是多少?在损失功率为输出功率的6%的情况下,能使多少盏“220V,100W”的电灯正常发光?(g=10m/s2)

试题详情

29.(10分)如图所示,处于匀强磁场中的两根足够长、电阻不计的平行金属导轨相距1.0m,导轨平面与水平面成θ=37º角,下端连接阻值为R的电阻。匀强磁场方向与导轨平面垂直。质量为0.20kg,电阻不计的金属棒放在两导轨上,棒与导轨垂直并保持良好接触,它们之间的动摩擦因数为0.25。⑴求金属棒沿导轨由静止开始下滑时的加速度大小;⑵当金属棒下滑速度达到稳定时,电阻R消耗的功率为8.0W,求该速度的大小;⑶在第2问中,若R=2.0Ω,金属棒中的电流方向由ab,求磁感应强度的大小和方向。(g=10m/s2,sin37º=0.60,cos37º=0.80)

^

试题详情

28.(10分)如图,一束波长为0的红光,从空气中垂直于直角三棱镜的AB面入射,角A为300,从AC面射出方向如图所示.则玻璃对红光的折射率、红光在玻璃中的传播速度、红光在玻璃中的波长各是多少?^

试题详情

27、远距离输电时,如果输送的电功率不变,输电电压升高到原来的n倍,则输电线上损耗的功率将变为原来的    倍,输电线上的电压损失将变为原来的     倍。

^

三计算题(要有原始方程与必要的文字说明,否则要扣分)

试题详情

26.在一次测玻璃的折射率实验中,采用了如下方法,将一块半圆形玻璃砖放在水平面上(如图所示),用一束光线垂直于玻璃砖直径平面射入圆心O,以O为转轴在水平面内缓慢转动半圆形玻璃砖,当刚转过角时,观察者在玻璃砖平面一侧恰看不到出射光线,这样就可以知道该玻璃砖的折射率n的大小,那么,上述测定方法主要是利用了        的原理,该玻璃的折射率n=         

试题详情

23.一台理想变压器的副线圈有100匝,输出正弦交流电压为10V,则铁芯中磁通量的变化率的最大值是       

24一个匝数为N、所围成的面积为S的矩形线圈在匀强磁场B中绕垂直于磁感线的轴以角速度ω匀速转动。若从线圈平面平行于磁场方向时开始计时,则这个线圈产生的感应电动势的瞬时值表达式为              

25在双缝干涉实验中,屏上一点P到双缝的路程差是2.4×10-6 m.若P点恰是暗纹,且和中央之间还有一条亮纹,则光的波长是_______m.

试题详情

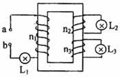
21、L1、L2、L3为三只完全相同的灯泡,按如图所示方式接入一理想变压器。己知匝数比n1:n2=3:1,当a、b接入交流电路时,L2和L3的实际功率为P,此时L1的实际功率P1为___________。^

(改编)22.如右图所示,从竖直墙上的小孔A中沿垂直墙壁方向射出一束光线,照射到平面镜上的O点,开始时平面镜与墙壁平行,两者相距为d,平面镜绕光线入射点O逆时针以角速度ω匀速转动,当转动到与初始位置成22.50时,墙壁上光点的瞬时速度是多大        

试题详情

2.答卷Ⅱ时用兰黑色钢笔或圆珠笔直接填写在试卷答题纸规定的地方。

试题详情

20.对于单缝衍射现象,以下说法正确的是

A.缝的宽度d越小,衍射条纹越亮

B.缝的宽度d越小,衍射现象越明显

C.缝的宽度d越小,光的传播路线越接近直线

D.入射光的波长越短,衍射现象越明显

^

卷Ⅱ(非选择题 共60分)

试题详情


同步练习册答案