0  352513  352521  352527  352531  352537  352539  352543  352549  352551  352557  352563  352567  352569  352573  352579  352581  352587  352591  352593  352597  352599  352603  352605  352607  352608  352609  352611  352612  352613  352615  352617  352621  352623  352627  352629  352633  352639  352641  352647  352651  352653  352657  352663  352669  352671  352677  352681  352683  352689  352693  352699  352707  447090 

1.下列叙述正确的是

 

试题详情

34.(9分)鸭蛋蛋壳的颜色主要有青色和白色两种。金定鸭产青色蛋,康贝尔鸭产白色蛋。为研究蛋壳颜色的遗传规律,研究者利用这两个鸭群做了五组实验,结果如下表所示。

杂交组合
第1组
第2组
第3组
第4组
第5组
康贝尔鸭♀×金定鸭♂
金定鸭♀×康贝尔鸭♂
第1组的F1自交
第2组的F1自交
第2组的F1♀×康贝尔鸭♂
后代所产蛋(颜色及数目)
青色(枚)
26178
7628
2940
2730
1754
白色(枚)
109
58
1050
918
1648

请回答问题:

  (1)根据第1、2、3、4组的实验结果可判断鸭蛋壳的     色是显性性状。

  (2)第3、4组的后代均表现出     现象,比例都接近    

  (3)第5组实验结果显示后代产青色蛋的概率接近     ,该杂交称为      ,用于检验      

  (4)第1、2组的少数后代产白色蛋,说明双亲中的       鸭群混有杂合子。

  (5)运用       方法对上述遗传现象进行分析,可判断鸭蛋壳颜色的遗传符合孟德尔的     定律。

试题详情

32.(13分)逆境是指对植物产生伤害的环境,如冰冻、盐渍和干旱等。植物对逆境的抵抗能力是不一样的,受遗传因素和外界因素的双重影响。植物对逆境的抗性强,则植物的电导率低;反之,电导率就高。电导率可以用一定的技术手段测出。现在有人认为脱落酸可以提高植物对逆境的抵抗力。请使用下列材料设计-个实验,以探究脱落酸对植物抗逆性的影响。

材料用品:生长在培养瓶中状态良好且-致的黄瓜幼苗10株、适宜浓度的脱落酸、测定电导率的装置、完全培养溶液、蒸馏水。

  (1)实验中的自变量是__________________。

  (2)实验假设:___________________________________。

  (3)实验步骤:

第-步:将10株黄瓜幼苗平均分成甲、乙两组

第二步:______________________________________;

第三步:______________________________________;

第四步:______________________________________。

  (4)预期结果及结论:______________________________________。

33(6分).下面是某种激素分泌及作用机制模式图。请结合所学知识及图中有关信息,回答问题,

   

  (1) 结构A--C中具有神经传导和激素分泌双重功能的是___________________。

  (2)如果C细胞分泌甲状腺激素,那么靶细胞能否为垂体细胞?_____________,

  简要说明理由:_______________________________________。

  (3) 当人大量失水后,A能分泌___________激素。

  (4)由图可知,该激素是通过调控图中[   ]____________

过程而影响细胞的代谢。

  (5)右图为人体某反射弧的部分模式图,虚线框中代表神经 中枢,下列叙述不正确的是              (   )

        A.刺激a点不能引起c处电位变化

        B.b处的液体中可能含氧气、神经递质等

        C.c的末端膨大形成突触小体

        D.abc任何一处的细胞膜外测得负电位,则表明其处于兴奋状态

试题详情

31.(14分)下面的甲、乙两图反映了二氧化碳含量和光照强度对绿色植物光合作用的影响。请据图回答:

   

  (1)对温室中的农作物施农家肥可以提高兴能利用率,其原理符合上图中的图。若要用豆科植物作为绿肥,可能显著增加土壤中        元素的含量。

  (2)限制乙图曲线最终趋于平缓的外界因素主要是(至少两项)         。若乙图表示某植物在恒温30°C时光合速率与光照强度的关系,并且已知该植物光合作用和呼吸作用的最适温度分别为25°C和30°C,那么在原有条件不变的情况下,将温度调节到25°C,曲线中B点将向     移动,C点将向     移动。

  (3)图中的D点时刻,小麦叶片维管束鞘细胞中能产生ATP的细胞器是      

  (4)乙图中a点与c点相比,C3含量      (增多、减少或不变)

试题详情

30.(15分)乙偶姻是一个极其重要的香料品种。乙偶姻(相对分子质量为88)中只含有C、H、O三种元素,其原子个数比为2:4:1 ,乙偶姻中含有碳氧双键。与乙偶姻有关的反应如下:

   

已知:

  (1)乙偶姻的分子式为___________。

  (2)X是乙偶姻的同分异构体,属于酯类,写出其所有可能结构简式_______     _。

  (3)写出反应①、③的反应类型:① ___________、③ ___________。

  (4)A的一氯代物只有一种。写出下列物质的结构简式:

A ___________________、乙偶姻 __________________、C_________________。

  (5)写出D → E反应的化学方程式_______________________________________。

试题详情

29.(15分) 某同学设计了以下操作流程来除去混在氯化钠固体中的少量硫酸钠和氯化钙。

 

  (1)试剂A是      ,试剂C是      

  (2)操作a的名称是      ,操作a得到的滤渣的成分是        

  (3)加入试剂C调节滤液PH的目的是                   

  (4)操作b中用到的主要仪器为酒精灯、      、三脚架和玻璃棒。

该同学想利用上述得到的氯化钠设计一套实验装置来电解饱和食盐水,并检验氯气的氧化性和测定所产生的氢气的体积(约8mL)。

   

  (5)试从上图中选用几种必要的仪器,连成一整套装置,各种仪器接口的连接顺序(填编号)是:A接__  _       接___   ;B接___        接__  _ 

  (6)铁棒接直流电源的________极;炭棒上发生的电极反应为            

  (7)能说明氯气具有氧化性的实验现象是_________________________  ________ 

  (8)若装入的饱和食盐水为75mL(电解前后溶液体积变化可忽略,假设两极产生的气体全部逸出),当测得氢气为8.4mL(标准状况)时停止通电。将U形管内的溶液倒入烧杯,其pH约为___。

试题详情

28.(18分)恒温、恒压下,在一个可变容积的容器中发生如下反应:

A(气)+B(气)C(气)

  (1)若开始时放入1molA和1molB,到达平衡后,生成amolC,这时A的物质的量为_______________mol.

  (2)若开始时放入3molA和3molB,到达平衡后,生成C的物质的量为______mol。

  (3)若开始时放入xmolA、2molB和1molC,到达平衡后,A和C的物质的量分别是ymol和3amol,则x=________mol,y=________mol。平衡时,B的物质的量____________(选填一个编号)

(甲)大于2mol             (乙)等于2mol

(丙)小于2mol              (丁)可能大于、等于或小于2mol

作出此判断的理由是__________________________。

  (4)若在(3)的平衡混合物中再加入3molC,待再次到达平衡后,C的物质的量分数是_________________。

II 若维持温度不变,在一个与(1)反应前起始体积相同、且容积固定的容器中发生上述反应。

  (5)开始时放入1molA和1molB到达平衡后生成bmolC.将b与(1)小题中的a进行比较__________(选填一个编号)

(甲)a<b                    (乙)a>b                   (丙)a=b     (丁)不能比较a和b的大小

作出此判断的理由是_______________________________。

试题详情

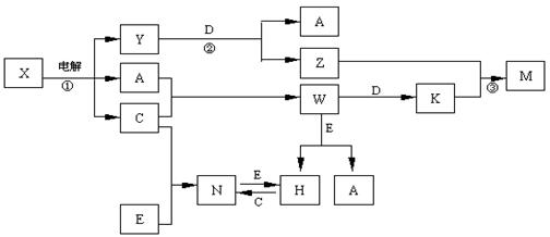
27.(12分)27.(14分) .A.B.C.D.E是中学化学常见单质,构成它们的元素的原子序数分别为α、b. c.d.е;且3 (a+b) = 2 (a+c) = 3 (d-a);X、Y、Z、M、N、W、H、K是常见化合物,X是B和C的化合产物,它们之间有如下转化关系(图中反应物和产物中的H2O已略去):

  (1)Y的电子式为     ,构成D单质的元素在周期表中位于   周期  

  (2)反应③的离子方程式为                        E的氧化物与D在一定条件下反应的化学方程式为:                    

  (3)固体N常温下即挥发,183℃升华,几乎溶于所有的有机溶剂和H2O中,据此判断 N为         型晶体

  (4)25℃时,PH=5的W和N的水溶液中由H2O电离出来的H+离子浓度之比为     

试题详情

26.(21分)有一倾角为θ的斜面,其底端固定一挡板M,另有三个木块A、B和C,它们的质量分别为,它们与斜面间的动摩擦因数都相同.其中木块A放于斜面上并通过一轻弹簧与挡板M相连,如图所示.开始时,木块A静止在P处,弹簧处于自然伸长状态.木块B在Q点以初速度向下运动,P、Q间的距离为L.已知木块B在下滑过程中做匀速直线运动,与木块A相撞后立刻一起向下运动,但不粘连.它们到达一个最低点后又向上运动,木块B向上运动恰好能回到Q点.若木块A仍静放于P点,木块C从Q点处开始以初速度向下运动,经历同样过程,最后木块C停在斜面的R点,求:

    (1)木块B与A相撞后瞬间的速度。 

  (2)弹簧第一次被压缩时获得的最大弹性势能Ep。

  (3)P、R间的距离L′的大小。

试题详情

25.(18分)“加速度计”作为测定运动物体加速度的仪器,已被广泛应用,图甲所示为应变式加速度计的原理图:支架AB固定在待测系统上,滑块穿在AB之间的水平光滑杆上,并用轻弹簧连接在A端,其下端有一活动臂可在滑动变阻器上自由滑动.随着系统沿水平方向做变速运动,滑块相对于支架将发生位移,并通过电路转换成电信号从电压表输出.已知电压表量程为8V,滑块质量m=0.1kg,弹簧劲度系数k=20N/m,电源电动势E=10V,内阻不计,滑动变阻器总电阻值R=40Ω,有效总长度l=8cm.当待测系统静上时,滑动触头P位于变阻器R的中点,取A→B方向为速度正方向.

  (1)确定该加速度计测量加速度的范围.

  (2)为保证电压表能正常使用,图甲电路中电阻R0至少应为多大?

  (3)根据R0的最小值,写出待测系统沿A→B做变速运动时,电压表输出电压UV与加速度a的关系式.

    (4)根据R0的最小值,将电压表盘上的电压刻度改成适当的加速度刻度,将对应的加速度值填入图乙中电压表盘的小圆内.

试题详情


同步练习册答案