0  370336  370344  370350  370354  370360  370362  370366  370372  370374  370380  370386  370390  370392  370396  370402  370404  370410  370414  370416  370420  370422  370426  370428  370430  370431  370432  370434  370435  370436  370438  370440  370444  370446  370450  370452  370456  370462  370464  370470  370474  370476  370480  370486  370492  370494  370500  370504  370506  370512  370516  370522  370530  447090 

8.汽车消耗的主要燃料是柴油和汽油.柴油机是靠压缩气缸内的空气点火的;而汽油机做功冲程开始时,气缸中的汽油--空气混合气是靠火花塞点燃的.但是汽车蓄电池的电压只有12 V,不能在火花塞中产生电火花,因此,要使用如图6所示的点火装置,此装置的核心是一个变压器,该变压器的初级线圈通过开关连到蓄电池上,次级线圈接到火花塞的两端,开关由机械控制,做功冲程开始时,开关由闭合变为断开,从而在次级线圈中产生10000 V以上的电压,这样就能在火花塞中产生火花了.下列说法中正确的是( )

A.柴油机的压缩点火过程是通过做功使空气的内能增加的

B.汽油机点火装置的开关若始终闭合,次级线圈的两端也会有高压

C.接该变压器的初级线圈的电源必须是交流电源,否则就不能在次级线圈产生高压

D.汽油机的点火装置中变压器的次级线圈匝数必须远大于初级线圈的匝数

解析:柴油机靠压缩气缸内的空气,使其内能增加,温度升高,达到柴油的燃点,实现点火.故选项A正确.闭合瞬间电流从无到有,副线圈发生电磁感应现象,产生瞬间高压,副线圈电压为U2U1,若n2远远大于n1就能使副线圈产生高电压,使火花塞产生火花,点燃混合气体,达到自动点火的目的.故选项D正确,B、C错误.

答案:AD

试题详情

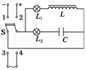
7.某同学在研究电容、电感对恒定电流与交变电流的影响时,采用了如图5所示的电路,其中L1、L2是两个完全相同的灯泡,已知把开关置于3、4时,电路与交流电源接通,稳定后的两个灯泡发光亮度相同,则该同学在如下操作过程中能观察到的实验现象是( )

A.当开关置于1、2时,稳定后L1、L2两个灯泡均发光且亮度相同

B.当开关置于1、2时,稳定后L1、L2两个灯泡均发光,且L1比L2

C.当开关置于3、4时,稳定后,若只增加交变电流的频率,则L1变暗,L2变亮

D.在开关置于3、4的瞬间,L2立即发光,而L1亮度慢慢增大

解析:当开关置于1、2时,稳定后因电容器隔直流,故电路断开,L2不发光,A、B错误;在开关置于3、4的瞬间,电容器通交流,L2立即发光,由于电感的自感作用,L1亮度慢慢增大,D正确.当开关置于3、4稳定后,增加交变电流频率,容抗减小,感抗增大,L1变暗,L2变亮,C正确.

答案:CD

图6

试题详情

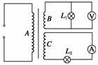
6.如图4所示,理想变压器有三个线圈ABC,其中BC的匝数分别为n2n3,电压表的示数为U,电流表的示数为I,L1、L2是完全相同的灯泡,根据以上条件可以计算出的物理量是( )

图4

A.线圈A的匝数                B.灯L2两端的电压

C.变压器的输入功率             D.通过灯L1的电流

解析:由题意知线圈B两端的电压为U,设线圈C两端的电压为UC,则=,所以UCU,B正确;通过L2的电流为I,则可以求出L2的电阻,L2与L1的电阻相同,所以可求出通过L1的电流,D正确;根据以上数据可以求出L1、L2的功率,可得变压器总的输出功率,它也等于变压器的输入功率,C正确;根据题意无法求出线圈A的匝数,A错.

答案:BCD

图5

试题详情

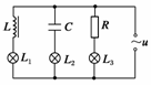
5.如图3所示,把电阻R、电感线圈L、电容器C分别串联一个灯泡后并联在电路中.接入交流电源后,三盏灯亮度相同.若保持交流电源的电压不变,使交变电流的频率减小,则下列判断正确的是( )

图3

A.灯泡L1将变暗          B.灯泡L2将变暗

C.灯泡L3将变暗                D.灯泡亮度都不变

解析:当交变电流的频率减小时,R不变,电感线圈感抗减小,电容器容抗增大,则灯泡L3亮度不变,L2变暗,L1变亮,故B正确.

答案:B

试题详情

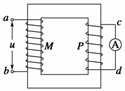
4.如图2所示,在闭合铁芯上绕着两个线圈MP,线圈P与电流表构成闭合回路.若在t1t2这段时间内,观察到通过电流表的电流方向自上向下(即由c经电流表至d),则可以判断出线圈M两端的电势差uab随时间t的变化情况可能是图中的( )

图2

解析:对A图,uab不变,A表中无电流,对B图,uab均匀增大,由安培定则知,M中有向上增强的磁场,P中有向下增加的磁通量,又由楞次定律和安培定则知,A表中电流方向由d经电流表至c,故A、B错,同理分析得C、D正确.

答案:CD

试题详情

3.某空间出现了如图1所示的一组闭合的电场线,这可能是( )

A.沿AB方向磁场在迅速减弱

B.沿AB方向磁场在迅速增加

C.沿BA方向磁场在迅速增加

D.沿BA方向磁场在迅速减弱

解析:根据电磁感应,闭合回路中的磁通量变化时,使闭合回路中产生感应电流,该电流可用楞次定律判断.根据麦克斯韦电磁场理论,闭合回路中产生感应电流,是因为闭合回路中受到了电场力的作用,而变化的磁场产生电场,与是否存在闭合回路没有关系.故空间内磁场变化产生的电场方向,仍然可用楞次定律判断,四指环绕方向即为感应电场的方向,由此可知A、C正确.

答案:AC

试题详情

2.目前雷达发射的电磁波频率多在200 MHz至1000 MHz的范围内.下列关于雷达和电磁波说法正确的是( )

A.真空中上述雷达发射的电磁波的波长范围在0.3 m至1.5 m之间

B.电磁波是由恒定不变的电场或磁场产生的

C.测出从发射电磁波到接收反射波的时间间隔可以确定雷达和目标的距离

D.波长越短的电磁波,反射性能越强

解析:真空中电磁波的传播速度为3×108 m/s.由vλfλ=,λ1= m=1.5 m,λ2= m=0.3 m,所以A正确;只有周期性变化的电场或磁场才能产生电磁波,B错误;测出电磁波从发射到接收的时间,由svt,求出传播距离进而求出雷达和目标的距离,C正确;波长越短的电磁波,遇到障碍物越不容易发生衍射现象,因而反射性能越强,D正确.

答案:ACD

图1

试题详情

1.某电路中电场随时间变化的图象如图所示,能发射电磁波的电场是哪一种( )

解析:周期性变化的电场才能产生周期性变化的磁场,均匀变化的电场产生稳定的磁场,振荡的电场产生同频率振荡的磁场,故只有选项D对.

答案:D

试题详情

2.已知二次函数满足=      

3定义在上的函数的值域为,则函数的值域为    

4集合A={3,4},B={5,6,7},那么可建立从AB的映射个数是__________

5已知奇函数是定义在上的减函数,若,则实数的取值范围是        

6若函数在区间上为减函数,则实数的取值范围是   

7已知定义在上的偶函数满足

恒成立,且,则  ________ 

8已知命题①:函数为奇函数;命题②:函数在其定义域上是增函数;命题③:“, 若, 则”的逆命题;命题④:已知,“”是“”成立的充分不必要条件. 上述命题中,真命题的序号有     .(请把你认为正确命题的序号都填上)

9设是连续的偶函数,且当是单调函数,

求满足的所有之和

10已知函数

  (Ⅰ)若为奇函数,求的值;

  (Ⅱ)若上恒大于0,求的取值范围。

试题详情

1.已知集合,则      .

试题详情


同步练习册答案