0  376042  376050  376056  376060  376066  376068  376072  376078  376080  376086  376092  376096  376098  376102  376108  376110  376116  376120  376122  376126  376128  376132  376134  376136  376137  376138  376140  376141  376142  376144  376146  376150  376152  376156  376158  376162  376168  376170  376176  376180  376182  376186  376192  376198  376200  376206  376210  376212  376218  376222  376228  376236  447090 

15、(14分)如图所示,在空间中固定放置一绝缘材料制成的边长为L的刚性等边三边形框架△DEFDE边上S点()处有一发射带正电的粒子源,发射粒子的方向皆在图中截面内且垂直于DE边向下.发射的电量皆为q,质量皆为m,但速度v有各种不同的值.整个空间充满磁感应强度大小为B,方向垂直截面向里的均匀磁场。设粒子与△DEF边框碰撞时没有能量损失和电量传递。求:

(1)带电粒子速度的大小为v时,做匀速圆周运动的半径

(2) 带电粒子速度v的大小取那些数值时,可使S点发出的粒子最终又垂直于DE边回到S点?  (3)这些粒子中,回到S点所用的最短时间是多少?

试题详情

14.(12分)如图所示,电阻不计的光滑平行金属导轨MNOP水平放置,MO间接有阻值为R的电阻,两导轨相距为L,其间有竖直向下的匀强磁场。质量为m,长度为L,电阻为R0的导体棒CD垂直于导轨放置,并接触良好。用平行于MN向右的水平力拉动CD从静止开始运动,拉力的功率恒定为P,经过时间t导体棒CD达到最大速度v0

  (1).求出磁场磁感强度B的大小?

(2).求出该过程中R电阻上所产生的电热?

试题详情

13.(12分)飞机以恒定的速度沿水平方向飞行,距地面的高度为H=500m,在飞行过程中释放一个炸弹,炸弹着地即刻爆炸,爆炸声向各个方向传播的速度都是v0=km/s,炸弹受到的空气阻力忽略不计。已知从释放炸弹到飞行员听到爆炸声经过的时间t=13s。求:

(1)炸弹的飞行时间(2)飞机的飞行速度v  (取g=10m/s2)

试题详情

12.(12分)为了测定电流表A1的内阻。其中:

A1是待测电流表,量程为300μA,内阻约为100Ω;

A2是标准电流表,量程是200μA;

R1是电阻箱,阻值范围0-999.9Ω;

R2是滑动变阻器,阻值范围0-25KΩ;

E是电池组,电动势为4V,内阻不计;

S1是单刀单掷开关,S2是单刀双掷开关

(1)    在图1中画出实验原理图,在图2中画出实验物连线图

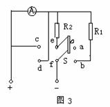
(2)若 (1)中测得A1的内阻为100Ω,下面把A1表改装成电流--电压两用电表,如图3所示,图中S是双刀双掷开关,a、b、c、d、e、f为接线柱,双刀双掷开关的触刀掷向ab时,ea接通,fb接通;掷向cd时,ec接通,fd接通。为使作电流表用时量程为0.6A,作电压表用时量程为3V。则两个电阻的值应为R1=___  __Ω,  R2=__   ___Ω。

试题详情

11.(6分),在研究平抛运动时,为证明平抛运动竖直方向的分运动是自由落体运动。某同学设计了如图所示的实验装置:小球A沿轨道滑下,离开轨道末端时撞开轻质接触式开关S,被电磁铁吸住的小球B同时自由下落。发现位于同一高度的AB两球总是同时落地。该现象说明了A球在离开轨道后,竖直方向的分运动是自由落体运动。 

下面列出了一些操作要求,你认为正确的是     

A.通过调节轨道,使轨道末端水平;

B.通过调节整个装置,使A球离开轨道末端时与B球从同一高度下落;

C.每次在轨道上端释放小球A的位置必须在同一点;

D.每次在轨道上端释放小球A,必须由静止释放;

E.必须改变整个装置的高度H做同样的实验;

试题详情

10.有人利用安装在气球载人舱内的单摆来测定气球的高度。已知该单摆在海平面处的周期是T0;当气球停在某一高度时,测得单摆周期为T;把地球看着质量均匀分布的半径为R的球体。该气球此时离海平面的高度h

 

A.         B.         C.          D.

第Ⅱ卷(非选择题,共70分)

试题详情

9.如图所示,电路中的电源的电动势为E、内电阻为r,开关S闭合后,将滑动变阻器的滑片P从滑动变阻器R的中点位置向左滑动的过程中,小灯泡L1、L2、L3的亮度变化情况是:

A.L1灯变亮,L2灯变暗,L3灯变亮 

B.L1灯变暗,L2灯变亮,L3灯变暗

C.L1、L2两灯都变亮,L3灯变暗

D.L1、L2两灯都变暗,L3灯变亮

试题详情

8.一质量不计的直角形支架两端分别连接质量均为m的小球AB。支架的两直角边长度分别为2ll,支架可绕固定轴O在竖直平面内无摩擦转动,如图所示。开始时OA边处于水平位置,由静止释放,则

A. OA边转动到处于竖直位置时,A球的速度为2

B. A球速度最大时,两小球的总重力势能最小

C. A球速度最大时,两直角边与竖直方向的夹角为45°

D. A、B两球的最大动能之比

试题详情

7.如图,电子在电势差为U1的加速电场中由静止开始运动,然后射入电势差为U2的两块平行极板间的电场中,入射方向跟极板平行。整个装置处在真空中,重力可忽略。在满足电子能射出平行板区的条件下,下述四种情况中,一定能使电子的偏转角θ变大的是   A.U1变大、U2变大   B.U1变小、U2变大   C.U1变大、U2变小   D.U1变小、U2变小

试题详情

6.如图所示,竖直杆上有相距为L的两点AB,现有一个质量为m的小球,用两根长为L的细线分别系于AB两点,要使m处于如图所示的静止状态,且两细线均处于伸直状态,则外加的恒力方向可能为哪个方向?

  A.F     B.F     C.F      D.F

试题详情


同步练习册答案