0  402784  402792  402798  402802  402808  402810  402814  402820  402822  402828  402834  402838  402840  402844  402850  402852  402858  402862  402864  402868  402870  402874  402876  402878  402879  402880  402882  402883  402884  402886  402888  402892  402894  402898  402900  402904  402910  402912  402918  402922  402924  402928  402934  402940  402942  402948  402952  402954  402960  402964  402970  402978  447090 

4.如图3所示是观察电阻值随温度变化情况的示意图.现在把杯中

的水由冷水变为热水,关于欧姆表的读数变化情况正确的是

( )

A.如果R为金属热电阻,读数变大,且变化非常明显

B.如果R为金属热电阻,读数变小,且变化不明显

C.如果R为热敏电阻(用半导体材料制作),读数变化非常明显

D.如果R为热敏电阻(用半导体材料制作),读数变化不明显

解析:由于金属热电阻的化学稳定性较好,测温范围较大,因而其热灵敏性差一些;而由半导体材料制成的热敏电阻的电阻值感温灵敏度较高.对于杯中水的温度升高或降低,热敏电阻的阻值变化必然比金属热电阻阻值的变化要大.因此,若R为金属热电阻时,欧姆表的示数会变大但并不明显(因为金属热电阻阻值会有较小的增大,电路中的电流会有较小的变小),故A、B两选项错误.同理,若R为热敏电阻,水升温时其阻值必有明显的变小,欧姆表的示数必有较明显的变化(即减小),故C选项正确而D选项错误.

答案:C

试题详情

3.如图2所示的实验电路中,电源两端的电压恒定,L为小灯泡,R为光敏电阻,D为发光二极管(电流越大,发出的光越强),RD相距很近且不变.下列说法中正确的是        ( )

A.当滑动触头向左移动时,L消耗的功率增大

B.当滑动触头向左移动时,L消耗的功率减小

C.当滑动触头向右移动时,L消耗的功率可能不变

D.无论怎样移动滑动触头,L消耗的功率都不变

解析:电源电压恒定,也就是说,并联电路两端的电压恒定,当滑动触头向左移动时,发光二极管发光变强,光敏电阻的电阻变小,所以电流变大,则L消耗的功率变大.

答案:A

试题详情

2.如图1所示是一个测定液面高度的传感器,在导线芯的外面涂上一层绝缘物质,放在导电液体中,导线芯和导电液体构成电容器的两极,把这两极接入外电路,当外电路中的电流变化说明电容值增大时,导电液体的深度h的变化为( )

A.增大    B.减小

C.不变        D.无法确定

解析:电容器的电容增大时,电容器两极板的正对面积增大,故h增大,A选项

正确.

答案:A

试题详情

1.关于传感器,下列说法正确的是                 ( )

A.所有传感器的材料都是由半导体材料做成的

B.金属材料也可以制成传感器

C.传感器主要是通过感知电压的变化来传递信号的

D.以上说法都不正确

解析:半导体材料可以制成传感器,其他材料也可以制成传感器,如金属氧化物氧化锰就可以制成温度计,所以A错,B正确.传感器不但能感知电压的变化,还能感受力、温度、光、声、化学成分等非电学量,所以C错.

答案:B

试题详情

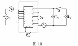
11.(14分)理想变压器原线圈中输入电压U1=3300 V,副线圈两端电压U2为220 V,输出端连有完全相同的两个灯泡L1和L2,绕过铁芯的导线所接的电压表V的示数U=2 V.求:

(1)原线圈n1等于多少匝?

(2)当开关S断开时,电流表A2的示数I2=5 A.则电流表A1的示数I1为多少?

(3)当开关S闭合时,电流表A1的示数I1′等于多少?

解析:(1)由电压与变压器匝数的关系可得:

U1/n1U2/n2U,则n1=1650匝.

(2)当开关S断开时,有:

U1I1U2I2I1== A

(3)当开关S断开时,有:RLU2/I2=44 Ω.当开关S闭合时,设副线圈总电阻为R′,有R′=RL/2=22 Ω,副线圈中的总电流为I2′,则I2′=U2/R′=10 A.由U1I1′=U2I2′可知,I1′== A.

答案:(1)1650匝 (2) A (3) A

试题详情

10.(2009·山东高考)某小型水电站的电能输送示意图如图9所示,发电机的输出电压为200 V,输电线总电阻为r,升压变压器原、副线圈匝数分别为n1n2,降压变压器原、副线圈匝数分别为n3n4(变压器均为理想变压器).要使额定电压为220 V的用电器正常工作,则                               ( )

A.>

B.<

C.升压变压器的输出电压等于降压变压器的输入电压

D.升压变压器的输出功率大于降压变压器的输入功率

解析:由于输电线上的功率损耗,故升压变压器的输出功率大于降压变压器的输入功率,PPP,故D正确.=,=,因为U1=200 V<U4=220 V,U2U3U2U线,故>,A正确.

答案:AD

试题详情

9.在某交流电路中,有一正在工作的变压器,原、副线圈的匝数分别为n1=600匝、n2=120匝,电源的电压为U=311sin100πt(V),原线圈中串联一个额定电流为0.2 A的保险丝,为保证保险丝不被烧毁,则                     ( )

A.负载功率不能超过44 W

B.副线圈电流的最大值不能超过1 A

C.副线圈电流的有效值不能超过1 A

D.无论副线圈电流有多大,保险丝总不会被烧毁

解析:保险丝的额定电流指有效值,由电流与线圈匝数的关系=及原线圈中电流的有效值I1≤0.2 A得副线圈中的电流的有效值I2≤1 A,则副线圈电流的最大值不能超过I2= A.再由电压与线圈匝数的关系=及原线圈两端的电压的有效值U1==220 V得副线圈两端电压的有效值U2=44 V,则有PU2I2≤44 W,故A、C选项正确,B、D选项错误.

答案:AC

试题详情

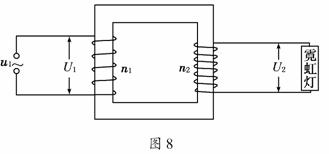
8.如图8所示是霓虹灯的供电电路,电路中的变压器可视为理想变压器.已知变压器原线圈与副线圈的匝数比=,加在原线圈上的电压为u1=311sin100πt(V),霓虹灯正常工作的电阻R=440 kΩ,I1I2表示原、副线圈中的电流.下列判断正确的是( )

A.副线圈两端电压6220 V,副线圈中的电流14.1  mA

B.副线圈两端电压4400 V,副线圈中的电流10.0  mA

C.I1I2

D.I1I2

解析:原线圈电压的有效值为U==220 V,

由=得副线圈电压U2=4400 V;

I2=得I2=10.0 mA,选项B对.

根据n1n2,而=,故I1I2,选项D对.

答案:BD

试题详情

7.(2009·江苏高考)如图7所示,理想变压器的原、副线圈匝数比为1∶5,原线圈两端的交变电压为u=20sin100πt V.氖泡在两端电压达到100 V时开始发光.下列说法中正确的有                                ( )

A.开关接通后,氖泡的发光频率为100 Hz

B.开关接通后,电压表的示数为100 V

C.开关断开后,电压表的示数变大

D.开关断开后,变压器的输出功率不变

解析:由u=20 sin100πt V可知,Um=20 V,f=50 Hz,氖泡在一个周期内发光  

两次,故其发光频率为100 Hz,A正确.电压表示数为U=×5=100 V,B正确.开

关断开后电压表示数不变,输出功率变小,故C、D错误.

答案:AB

试题详情


同步练习册答案