0  417933  417941  417947  417951  417957  417959  417963  417969  417971  417977  417983  417987  417989  417993  417999  418001  418007  418011  418013  418017  418019  418023  418025  418027  418028  418029  418031  418032  418033  418035  418037  418041  418043  418047  418049  418053  418059  418061  418067  418071  418073  418077  418083  418089  418091  418097  418101  418103  418109  418113  418119  418127  447090 

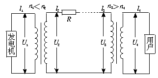
7、大型发电机发出的电压不符合远距离输电的要求,怎么办?而到达目的地的电压也不符合用户的要求,怎么办?

在发电机处用升压变压器升高电压,在用户处用降压变压器降低电压.

投影片展示我国远距离高压输电情况及远距离高压输电的原理。如下图所示。

设发电机的输出功率为P,则功率损失为

ΔP=I22R

用户得到的功率为P=PP.

输电线路上的电压损失为:ΔU=I2R,则U3=U2U.

试题详情

6、以上两个途径中,哪一个对于降低输电线路的损耗更有效?举例说明。

采用高压输电。在输电电流一定的情况下,线路电阻减为原来的一半,线路中损耗的功率减为原来的。在线路电阻一定的情况下,电压提高一倍,线路中的电流减为一半,而损耗的功率减为原来的

试题详情

4、如何减小输电线的电阻呢?

根据电阻定律可知r=ρ,要减小输电线的电阻r,可采用下述方法:

①减小材料的电阻率ρ.银的电阻率最小,但价格昂贵,目前选用电阻率较小的铜或铝作输电线.

②减小输电线的长度l不可行,因为要保证输电距离.

③增加导线的横截面积,可适当增大横截面积。太粗不可能,既不经济又架设困难。

试题详情

3、输电线上功率损失的原因是什么?功率损失的表达式是什么?降低输电损耗的两个途径是什么?

由于输电线有电阻,当有电流流过输电线时,有一部分电能转化为电热而损失掉了。这是输电线上功率损失的主要原因。

设输电电流为I,输电线的电阻为r,则功率损失为ΔP=I2r.

根据功率损失的表达式ΔP=I2r可知,要减少输电线上的功率损失,有两种方法:其一是减小输电线的电阻;其二是减小输电电流。

试题详情

2、远距离大功率输电面临的困难是什么?

在输电线上有功率损失。

试题详情

1、输送电能的基本要求是什么?

输送电能的基本要求是:可靠、保质、经济。可靠,是指保证供电线路可靠地工作,少有故障和停电。保质,就是保证电能的质量,即电压和频率稳定。经济是指输电线路建造和运行的费用低,电能损耗小。

试题详情

1.降低输电损耗的两个途径

试题详情


同步练习册答案