精英家教网 > 高中物理 > 题目详情
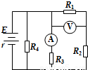
如图,电源内阻不能忽略,电流表和电压表为理想电表,下列说法正确的是(  )
A.若R1断路,电流表读数变小,电压表读数为0
B.若R2断路,电流表读数变大,电压表读数为0
C.若R3断路,电流表读数为0,电压表读数变大
D.若R4断路,电流表读数变小,电压表读数变大
魔方格
相关习题

科目:高中物理 来源: 题型:

如图,电源内阻不能忽略,电流表和电压表为理想电表,下列说法正确的是(  )

查看答案和解析>>

科目:高中物理 来源: 题型:

精英家教网如图,电源内阻不能忽略,电流表和电压表为理想电表,下列说法不正确的是(  )
A、若R1断路,表的读数均减小B、若R2断路,表的读数均减小C、若R3断路,电流表读数为0,电压表读数变大D、若R4断路,表的读数均变大

查看答案和解析>>

科目:高中物理 来源: 题型:

如图,电源内阻不能忽略,电流表和电压表为理想电表,下列说法正确的是

A.若R1断路,表的读数均减小

B.若R2断路,表的读数均减小

C.若R3断路,电流表读数为0,电压表读数变大

D.若R4断路,表的读数均变大

查看答案和解析>>

科目:高中物理 来源: 题型:

如图,电源内阻不能忽略,电流表和电压表为理想电表,下列说法正确的是                     (    )

A.若R1断路,表的读数均减小

B.若R2断路,表的读数均减小

C.若R3断路,电流表读数为0,电压表读数变大

D.若R4断路,表的读数均变大

查看答案和解析>>

科目:高中物理 来源:江西省2010届高三适应考试2理综物理 题型:选择题

如图,电源内阻不能忽略,电流表和电压表为理想电表,下列说法正确的是                     (    )

A.若R1断路,表的读数均减小

B.若R2断路,表的读数均减小

C.若R3断路,电流表读数为0,电压表读数变大

D.若R4断路,表的读数均变大

 

查看答案和解析>>

科目:高中物理 来源:不详 题型:多选题

如图,电源内阻不能忽略,电流表和电压表为理想电表,下列说法正确的是(  )
A.若R1断路,电流表读数变小,电压表读数为0
B.若R2断路,电流表读数变大,电压表读数为0
C.若R3断路,电流表读数为0,电压表读数变大
D.若R4断路,电流表读数变小,电压表读数变大
精英家教网

查看答案和解析>>

科目:高中物理 来源:2008-2009学年江苏省扬州市高三(上)期末物理试卷(解析版) 题型:选择题

如图,电源内阻不能忽略,电流表和电压表为理想电表,下列说法正确的是( )

A.若R1断路,电流表读数变小,电压表读数为0
B.若R2断路,电流表读数变大,电压表读数为0
C.若R3断路,电流表读数为0,电压表读数变大
D.若R4断路,电流表读数变小,电压表读数变大

查看答案和解析>>

科目:高中物理 来源:不详 题型:单选题

如图,电源内阻不能忽略,电流表和电压表为理想电表,下列说法正确的是                    (   )
A.若R1断路,表的读数均减小
B.若R2断路,表的读数均减小
C.若R3断路,电流表读数为0,电压表读数变大
D.若R4断路,表的读数均变大

查看答案和解析>>

科目:高中物理 来源: 题型:

如图,电源内阻不能忽略,电流表和电压表为理想电表,下列说法不正确的是                 

A.若R1断路,表的读数均减小

B.若R2断路,表的读数均减小

C.若R3断路,电流表读数为0,电压表读数变大

D.若R4断路,表的读数均变大

查看答案和解析>>

科目:高中物理 来源: 题型:

如图,电源内阻不能忽略,电流表和电压表为理想电表,下列说法正确的是                     (    )

A.若R1断路,表的读数均减小

B.若R2断路,表的读数均减小

C.若R3断路,电流表读数为0,电压表读数变大

D.若R4断路,表的读数均变大

查看答案和解析>>


同步练习册答案