精英家教网 > 高中物理 > 题目详情
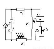
如图所示,电源电动势为E,内阻为r.电路中的R2、R3分别为总阻值一定的滑动变阻器,R0为定值电阻,R1为光敏电阻(其电阻随光照强度增大而减小).当电键S闭合时,电容器中一带电微粒恰好处于静止状态.有关下列说法中正确的是(  )
A.只逐渐增大R1的光照强度,电阻R0消耗的电功率变大,电阻R3中有向上的电流
B.只调节电阻R3的滑动端P2向上端移动时,电源消耗的功率变大,电阻R3中有向上的电流
C.只调节电阻R2的滑动端P1向下端移动时,电压表示数变大,带电微粒向下运动
D.若断开电键S,电容器所带电荷量变大,带电微粒向上运动
魔方格
相关习题

科目:高中物理 来源: 题型:

精英家教网如图所示,电源电动势为E,内阻为r.电路中的R2、R3分别为总阻值一定的滑动变阻器,R0为定值电阻,R1为光敏电阻(其电阻随光照强度增大而减小).当电键S闭合时,电容器中一带电微粒恰好处于静止状态.有关下列说法中正确的是(  )

查看答案和解析>>

科目:高中物理 来源:长春一模 题型:单选题

如图所示,电源电动势为E,内阻为r.电路中的R2、R3分别为总阻值一定的滑动变阻器,R0为定值电阻,R1为光敏电阻(其电阻随光照强度增大而减小).当电键S闭合时,电容器中一带电微粒恰好处于静止状态.有关下列说法中正确的是(  )
A.只逐渐增大R1的光照强度,电阻R0消耗的电功率变大,电阻R3中有向上的电流
B.只调节电阻R3的滑动端P2向上端移动时,电源消耗的功率变大,电阻R3中有向上的电流
C.只调节电阻R2的滑动端P1向下端移动时,电压表示数变大,带电微粒向下运动
D.若断开电键S,电容器所带电荷量变大,带电微粒向上运动
精英家教网

查看答案和解析>>

科目:高中物理 来源:2012年吉林省长春市高考物理一模试卷(解析版) 题型:选择题

如图所示,电源电动势为E,内阻为r.电路中的R2、R3分别为总阻值一定的滑动变阻器,R为定值电阻,R1为光敏电阻(其电阻随光照强度增大而减小).当电键S闭合时,电容器中一带电微粒恰好处于静止状态.有关下列说法中正确的是( )

A.只逐渐增大R1的光照强度,电阻R消耗的电功率变大,电阻R3中有向上的电流
B.只调节电阻R3的滑动端P2向上端移动时,电源消耗的功率变大,电阻R3中有向上的电流
C.只调节电阻R2的滑动端P1向下端移动时,电压表示数变大,带电微粒向下运动
D.若断开电键S,电容器所带电荷量变大,带电微粒向上运动

查看答案和解析>>

科目:高中物理 来源:吉林省长春市2012届高三第一次调研测试物理试题 题型:021

如图所示,电源电动势为E,内阻为r.电路中的R2R3分别为总阻值一定的滑动变阻器,R0为定值电阻,R1为光敏电阻(其电阻随光照强度增大而减小).当电键S闭合时,电容器中一带电微粒恰好处于静止状态.有关下列说法中正确的是

A.

只逐渐增大R1的光照强度,电阻R0消耗的电功率变大,电阻R3中有向上的电流

B.

只调节电阻R3的滑动端P2向上端移动时,电源消耗的功率变大,电阻R3中有向上的电流

C.

只调节电阻R2的滑动端P1向下端移动时,电压表示数变大,带电微粒向下运动

D.

若断开电键S,电容器所带电荷量变大,带电微粒向上运动

查看答案和解析>>

科目:高中物理 来源:2013-2014浙江省高三3月月考物理试卷(解析版) 题型:选择题

如图所示,电源电动势为E,内阻为r。电路中的R2 R3分别为总阻值一定的滑动变阻器,R0为定值电阻,R1为光敏电阻(其电阻随光照强度增大而减小)。当电键S闭合时,电容器中一带电微粒恰好处于静止状态。有关下列说法中正确的是(? )

A只逐渐增大R1的光照强度,电阻R0消耗的电功率变大, 电阻R3 中有向上的电流

B只调节电阻R3的滑动端P2向上端移动时,电源消耗的功率变大,电阻R3中有向上的电流

C只调节电阻R2的滑动端P1向下端移动时,电压表示数变大,带电微粒向下运动

D若断开电键S,电容器所带电荷量变大,带电微粒向上运动

 

查看答案和解析>>

科目:高中物理 来源: 题型:单选题

如图所示,电源电动势为E,内阻为r。电路中的R2、R3分别为总阻值一定的滑动变阻器,R0为定值电阻,R1为光敏电阻(其电阻随光照强度增大而减小)。当电键S闭合时,电容器中一带电微粒恰好处于静止状态。有关下列说法中正确的是 (    )

A.只逐渐增大R1的光照强度,电阻R0消耗的电功率变大,电阻R3 中有向上的电流
B.只调节电阻R3的滑动端P2向上端移动时,电源消耗的功率变大,电阻R3中有向上的电流
C.只调节电阻R2的滑动端P1向下端移动时,电压表示数变大,带电微粒向下运动
D.若断开电键S,电容器所带电荷量变大,带电微粒向上运动

查看答案和解析>>

科目:高中物理 来源:2011年辽宁省长春市高中毕业班第一次调研测试物理卷 题型:单选题

如图所示,电源电动势为E,内阻为r。电路中的R2、R3分别为总阻值一定的滑动变阻器,R0为定值电阻,R1为光敏电阻(其电阻随光照强度增大而减小)。当电键S闭合时,电容器中一带电微粒恰好处于静止状态。有关下列说法中正确的是

A.只逐渐增大R1的光照强度,电阻R0消耗的电功率变大,电阻R3 中有向上的电流
B.只调节电阻R3的滑动端P2向上端移动时,电源消耗的功率变大,电阻R3中有向上的电流
C.只调节电阻R2的滑动端P1向下端移动时,电压表示数变大,带电微粒向下运动
D.若断开电键S,电容器所带电荷量变大,带电微粒向上运动

查看答案和解析>>

科目:高中物理 来源: 题型:

如图所示,电源电动势为E,内阻为r,R1、R2为定值电阻,L为小灯泡,R3为光敏电阻,当照射光强度增大时(  )

查看答案和解析>>

科目:高中物理 来源: 题型:

如图所示,电源电动势为E,内阻为r,定值电阻R1>r,当电路中滑动变阻器R2的滑动触头P向左滑动时,以下说法正确的是(  )

查看答案和解析>>

科目:高中物理 来源: 题型:

如图所示,电源电动势为E,内阻为r,不计电压表和电流表内阻对电路的影响,当电键闭合后,两小灯泡均能发光.在将滑动变阻器的滑片逐渐向右滑动的过程中,下列说法正确的是(  )

查看答案和解析>>


同步练习册答案