精英家教网 > 高中物理 > 题目详情
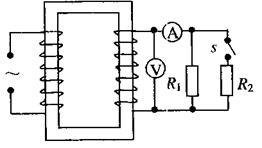
配电变压器指配电系统中变换交流电压和电流的一种电器,如图为某理想变压器示意图,原副线圈匝数比为25:1,下列说法正确的(  )
A.若原线圈的输入电压最大值为10kV,则电压表的示数为400V
B.若由于某种原因导致输入电压降低,则为了保证用户的正常用电,应增加副线圈的匝数
C.若输入电压不变,闭合电键s,电压表和电流表示数均减小
D.若输入电压不变,闭合电键s,原线圈中的电流将变大
魔方格
相关习题

科目:高中物理 来源:2010-2011学年河北省唐山市高三第二次模拟考试理科物理卷 题型:选择题

配电变压器指配电系统中变换交流电压和电流的一种电器,如图为某理想变压器示意图,原副线圈匝数比为25:1,下列说法正确的(    )

    A.若原线圈的输入电压最大值为10kV,则电压表的示数为400V

    B.若由于某种原因导致输入电压降低,则为了保证用户的正常用电,应增加副线圈的匝数

    C.若输入电压不变,闭合电键s,电压表和电流表示数均减小

    D.若输入电压不变,闭合电键s,原线圈中的电流将变大

 

查看答案和解析>>

科目:高中物理 来源:唐山二模 题型:多选题

配电变压器指配电系统中变换交流电压和电流的一种电器,如图为某理想变压器示意图,原副线圈匝数比为25:1,下列说法正确的(  )
A.若原线圈的输入电压最大值为10kV,则电压表的示数为400V
B.若由于某种原因导致输入电压降低,则为了保证用户的正常用电,应增加副线圈的匝数
C.若输入电压不变,闭合电键s,电压表和电流表示数均减小
D.若输入电压不变,闭合电键s,原线圈中的电流将变大
精英家教网

查看答案和解析>>

科目:高中物理 来源: 题型:

配电变压器指配电系统中变换交流电压和电流的一种电器,如图为某理想变压器示意图,原副线圈匝数比为25:1,下列说法正确的(    )

    A.若原线圈的输入电压最大值为10kV,则电压表的示数为400V

    B.若由于某种原因导致输入电压降低,则为了保证用户的正常用电,应增加副线圈的匝数

    C.若输入电压不变,闭合电键s,电压表和电流表示数均减小

    D.若输入电压不变,闭合电键s,原线圈中的电流将变大

查看答案和解析>>

科目:高中物理 来源: 题型:

配电变压器指配电系统中变换交流电压和电流的一种电器,如图为某理想变压器示意图,原副线圈匝数比为25:1,下列说法正确的(   )

    A.若原线圈的输入电压最大值为10kV,则电压表的示数为400V

    B.若由于某种原因导致输入电压降低,则为了保证用户的正常用电,应增加副线圈的匝数

    C.若输入电压不变,闭合电键s,电压表和电流表示数均减小

    D.若输入电压不变,闭合电键s,原线圈中的电流将变大

 

查看答案和解析>>

科目:高中物理 来源: 题型:

(2011?唐山二模)配电变压器指配电系统中变换交流电压和电流的一种电器,如图为某理想变压器示意图,原副线圈匝数比为25:1,下列说法正确的(  )

查看答案和解析>>

科目:高中物理 来源:2011年河北省唐山市高考物理二模试卷(解析版) 题型:选择题

配电变压器指配电系统中变换交流电压和电流的一种电器,如图为某理想变压器示意图,原副线圈匝数比为25:1,下列说法正确的( )

A.若原线圈的输入电压最大值为10kV,则电压表的示数为400V
B.若由于某种原因导致输入电压降低,则为了保证用户的正常用电,应增加副线圈的匝数
C.若输入电压不变,闭合电键s,电压表和电流表示数均减小
D.若输入电压不变,闭合电键s,原线圈中的电流将变大

查看答案和解析>>

科目:高中物理 来源:2011届河北省唐山市高三第二次模拟考试理科物理卷 题型:单选题

配电变压器指配电系统中变换交流电压和电流的一种电器,如图为某理想变压器示意图,原副线圈匝数比为25:1,下列说法正确的(   )

A.若原线圈的输入电压最大值为10kV,则电压表的示数为400V
B.若由于某种原因导致输入电压降低,则为了保证用户的正常用电,应增加副线圈的匝数
C.若输入电压不变,闭合电键s,电压表和电流表示数均减小
D.若输入电压不变,闭合电键s,原线圈中的电流将变大

查看答案和解析>>

科目:高中物理 来源: 题型:多选题

配电变压器指配电系统中变换交流电压和电流的一种电器,如图为某理想变压器示意图,原副线圈匝数比为25:1,下列说法正确的


  1. A.
    若原线圈的输入电压最大值为10kV,则电压表的示数为400V
  2. B.
    若由于某种原因导致输入电压降低,则为了保证用户的正常用电,应增加副线圈的匝数
  3. C.
    若输入电压不变,闭合电键s,电压表和电流表示数均减小
  4. D.
    若输入电压不变,闭合电键s,原线圈中的电流将变大

查看答案和解析>>


同步练习册答案