精英家教网 > 高中物理 > 题目详情
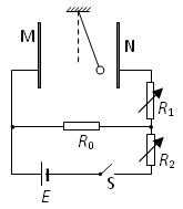
如图所示,M、N是竖直放置的平行板电容器的两个极板,R0为定值电阻,R1、R2为可调电阻,用绝缘细线将质量为m、电荷量为+q的小球悬于电容器内部.闭合开关S,设法让小球做小角度摆动,测得周期为T.调节R1、R2,关于该摆做小角度振动的周期的判断,正确的是(小球摆动时不会碰极板)(  )
A.保持R1不变,增大R2时,周期小于T
B.保持R1不变,增大R2时,周期大于T
C.保持R2不变,增大R1时,周期小于T
D.保持R2不变,增大R1时,周期大于T
魔方格
相关习题

科目:高中物理 来源: 题型:

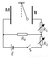
如图所示,M、N是竖直放置的平行板电容器的两个极板,R0为定值电阻,R1、R2为可调电阻,用绝缘细线将质量为m、电荷量为+q的小球悬于电容器内部,闭合开关后,小球处于静止状态,现要使小球静止时细线与竖直方向的夹角变大(始终不与极板接触),正确操作的是(  )

查看答案和解析>>

科目:高中物理 来源: 题型:

精英家教网如图所示,M、N是竖直放置的平行板电容器的两个极板,R0为定值电阻,R1、R2为可调电阻,用绝缘细线将质量为m、电荷量为+q的小球悬于电容器内部.闭合开关S,设法让小球做小角度摆动,测得周期为T.调节R1、R2,关于该摆做小角度振动的周期的判断,正确的是(小球摆动时不会碰极板)(  )

查看答案和解析>>

科目:高中物理 来源:2011年河南省三门峡市高三上学期调研考试物理卷 题型:选择题

如图所示,M、N是竖直放置的平行板电容器的两个极板,为定值电阻,为可调电阻,用绝缘细线将质量为m、电荷量为 + q的小球悬于电容器内部,闭合开关后,小球处于静止状态,现要使小球静止时细线与竖直方向的夹角变大(始终不与极板接触),正确操作的是

A.仅增大

B.仅减小

C.仅增大

 D.仅将两极板间的距离减小

 

 

查看答案和解析>>

科目:高中物理 来源:2010-2011学年河北省承德市联校高三上学期期末联考物理试卷 题型:选择题

如图所示,M、N是竖直放置的平行板电容器的两个极板,R0为定值电阻,R1、R2为可调电阻,用绝缘细线将质量为m、电荷量为 + q的小球悬于电容器内部。闭合开关S,设法让小球做小角度摆动,测得周期为T。调节R1、R2,关于该摆做小角度振动的周期的判断,正确的是(小球摆动时不会碰极板)

    A.保持R1不变,增大R2时,周期小于T

    B.保持R1不变,增大R2时,周期大于T

    C.保持R2不变,增大R1时,周期小于T

    D.保持R2不变,增大R1时,周期大于T

 

查看答案和解析>>

科目:高中物理 来源:武昌区模拟 题型:单选题

如图所示,M、N是竖直放置的平行板电容器的两个极板,R0为定值电阻,R1、R2为可调电阻,用绝缘细线将质量为m、电荷量为+q的小球悬于电容器内部.闭合开关S,设法让小球做小角度摆动,测得周期为T.调节R1、R2,关于该摆做小角度振动的周期的判断,正确的是(小球摆动时不会碰极板)(  )
A.保持R1不变,增大R2时,周期小于T
B.保持R1不变,增大R2时,周期大于T
C.保持R2不变,增大R1时,周期小于T
D.保持R2不变,增大R1时,周期大于T
精英家教网

查看答案和解析>>

科目:高中物理 来源:2011-2012学年河南省三门峡市高三(上)调研物理试卷(11月份)(解析版) 题型:选择题

如图所示,M、N是竖直放置的平行板电容器的两个极板,R为定值电阻,R1、R2为可调电阻,用绝缘细线将质量为m、电荷量为+q的小球悬于电容器内部,闭合开关后,小球处于静止状态,现要使小球静止时细线与竖直方向的夹角变大(始终不与极板接触),正确操作的是( )

A.仅增大R2
B.仅减小R2
C.仅增大R1
D.仅将两极板间的距离减小

查看答案和解析>>

科目:高中物理 来源:2010-2011学年湖北省武汉市武昌区高三(上)调研物理试卷(1月份)(解析版) 题型:选择题

如图所示,M、N是竖直放置的平行板电容器的两个极板,R为定值电阻,R1、R2为可调电阻,用绝缘细线将质量为m、电荷量为+q的小球悬于电容器内部.闭合开关S,设法让小球做小角度摆动,测得周期为T.调节R1、R2,关于该摆做小角度振动的周期的判断,正确的是(小球摆动时不会碰极板)( )

A.保持R1不变,增大R2时,周期小于T
B.保持R1不变,增大R2时,周期大于T
C.保持R2不变,增大R1时,周期小于T
D.保持R2不变,增大R1时,周期大于T

查看答案和解析>>

科目:高中物理 来源:不详 题型:单选题

如图所示,M、N是竖直放置的平行板电容器的两个极板,为定值电阻,为可调电阻,用绝缘细线将质量为m、电荷量为 + q的小球悬于电容器内部,闭合开关后,小球处于静止状态,现要使小球静止时细线与竖直方向的夹角变大(始终不与极板接触),正确操作的是
A.仅增大
B.仅减小
C.仅增大
D.仅将两极板间的距离减小

查看答案和解析>>

科目:高中物理 来源: 题型:多选题

如图所示,M、N是竖直放置的平行板电容器的两个极板,R0为定值电阻,R1、R2为可调电阻,用绝缘细线将质量为m、电荷量为+q的小球悬于电容器内部,闭合开关后,小球处于静止状态,现要使小球静止时细线与竖直方向的夹角变大(始终不与极板接触),正确操作的是


  1. A.
    仅增大R2
  2. B.
    仅减小R2
  3. C.
    仅增大R1
  4. D.
    仅将两极板间的距离减小

查看答案和解析>>

科目:高中物理 来源: 题型:单选题

如图所示,M、N是竖直放置的平行板电容器的两个极板,R0为定值电阻,R1、R2为可调电阻,用绝缘细线将质量为m、电荷量为 + q的小球悬于电容器内部。闭合开关S,设法让小球做小角度摆动,测得周期为T。调节R1、R2,关于该摆做小角度振动的周期的判断,正确的是(小球摆动时不会碰极板)


  1. A.
    保持R1不变,增大R2时,周期小于T
  2. B.
    保持R1不变,增大R2时,周期大于T
  3. C.
    保持R2不变,增大R1时,周期小于T
  4. D.
    保持R2不变,增大R1时,周期大于T

查看答案和解析>>


同步练习册答案