精英家教网 > 高中物理 > 题目详情
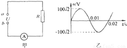
在如图甲所示的电路中,电阻R的阻值为50Ω,在ab间加上图乙所示的正弦交流电,则下面说法中正确的是(  )
A.交流电压的有效值为100V
B.电流表示数为2A
C.产生该交流电的线圈在磁场中转动的角速度为3.14rad/s
D.如果产生该交流电的线圈转速提高一倍,则电流表的示数也增大一倍
魔方格
相关习题

科目:高中物理 来源: 题型:

在如图甲所示的电路中,电阻R的阻值为50Ω,在ab间加上图乙所示的正弦交流电,则下面说法中正确的是(  )

查看答案和解析>>

科目:高中物理 来源: 题型:

在如图甲所示的电路中,电阻R的阻值为50Ω,在ab间加上图乙所示的正弦交流电,则下面说法中正确的是(  )

查看答案和解析>>

科目:高中物理 来源: 题型:

精英家教网在如图甲所示的电路中,电阻R的阻值为50Ω,在ab间加上图乙所示的正弦交流电,则下面说法中正确的是(  )

查看答案和解析>>

科目:高中物理 来源: 题型:

精英家教网在如图甲所示的电路中,电阻R的阻值为50Ω,在ab间加上图乙所示的正弦交流电,则
(1)电流表的示数为
 

(2)如果如果产生该交流电的线圈转速提高一倍,则电流表的示数变为
 

查看答案和解析>>

科目:高中物理 来源:不详 题型:多选题

在如图甲所示的电路中,电阻R的阻值为50Ω,在ab间加上图乙所示的正弦交流电,则下面说法中正确的是(  )
A.交流电压的有效值为100V
B.电流表示数为2A
C.产生该交流电的线圈在磁场中转动的角速度为3.14rad/s
D.如果产生该交流电的线圈转速提高一倍,则电流表的示数也增大一倍
精英家教网

查看答案和解析>>

科目:高中物理 来源:2012-2013学年广东省汕头四中高三(上)月考物理试卷(12月份)(解析版) 题型:选择题

在如图甲所示的电路中,电阻R的阻值为50Ω,在ab间加上图乙所示的正弦交流电,则下面说法中正确的是( )
A.交流电压的有效值为100V
B.电流表示数为2A
C.交流电的频率为0.02Hz
D.交流电的表达式为U=100sin100πt(V)

查看答案和解析>>

科目:高中物理 来源:2012年辽宁省沈阳市和平区东北育才学校高考物理五模试卷(解析版) 题型:选择题

在如图甲所示的电路中,电阻R的阻值为50Ω,在ab间加上图乙所示的正弦交流电,则下面说法中正确的是( )
A.交流电压的有效值为100V
B.电流表示数为2A
C.产生该交流电的线圈在磁场中转动的角速度为3.14rad/s
D.如果产生该交流电的线圈转速提高一倍,则电流表的示数也增大一倍

查看答案和解析>>

科目:高中物理 来源: 题型:

(6分)在如图甲所示的电路中,电阻R的阻值为50Ω,在ab间加上图乙所示的正弦交流电,则

   

(1)电流表的示数为          

(2)如果如果产生该交流电的线圈转速提高一倍,则电流表的示数变为             

查看答案和解析>>

科目:高中物理 来源: 题型:

在如图甲所示的电路中,电阻R的阻值为50Ω,在ab间加上图乙所示的正弦交流电,则下面说法中正确的是

       A.交流电压的有效值为100V

       B.电流表示数为2A

       C.产生该交流电的线圈在磁场中转动的角速度为3.14rad/s

       D.如果产生该交流电的线圈转速提高一倍,则电流表的示数也增大一倍

查看答案和解析>>

科目:高中物理 来源: 题型:

在如图甲所示的电路中,电阻R的阻值为50Ω,在ab间加上图乙所示的正弦交流电,则下面说法中正确的是      

A.交流电压的有效值为100V  

B.电流表示数为2A

C.交流电的频率为0.02Hz

D.交流电的表达式为U=100sin100t(V)

查看答案和解析>>


同步练习册答案