精英家教网 > 高中物理 > 题目详情
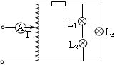
如图所示,接在照明电路中的自耦变压器的副线圈上通过输电线接有三个灯泡L1、L2和L3,输电线的等效电阻为R.当滑动触头P向上移动一段距离后,下列说法正确的是(  )
A.等效电阻R上消耗的功率变大
B.三个灯泡都变亮
C.原线圈两端的输入电压减小
D.原线圈中电流表示数减小
魔方格
相关习题

科目:高中物理 来源: 题型:

如图所示,接在照明电路中的自耦变压器的副线圈上通过输电线接有三个灯泡L1、L2和L3,输电线的等效电阻为R.当滑动触头P向上移动一段距离后,下列说法正确的是(  )

查看答案和解析>>

科目:高中物理 来源:2011-2012学年浙江省招生仿真理科综合物理试卷(解析版) 题型:选择题

如图所示,接在照明电路中的自耦变压器的副线圈上通过输电线接有三个灯泡L1、L2和L3,输电线的等效电阻为R。当滑动触头P向上移动一段距离后,下列说法正确的是:(      )

A.等效电阻R上消耗的功率变小      B.三个灯泡都变暗

C.原线圈两端的输入电压增大        D.原线圈中电流表示数减小

 

查看答案和解析>>

科目:高中物理 来源:不详 题型:单选题

如图所示,接在照明电路中的自耦变压器的副线圈上通过输电线接有三个灯泡L1、L2和L3,输电线的等效电阻为R.当滑动触头P向上移动一段距离后,下列说法正确的是(  )
A.等效电阻R上消耗的功率变大
B.三个灯泡都变亮
C.原线圈两端的输入电压减小
D.原线圈中电流表示数减小
精英家教网

查看答案和解析>>

科目:高中物理 来源:2011-2012学年江西省宜春市高安二中高三(上)月考物理试卷(解析版) 题型:选择题

如图所示,接在照明电路中的自耦变压器的副线圈上通过输电线接有三个灯泡L1、L2和L3,输电线的等效电阻为R.当滑动触头P向上移动一段距离后,下列说法正确的是( )

A.等效电阻R上消耗的功率变大
B.三个灯泡都变亮
C.原线圈两端的输入电压减小
D.原线圈中电流表示数减小

查看答案和解析>>

科目:高中物理 来源:不详 题型:单选题

如图所示,接在照明电路中的自耦变压器的副线圈上通过输电线接有三个灯泡L1、L2和L3,输电线的等效电阻为R。当滑动触头P向上移动一段距离后,下列说法正确的是:(     )
A.等效电阻R上消耗的功率变小B.三个灯泡都变暗
C.原线圈两端的输入电压增大D.原线圈中电流表示数减小

查看答案和解析>>

科目:高中物理 来源: 题型:多选题

如图所示,接在照明电路中的自耦变压器的副线圈上通过输电线接有三个灯泡L1、L2和L3,输电线的等效电阻为R。当滑动触头P向上移动一段距离后,下列说法正确的是


  1. A.
    等效电阻R上消耗的功率变小
  2. B.
    三个灯泡都变暗
  3. C.
    原线圈两端的输入电压增大
  4. D.
    原线圈中电流表示数减小

查看答案和解析>>

科目:高中物理 来源:陕西省模拟题 题型:不定项选择

如图所示,接在照明电路中的自耦变压器的副线圈上通过输电线接有三个灯泡L1、L2和L3,输电线的等效电阻为R。当滑动触头P向上移动一段距离后,下列说法正确的是
[     ]
A.等效电阻R上消耗的功率变大  
B.三个灯泡都变亮
C.原线圈两端的输入电压减小  
D.原线圈中电流表示数减小

查看答案和解析>>

科目:高中物理 来源: 题型:

如图所示,接在照明电路中的自耦变压器的副线圈上通过输电线接有三个灯泡L1、L2和L3,输电线的等效电阻为R。当滑动触头P向上移动一段距离后,下列说法正确的是

A.等效电阻R上消耗的功率变大   B.三个灯泡都变亮

C.原线圈两端的输入电压减小  D.原线圈中电流表示数减小

 


查看答案和解析>>

科目:高中物理 来源:2012届浙江省普通高等学校招生仿真理科综合物理试卷(带解析) 题型:单选题

如图所示,接在照明电路中的自耦变压器的副线圈上通过输电线接有三个灯泡L1、L2和L3,输电线的等效电阻为R。当滑动触头P向上移动一段距离后,下列说法正确的是:(     )

A.等效电阻R上消耗的功率变小B.三个灯泡都变暗
C.原线圈两端的输入电压增大D.原线圈中电流表示数减小

查看答案和解析>>

科目:高中物理 来源: 题型:

(2013?龙江县三模)如图所示,接在照明电路中的自耦变压器的副线圈上通过输电线接有三个灯泡L1、L2和L3,输电线的等效电阻为R.当滑动触头P向上移动一段距离后,下列说法正确的是(  )

查看答案和解析>>


同步练习册答案