精英家教网 > 初中物理 > 题目详情
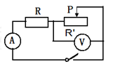
如图所示,当开关S闭合后,滑动变阻器的滑片P向左滑动时,电压表的示数和灯泡L的亮度的变化情况是(  )
A.电压表的示数变小,灯泡L变亮
B.电压表的示数变大,灯泡L变亮
C.电压表的示数变大,灯泡L变暗
D.电压表的示数变小,灯泡L变暗
魔方格
相关习题

科目:初中物理 来源: 题型:

精英家教网如图所示,当开关S闭合后,滑动变阻器滑片P在B点时,电压表示数为4.5V,电流表示数为0.15A;滑片P在中点C时电压表的示数为3V.求:
(1)滑动变阻器R1的最大阻值;
(2)电源的电压;
(3)电路的最大功率.

查看答案和解析>>

科目:初中物理 来源: 题型:

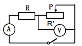
5、如图所示,当开关S闭合后,滑动变阻器的滑片向左移动时,下列说法正确的是(  )

查看答案和解析>>

科目:初中物理 来源: 题型:

如图所示,当开关S闭合后,滑动变阻器滑片p在B端时,电压表示数为9V,电流表示数为0.15A;滑片P在中点C时电压表的示数为6V.求:
(1)滑动变阻器R1的最大阻值  
(2)电源电压和R2的阻值.

查看答案和解析>>

科目:初中物理 来源: 题型:

如图所示,当开关S闭合后,滑动变阻器的滑片P向右滑动时(电压U不变),则电流表和电压表的示数将(  )

查看答案和解析>>

科目:初中物理 来源: 题型:

如图所示,当开关S闭合后,滑动变阻器滑片向右移动,电磁铁磁性将
增强
增强
(选填“增强”或“减弱”),在图中标出电磁铁的N、S极.

查看答案和解析>>

科目:初中物理 来源: 题型:

如图所示,当开关S闭合后,滑动变阻器P在向左滑动的过程中,电流表示数将________,电压表示数将________________。(选填“变大”“变小”或“不变”)

 

查看答案和解析>>

科目:初中物理 来源: 题型:

如图所示,当开关S闭合后,滑动变阻器P在向左滑动的过程中,电流表示数将________,电压表示数将________________。(选填“变大”“变小”或“不变”)

查看答案和解析>>

科目:初中物理 来源:2012届四川省仁寿县联谊学校九年级下学期第一次调考物理卷 题型:填空题

如图所示,当开关S闭合后,滑动变阻器P在向左滑动的过程中,电流表示数将________,电压表示数将________________。(选填“变大”“变小”或“不变”)

查看答案和解析>>

科目:初中物理 来源:2013届江苏省常州市七校九年级上学期12月联考物理试卷(带解析) 题型:计算题

如图所示,当开关S闭合后,滑动变阻器滑片p在B端时,电压表示数为9V,电流表示数为0.15 A;滑片P在中点C时电压表的示数为6V.

求:(1)滑动变阻器R1的最大阻值 
(2)电源电压和R2的阻值.

查看答案和解析>>

科目:初中物理 来源:2012-2013学年江苏省常州市七校九年级上学期12月联考物理试卷(解析版) 题型:计算题

如图所示,当开关S闭合后,滑动变阻器滑片p在B端时,电压表示数为9V,电流表示数为0.15 A;滑片P在中点C时电压表的示数为6V.

  

求:(1)滑动变阻器R1的最大阻值 

(2)电源电压和R2的阻值.

 

查看答案和解析>>


同步练习册答案