相关习题
 0  74904  74912  74918  74922  74928  74930  74934  74940  74942  74948  74954  74958  74960  74964  74970  74972  74978  74982  74984  74988  74990  74994  74996  74998  74999  75000  75002  75003  75004  75006  75008  75012  75014  75018  75020  75024  75030  75032  75038  75042  75044  75048  75054  75060  75062  75068  75072  75074  75080  75084  75090  75098  235360 

科目: 来源:2013-2014学年新人教版九年级(上)期末物理检测卷C(二)(解析版) 题型:选择题

下列各组物体中,在通常情况下全部属于绝缘体的一组是( )
A.塑料尺子、石灰水、石墨
B.铜导线、电工胶布、橡皮手套
C.陶瓷、花生油、电木
D.水银、氢氧化钠溶液、铁导线

查看答案和解析>>

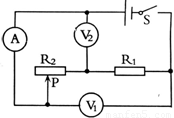
科目: 来源:2013-2014学年新人教版九年级(上)期末物理检测卷C(二)(解析版) 题型:选择题

如图所示的电路图中,电源电压保持不变,闭合开关S后,将滑动变阻器R2的滑片P向左滑动,下列说法正确的是( )

A.电流表A的示数变小,电压表V1的示数变大
B.电流表A的示数变小,电压表V1的示数不变
C.电压表V1与电压表V2的示数之和不变
D.电压表V2与电流表A的示数之比不变

查看答案和解析>>

科目: 来源:2013-2014学年新人教版九年级(上)期末物理检测卷C(二)(解析版) 题型:选择题

额定功率为800W的用电器可能是( )
A.家用微波炉
B.电子手表
C.电视机
D.家用照明灯

查看答案和解析>>

科目: 来源:2013-2014学年新人教版九年级(上)期末物理检测卷C(二)(解析版) 题型:选择题

在如图所示的各种家用电器中,利用电流热效应工作的是( )
A.
洗衣机
B.
电风扇
C.
电饭锅
D.抽油烟机

查看答案和解析>>

科目: 来源:2013-2014学年新人教版九年级(上)期末物理检测卷C(二)(解析版) 题型:选择题

下列关于如图所示现象的说法,正确的是( )

A.甲图:抽去玻璃隔板后,两瓶中的气体逐渐混合,这是气体的扩散现象
B.乙图:试管内的水沸腾后,软木塞从试管口飞出时,软木塞的机械能转化为内能
C.丙图:向上提拉与水面接触的玻璃板,弹簧测力计示数变大,说明分子间存在引力
D.丁图:拉动绕在金属管外的皮绳,橡皮塞从金属管口飞出,说明分子在永不停息地运动

查看答案和解析>>

科目: 来源:2013-2014学年新人教版九年级(上)期末物理检测卷C(二)(解析版) 题型:选择题

如图,只闭合开关S1,灯L1、L2都发光;再闭合开关S2,下列说法正确的是( )

A.灯L1变暗
B.灯L2变暗
C.电流表示数变大
D.电路的总功率变小

查看答案和解析>>

科目: 来源:2013-2014学年新人教版九年级(上)期末物理检测卷C(二)(解析版) 题型:选择题

如图所示,电源电压恒为4.5V,电压表量程为0~3V,滑动变阻器规格为“20Ω 1A”,灯泡L标有“2.5V 1.25W”,在不损坏电路元件的情况下,下列判断正确的是( )

A.电路中电流变化的范围是0.3~0.5 A
B.灯泡的最小功率是0.162 W
C.滑动变阻器阻值变化的范围是2.5~10Ω
D.该电路的最大功率是2.25 W

查看答案和解析>>

科目: 来源:2013-2014学年新人教版九年级(上)期末物理检测卷C(二)(解析版) 题型:解答题

根据图所示的实物电路,在虚方框内画出对应的电路图.

查看答案和解析>>

科目: 来源:2013-2014学年新人教版九年级(上)期末物理检测卷C(二)(解析版) 题型:解答题

根据图所示的电路图,用笔画线代替导线,连接实物电路(要求导线不能交叉).

查看答案和解析>>

科目: 来源:2013-2014学年新人教版九年级(上)期末物理检测卷C(二)(解析版) 题型:解答题

无论是白天还是夜晚,人们漫步在海滨,会感到习习海风迎面吹拂,十分畅快.这样的风非常柔和,通常情况下,它白天从海上吹向陆地,夜晚从陆地吹向海上(如图),气象上把这种风称为“海陆风”.请你运用学过的物理知识说明海陆风形成的原因.

查看答案和解析>>

同步练习册答案