相关习题
 0  75789  75797  75803  75807  75813  75815  75819  75825  75827  75833  75839  75843  75845  75849  75855  75857  75863  75867  75869  75873  75875  75879  75881  75883  75884  75885  75887  75888  75889  75891  75893  75897  75899  75903  75905  75909  75915  75917  75923  75927  75929  75933  75939  75945  75947  75953  75957  75959  75965  75969  75975  75983  235360 

科目: 来源:2012-2013学年重庆一中九年级(上)期末物理试卷(解析版) 题型:填空题

如图,测电笔是常用的电工工具,它的设计和使用应用了不少物理知识.请你指出这种工具在设计、结构上或使用中涉及到的物理现象,并写出所依据的物理知识.
你发现的物理现象:   
物理知识:   

查看答案和解析>>

科目: 来源:2012-2013学年重庆一中九年级(上)期末物理试卷(解析版) 题型:填空题

如图所示,在观察奥斯特实验时,小明注意到置于通电直导线下方小磁针的N极向纸内偏转.小明由此推测:若电子沿着水平方向平行地飞过磁针上方时,小磁针也将发生偏转.请你说出小明推测的依据是:    ,你认为磁针的N极会向    (选填“纸内”或”纸外”)偏转.

查看答案和解析>>

科目: 来源:2012-2013学年重庆一中九年级(上)期末物理试卷(解析版) 题型:解答题

在老师的指导下,小刚和小红在家里通过实验探究“220V 60W”和“220V 15W”的白炽灯接到电路中哪个更亮.小刚的实验结论是“220V 60W”灯泡更亮,小红却得出了与小刚相反的结论.请你在下面虚线框内完成小红在家实验时的电路和三孔插座的连接.

查看答案和解析>>

科目: 来源:2012-2013学年重庆一中九年级(上)期末物理试卷(解析版) 题型:填空题

在“测定小灯泡的电功率”的实验中,已知小灯泡的额定电压为3.8V.

(1)请完成上图中的电路连接,要求滑动变阻器滑片右移时灯泡变亮;
(2)某同学连接好电路后,闭合开关移动滑片,发现小灯泡亮度始终较暗,电压表、电流表均有示数,出现这种现象的原因可能是    ;有同学按图示连好电路,调节滑动变阻器的过程中小灯泡却突然熄灭而电压表有示数,此时观察电流表和电压表的示数应该分别为    A和    V;
(3)接线正确后,闭合开关,移动滑动变阻器的滑片到某一点,电压表的示数如图甲所示,为    V,要测量小灯泡的额定功率,应将滑片P向    端(填“A”或“B”端)的方向滑动;
(4)当小灯泡正常发光时,电流表的示数如图乙所示,则小灯泡的额定功率是    W.
(5)该同学在对测量数据的记录和处理时设计了如下表格,你认为这张表格的设计是    (选填“正确”或“错误”)的.
次数U/VI/AP/W平均值P/W
1
2
3

查看答案和解析>>

科目: 来源:2012-2013学年重庆一中九年级(上)期末物理试卷(解析版) 题型:填空题

如图所示,当S2断开,S1、S3闭合时,电压表的示数为6V,电流表的示数为0.3A;当S2闭合,S1、S3断开时,电压表的示数为4V.则R1=    Ω,R2=    Ω.

查看答案和解析>>

科目: 来源:2012-2013学年重庆一中九年级(上)期末物理试卷(解析版) 题型:填空题

PTC是一种新型的半导体陶瓷材料,它的发热效率较高,PTC有一个人为设定的温度.当它的温度低于设定温度时,其电阻值会随它的温度升高而变小;当它的温度高于设定温度时,其电阻值随它的温度升高而变大.如图1所示的陶瓷电热水壶就使用了这种材料.它的工作电路如图2所示,R是定值电阻,其阻值不受温度的影响.RT是PTC的电阻,它的电阻值与温度的关系如图3所示.该电热水壶在RT设定温度状态工作时,电路消耗的总功率1100W.  

(1)R的阻值为多少?
(2)当RT的温度为130℃时,电路中RT的实际功率为多少?

查看答案和解析>>

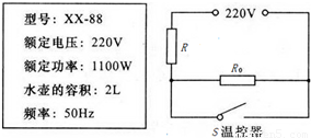
科目: 来源:2012-2013学年重庆一中九年级(上)期末物理试卷(解析版) 题型:解答题

有一种电水壶的铭牌如下表,右图是电水壶的电路图,R为加热器,温控器S是一个双金属片温控开关,当温度较低时,S处于闭合状态,加热器加热;当水沸腾后,S会自动断开进入保温状态,从而实现自动温度开关控制.若加热器电阻阻值随温度改变而发生的变化忽略不计,则:
(1)若该电水壶产生热量的80%被水吸收,那么用该电水壶将一壶23℃的水在标准大气压下烧开需要多长时间?[c=4.2×103J/].
(2)经测定该电水壶正常保温时的保温功率为44W,求R的阻值.

查看答案和解析>>

科目: 来源:2007-2008学年浙江省杭州二中九年级(上)期末物理试卷(解析版) 题型:填空题

明代航海家郑和率庞大的船队远航非洲,所用的帆船不用发动机就可航行,这就是有效地利用了自然界中的    能;它也进一步说明了能量可以    .(选填“转化”或“转移”)

查看答案和解析>>

科目: 来源:2007-2008学年浙江省杭州二中九年级(上)期末物理试卷(解析版) 题型:填空题

在公路上急驶的汽车急刹车时,车轮停止转动,此时轮胎表面温度会急剧升高产生冒烟现象,并在地面上留下黑色痕迹,在上述过程中发生    能向    能转化.

查看答案和解析>>

科目: 来源:2007-2008学年浙江省杭州二中九年级(上)期末物理试卷(解析版) 题型:填空题

小刚在操场上练习爬竿,当他从竿的顶端滑向地面对,握竿的手感到很烫,这是通过    的方法使手的内能   

查看答案和解析>>

同步练习册答案