相关习题
0 77637 77645 77651 77655 77661 77663 77667 77673 77675 77681 77687 77691 77693 77697 77703 77705 77711 77715 77717 77721 77723 77727 77729 77731 77732 77733 77735 77736 77737 77739 77741 77745 77747 77751 77753 77757 77763 77765 77771 77775 77777 77781 77787 77793 77795 77801 77805 77807 77813 77817 77823 77831 235360
科目:
来源:2012-2013学年江西省赣州市定南县鹅公中学九年级(上)月考物理试卷(12月份)(解析版)
题型:填空题
用一个带电小球靠近另一个轻质小球,如果出现 现象,则不能判断轻质小球是否带电,如果出现相互 现象,则可以判断轻质小球一定带电.
查看答案和解析>>
科目:
来源:2012-2013学年江西省赣州市定南县鹅公中学九年级(上)月考物理试卷(12月份)(解析版)
题型:填空题
一个导体两端加4V电压时,通过它的电流强度为0.8A,当把它两端电压变为6V时,通过它的电流为 A,它的电阻为 Ω.
查看答案和解析>>
科目:
来源:2012-2013学年江西省赣州市定南县鹅公中学九年级(上)月考物理试卷(12月份)(解析版)
题型:填空题
在进行英语听力测试时,各考场的有线扬声器是同时开播,也是同时停播的.它们的连接方式是 联,原因是它们 (选填“能”或“不能”)独立工作.
查看答案和解析>>
科目:
来源:2012-2013学年江西省赣州市定南县鹅公中学九年级(上)月考物理试卷(12月份)(解析版)
题型:填空题
如图所示的电路中,电源电压不变,闭合开关S后,当滑动变阻器的滑片从左向右移动时,电流表的示数
,电压表的示数
.(选填“变大”、“变小”或“不变”)

查看答案和解析>>
科目:
来源:2012-2013学年江西省赣州市定南县鹅公中学九年级(上)月考物理试卷(12月份)(解析版)
题型:填空题
在解决物理问题的过程中,我们常常会用到一些隐含的已知条件.
(1)将用电器接到家庭电路中 隐含条件:家庭电路的电压为 ;
(2)给遥控器换上两节新的干电池 隐含条件:遥控器电源电压为 .
查看答案和解析>>
科目:
来源:2012-2013学年江西省赣州市定南县鹅公中学九年级(上)月考物理试卷(12月份)(解析版)
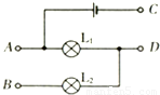
题型:填空题

如图所示,若只需灯L
1发光,则需用导线只连接
接线柱;若只用导线连接B、C接线柱,则灯L
1、L
2 联;若使灯L
1、L
2并联,则接线柱A与B连接,接线柱C与
连接.
查看答案和解析>>
科目:
来源:2012-2013学年江西省赣州市定南县鹅公中学九年级(上)月考物理试卷(12月份)(解析版)
题型:选择题
关于比热容,下列说法中正确的是( )
A.物体的比热容跟物体吸收和放出的热量有关
B.物体的比热容与物体的温度有关
C.物体的比热容与跟物体的质量有关
D.物体的比热容是物体的一种属性,与温度、质量都没有关系
查看答案和解析>>
科目:
来源:2012-2013学年江西省赣州市定南县鹅公中学九年级(上)月考物理试卷(12月份)(解析版)
题型:选择题
如图所示,当开关S闭合,滑动变阻器的滑片P向右移动时( )

A.电流表示数增大,电压表示数减小
B.电流表示数减小,电压表示数增大
C.电流表示数增大,电压表示数增大
D.电流表示数减小,电压表示数减小
查看答案和解析>>
科目:
来源:2012-2013学年江西省赣州市定南县鹅公中学九年级(上)月考物理试卷(12月份)(解析版)
题型:选择题
如图所示,以下判断中不正确的是( )

A.S断开,两盏灯均发光
B.S断开,两盏灯是并联连接
C.S闭合,电源被短路,两盏灯都不发光
D.S断开,电源被短路
查看答案和解析>>
科目:
来源:2012-2013学年江西省赣州市定南县鹅公中学九年级(上)月考物理试卷(12月份)(解析版)
题型:选择题
在如图所示电路中,用电压表能测灯L
1两端电压的是( )
A.

B.

C.

D.

查看答案和解析>>