相关习题
0 78374 78382 78388 78392 78398 78400 78404 78410 78412 78418 78424 78428 78430 78434 78440 78442 78448 78452 78454 78458 78460 78464 78466 78468 78469 78470 78472 78473 78474 78476 78478 78482 78484 78488 78490 78494 78500 78502 78508 78512 78514 78518 78524 78530 78532 78538 78542 78544 78550 78554 78560 78568 235360
科目:
来源:2011-2012学年上海市杨浦区九年级(上)期末物理试卷(解析版)
题型:填空题
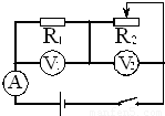
在如图所示的电路中,电源电压不变,当电键S由闭合到断开时,电流表A的示数将
,电压表V
1的示数将
.S断开后,将滑片向右移动,则电流表A的示数将
,电压表V
1示数与电压表V
2示数的比值将
.(均选填“变大”、“变小”或“不变”)

查看答案和解析>>
科目:
来源:2011-2012学年上海市杨浦区九年级(上)期末物理试卷(解析版)
题型:填空题
某同学通过实验研究圆柱体对水平面的压力作用效果与哪些因素有关,该同学选用若干个高度相同,不同材料组成的实心柱体竖直放置在同一水平细沙面上进行了三组实验,实验现象如图所示,发现每一组沙面的凹陷程度相同,而各组却不同.

(1)分析图(a)或(b)或(c),你认为该同学想研究压力作用效果与
的关系,从现象及相关条件可归纳得出的初步结论是:
.
(2)分析图(a)和(b)和(c),你认为该同学想研究压力作用效果与
的关系,从现象及相关条件可知:
.
查看答案和解析>>
科目:
来源:2011-2012学年上海市杨浦区九年级(上)期末物理试卷(解析版)
题型:解答题
如图所示,重15牛的物体放在斜面上,对斜面的压力为10牛.请在图中用力的图示法画出斜面受到的压力.

查看答案和解析>>
科目:
来源:2011-2012学年上海市杨浦区九年级(上)期末物理试卷(解析版)
题型:解答题
重为10牛的小球静止在水中,请用力的图示法在右图中画出小球受到的力.

查看答案和解析>>
科目:
来源:2011-2012学年上海市杨浦区九年级(上)期末物理试卷(解析版)
题型:解答题

在图中的〇里填上适当的电表符号,使之成为正确的电路图.
查看答案和解析>>
科目:
来源:2011-2012学年上海市杨浦区九年级(上)期末物理试卷(解析版)
题型:解答题
如图所示,一质量为0.15千克、底面积为2×10
-3米
2平底薄壁玻璃容器放在2米
2的水平桌面中央,内装有体积为1.5×10
-4米
3的水,水面距容器底的深度为0.1米.
求:①水对杯底的压强;
②水对杯底的压力;
③若在容器中轻轻放下一块质量为0.1千克的木块,木块漂浮在水面上,求木块浸在水中的体积.

查看答案和解析>>
科目:
来源:2011-2012学年上海市杨浦区九年级(上)期末物理试卷(解析版)
题型:解答题
如图所示电路,电源电压为18伏且保持不变,滑动变阻器R
2上标有“50Ω 1A”字样.闭合电键S,移动滑片,当电流表示数为0.8安,电压表V
2的示数为14V.
求:①电阻R
1的阻值;
②移动变阻器的滑片P,求电压表V
1的最大值.

查看答案和解析>>
科目:
来源:2011-2012学年上海市杨浦区九年级(上)期末物理试卷(解析版)
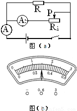
题型:解答题
如图(a)所示电路,电源电压保持不变,滑动变阻器R
2上标有“50Ω 2A”字样,闭合电键后,当滑片位于中点位置时,电流表A
1和A
2的示数均如图(b)所示,
求:①电源电压;
②R
1的阻值;
③不改变各电表量程,在电路安全工作的情况下,移动滑片使电流表A
2与A
1的示数的比值变大,当比值达到最大时,R
2连入电路的电阻值是多少?电流表A
2与A
1的示数的比值是多少?

查看答案和解析>>
科目:
来源:2011-2012学年上海市杨浦区九年级(上)期末物理试卷(解析版)
题型:解答题
如图所示,实心均匀正方体A、B放置在水平地面上,它们的高度分别为0.2米和0.1米,A的密度为2×10
3千克/米
3,B质量为1千克.
求:①A的质量;
②B对水平地面的压强;
③若在正方体A、B上沿竖直方向按相同比例n截下一部分,并将截下的部分分别叠放在对方剩余部分上,这时A、B剩余部分对水平地面的压强为p
A′、p
B′,请通过计算比较它们的大小关系及其对应的比例n的取值范围.

查看答案和解析>>
科目:
来源:2011-2012学年上海市杨浦区九年级(上)期末物理试卷(解析版)
题型:解答题
托盘天平是物理实验中常用的实验测量仪器.在使用前调节天平时,要将游码移动到______,若此时观察到如图所示的现象,这时应进行的操作是______.请你从学习过的实验中例举一个使用托盘天平作为测量仪器的物理实验:______.

查看答案和解析>>