相关习题
 0  79791  79799  79805  79809  79815  79817  79821  79827  79829  79835  79841  79845  79847  79851  79857  79859  79865  79869  79871  79875  79877  79881  79883  79885  79886  79887  79889  79890  79891  79893  79895  79899  79901  79905  79907  79911  79917  79919  79925  79929  79931  79935  79941  79947  79949  79955  79959  79961  79967  79971  79977  79985  235360 

科目: 来源:2008-2009学年北京市密云县九年级(上)期末物理试卷(解析版) 题型:填空题

家庭电路的电压是     V.

查看答案和解析>>

科目: 来源:2008-2009学年北京市密云县九年级(上)期末物理试卷(解析版) 题型:填空题

对人体来讲,安全电压应不高于    伏.

查看答案和解析>>

科目: 来源:2008-2009学年北京市密云县九年级(上)期末物理试卷(解析版) 题型:填空题

如图所示,是电热水壶的三脚插头,其中A脚与热水壶金属外壳    .(选填“相连”或“不相连”)

查看答案和解析>>

科目: 来源:2008-2009学年北京市密云县九年级(上)期末物理试卷(解析版) 题型:填空题

在通过电磁铁的电流一定时,电磁铁线圈的匝数越多,产生的磁性越   

查看答案和解析>>

科目: 来源:2008-2009学年北京市密云县九年级(上)期末物理试卷(解析版) 题型:填空题

完全燃烧0.5m3的天然气,放出热量是    J.

查看答案和解析>>

科目: 来源:2008-2009学年北京市密云县九年级(上)期末物理试卷(解析版) 题型:填空题

一个额定电压为6V的小电动机,线圈电阻为2Ω.当它正常工作时,通过线圈的电流为0.5A,则1分钟内电流通过电动机消耗的电能与产生的热量之比是   

查看答案和解析>>

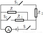
科目: 来源:2008-2009学年北京市密云县九年级(上)期末物理试卷(解析版) 题型:填空题

如图所示,电源电压不变,电阻R1=20Ω,R2=10Ω.当只闭合开关S1和S时,电流表的示数是2A;当只闭合开关S2和S时,电流表的示数是1.5A;则电源电压是    V.

查看答案和解析>>

科目: 来源:2008-2009学年北京市密云县九年级(上)期末物理试卷(解析版) 题型:解答题

如图所示,电压表的示数是______.

查看答案和解析>>

科目: 来源:2008-2009学年北京市密云县九年级(上)期末物理试卷(解析版) 题型:解答题

如图所示,是家庭电路的一部分.请把三孔插座、白炽灯和开关连入家庭电路.

查看答案和解析>>

科目: 来源:2008-2009学年北京市密云县九年级(上)期末物理试卷(解析版) 题型:解答题

如图所示,电能表的示数是______.

查看答案和解析>>

同步练习册答案