相关习题
0 80088 80096 80102 80106 80112 80114 80118 80124 80126 80132 80138 80142 80144 80148 80154 80156 80162 80166 80168 80172 80174 80178 80180 80182 80183 80184 80186 80187 80188 80190 80192 80196 80198 80202 80204 80208 80214 80216 80222 80226 80228 80232 80238 80244 80246 80252 80256 80258 80264 80268 80274 80282 235360
科目:
来源:2011-2012学年四川省德阳市中江县龙台中学九年级(上)期中物理试卷(解析版)
题型:解答题
如图所示是“探究物体温度变化时吸收热量多少跟哪些因素有关”的实验.实验时用两个相同的烧杯,装有质量相等的水和煤油,用两个同样的电热器同时加热,实验可观察到______的温度升高得快些;若使它们升高相同的温度,则______的加热时间要长些.实验表明:质量相同的不同物质,升高相同的温度,吸收的热量______,这反应了物质的一种特性,用______这个物理量来表示.

查看答案和解析>>
科目:
来源:2011-2012学年四川省德阳市中江县龙台中学九年级(上)期中物理试卷(解析版)
题型:解答题
某同学用0-3V量程的电压表测量某电路的两端电压是1.4V,另一同学用0-15V量程的电压表测量该电路的电压是1.5V,则该电路的电压应该取______V,理由是______.
查看答案和解析>>
科目:
来源:2011-2012学年四川省德阳市中江县龙台中学九年级(上)期中物理试卷(解析版)
题型:解答题
| 物质 | 比热容J/ |
| 铝 | 0.88×103 |
| 铁 | 0.46×103 |
| 铜 | 0.39×103 |
| 铅 | 0.13×103 |
质量为500g的金属块,当温度从20℃升高到100℃时,吸收的热量是1.84×10
4J 该金属块可能是什么物质?要通过计算说明.
查看答案和解析>>
科目:
来源:2011-2012学年四川省德阳市中江县龙台中学九年级(上)期中物理试卷(解析版)
题型:解答题
一种太阳能热水器在阳光充足时,在8h的时间内能够使质量200kg、温度25℃的水的温度升高到55℃.问:
(1)这些水吸收了多少J的热量?
(2)这些热量若改用燃烧液化气来提供,至少需多少kg热值是4.9×107J/kg的液化气?
(3)可是实际上,需要的液化气的质量要比你所计算的多,你认为主要原因有哪些?
查看答案和解析>>
科目:
来源:2011-2012学年江西省景德镇乐平市九年级(上)期末物理试卷(解析版)
题型:填空题
如图所示,一架空中加油机正在给一架战斗机加油,若它们的速度保持
,则战斗机的动能
.

查看答案和解析>>
科目:
来源:2011-2012学年江西省景德镇乐平市九年级(上)期末物理试卷(解析版)
题型:解答题
在水平地面上铺一张纸,将皮球表面涂黑,使其分别从不同高度处自由落下时,能在纸上留下黑色圆斑A、B.球从较高处落下所成的圆斑是其中的______(选“A”或“B”),你判断的依据是______.

查看答案和解析>>
科目:
来源:2011-2012学年江西省景德镇乐平市九年级(上)期末物理试卷(解析版)
题型:填空题
在物理实验课上,小明想观察直流电动机模型的工作情况,将其接入电路,各部分连接完好,结果电动机却不工作,他用手轻轻地碰了一下线圈后,直流电动机模型开始正常转动,其原因可能是 .
查看答案和解析>>
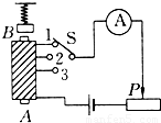
科目:
来源:2011-2012学年江西省景德镇乐平市九年级(上)期末物理试卷(解析版)
题型:填空题
如图所示,A是通电螺线管内的铁芯,B是悬挂在弹簧下的铁块,S是转换开关,要使弹簧的长度变短,可采取的办法:

①
;
②
;
③
.
查看答案和解析>>
科目:
来源:2011-2012学年江西省景德镇乐平市九年级(上)期末物理试卷(解析版)
题型:解答题
灯L
1与灯L
2串联,先用电压表测灯L
l两端的电压,如图所示.再测L
2两端电压时,只将电压表接A的一端改接C,这种接法______(填“正确”或“不正确”).理由是______.

查看答案和解析>>
科目:
来源:2011-2012学年江西省景德镇乐平市九年级(上)期末物理试卷(解析版)
题型:填空题
现在乐平市的汽车很多,很多家庭都购买了汽车,同学们知道汽车发动机是汽油机,那么单缸四冲程汽油机,完成一个工作循环,曲轴转过 度.
查看答案和解析>>