相关习题
0 80534 80542 80548 80552 80558 80560 80564 80570 80572 80578 80584 80588 80590 80594 80600 80602 80608 80612 80614 80618 80620 80624 80626 80628 80629 80630 80632 80633 80634 80636 80638 80642 80644 80648 80650 80654 80660 80662 80668 80672 80674 80678 80684 80690 80692 80698 80702 80704 80710 80714 80720 80728 235360
科目:
来源:2011-2012学年北京四中九年级(上)期中物理试卷(解析版)
题型:解答题
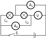
如图所示的电路中,电源电压和灯泡电阻都保持不变.开关S闭合后,电流表A
1、A
2的示数分别为0.9A、0.4A.若灯L
1的电阻为20Ω.
求:
(1)电源电压;
(2)灯L
2的电阻.

查看答案和解析>>
科目:
来源:2011-2012学年北京四中九年级(上)期中物理试卷(解析版)
题型:解答题
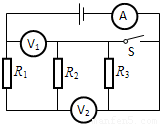
如图所示电路中,电源电压保持不变.当开关S断开时,电压表V
1、V
2示数分别U
1、U
2,电流表A的示数为I;当开关S闭合时,电压表V
1、V
2示数分别为U
1′、U
2′,电流表A的示数为I′.已知电阻R
1=30Ω,U
1:U
2=4:3,I=0.3A,U
1′:U
2′=4:1.求:
(1)R
2的阻值;
(2)电流表A的示数I′;
(3)当开关S断开时,将电压表V
1、V
2换成电流表A
1、A
2,此时电流表A的量程是0~3A,请通过计算判断S闭合后电流表A是否会损坏.

查看答案和解析>>
科目:
来源:2011-2012学年福建省三明市大田县九年级(上)期中物理试卷(解析版)
题型:选择题
某种物质的物态变化过程如图所示,该图象可以反映( )

A.玻璃的熔化过程
B.玻璃的凝固过程
C.海波的熔化过程
D.塑料的熔化过程
查看答案和解析>>
科目:
来源:2011-2012学年福建省三明市大田县九年级(上)期中物理试卷(解析版)
题型:选择题
喝开水时,怕开水烫嘴,甲同学向水面吹气,乙同学拿两个杯子把开水来回倒,对这两位同学的做法,下列说法中正确的是
( )
A.乙同学的做法是降低了温度,加快蒸发
B.甲、乙两同学的做法致冷效果相同
C.甲同学的做法是增大了蒸发的面积,加快蒸发
D.甲、乙两同学都利用了蒸发吸热致冷,使开水变凉
查看答案和解析>>
科目:
来源:2011-2012学年福建省三明市大田县九年级(上)期中物理试卷(解析版)
题型:选择题
关于物态变化与应用配对,不正确的是( )
A.用干冰人工降雨--升华吸热
B.夏天喝饮料,常在饮料中加冰块--熔化吸热
C.焦炭出炉时,须向红热的焦炭喷水--汽化吸热
D.夏天要下雨以前,地面上的水管常“冒汗”,即出现许多水珠--凝华放热
查看答案和解析>>
科目:
来源:2011-2012学年福建省三明市大田县九年级(上)期中物理试卷(解析版)
题型:选择题
开启啤酒瓶盖瞬间伴有“嘭”的一声,瓶口有一股“白烟”,下列说法正确是( )
A.瓶内外温度相等,啤酒内能不变
B.瓶内气体对外做功,啤酒内能增加
C.瓶口“白烟”是瓶内CO2液化形成的
D.瓶口“白烟”是瓶口水蒸气液化形成的
查看答案和解析>>
科目:
来源:2011-2012学年福建省三明市大田县九年级(上)期中物理试卷(解析版)
题型:选择题
在家洗澡的过程中,应用了不少物理知识,小丽总结了一些,但有一条是错误的,它是( )
A.电热水器将电能转化为内能
B.热水与皮肤之间发生了能量的转化
C.用洗澡巾搓背时用到了使接触面粗糙而增大摩擦力
D.洗完后用吹风机将头发吹干,是蒸发吸热的过程
查看答案和解析>>
科目:
来源:2011-2012学年福建省三明市大田县九年级(上)期中物理试卷(解析版)
题型:选择题
家用瓶装液化石油气的主要成分是烷烃和烯烃系列的混合物,1标准大气压下各成分的沸点如下表.液化石油气很难用尽,瓶内常有残留物,在大田县的日常温度(10℃-25℃)下,该残留物的主要成分是( )
| 物质名称 | 甲烷 | 乙烷 | 丙烷 | 丁烷 | 戊烷 | 乙烯 | 丙烯 | 丁烯 | 戊烯 |
| 沸点/℃ | -161.7 | -88.6 | -42.2 | -0.5 | 36.1 | -102.4 | -47.7 | -6.5 | 30.1 |
A.甲烷、乙烷、乙烯
B.丁烷、丁烯
C.戊烷、戊烯
D.丙烷、丙烯
查看答案和解析>>
科目:
来源:2011-2012学年福建省三明市大田县九年级(上)期中物理试卷(解析版)
题型:选择题
下列说法正确的是( )
A.减少热机的工作时间,可以提高热机的效率
B.一杯煤油倒去一半,其热值减小为原来的一半
C.体温计可以用沸水消毒
D.热水变凉的过程中,水放热,水的内能减小
查看答案和解析>>
科目:
来源:2011-2012学年福建省三明市大田县九年级(上)期中物理试卷(解析版)
题型:选择题
如图所示,它是某个四冲程内燃机在工作过程中的一个冲程,由图中情况,可以判定这个冲程( )

A.是排气冲程
B.是做功冲程
C.正在把机械能转化为内能
D.是依靠飞轮的惯性完成
查看答案和解析>>