相关习题
0 80714 80722 80728 80732 80738 80740 80744 80750 80752 80758 80764 80768 80770 80774 80780 80782 80788 80792 80794 80798 80800 80804 80806 80808 80809 80810 80812 80813 80814 80816 80818 80822 80824 80828 80830 80834 80840 80842 80848 80852 80854 80858 80864 80870 80872 80878 80882 80884 80890 80894 80900 80908 235360
科目:
来源:2011-2012学年江苏省无锡市惠山区九年级(上)期末物理试卷(解析版)
题型:选择题
材料科学的发展正在影响着我们的生活,下列关于材料应用的说法中正确的是( )
A.保险丝是利用半导体材料制成的
B.利用超导材料做电热丝,电热丝会更热
C.利用钨做灯丝,是因为钨的熔点低
D.试电笔外壳是用塑料制成的,因为它是绝缘材料
查看答案和解析>>
科目:
来源:2011-2012学年江苏省无锡市惠山区九年级(上)期末物理试卷(解析版)
题型:选择题
在如图(a)所示电路中,当闭合开关后,两个电压表指针偏转均如图(b)所示,则电阻R
1和R
2两端的电压分别为( )

A.5.6V 1.4V
B.7V 1.4V
C.1.4V 7V
D.1.4V 5.6V
查看答案和解析>>
科目:
来源:2011-2012学年江苏省无锡市惠山区九年级(上)期末物理试卷(解析版)
题型:选择题
如图所示是一种自动测定邮箱内油量多少的装置,R
1是滑动变阻器,它的金属滑片是杠杆的一端,从油量表(由电流表改装而成)指针所指的刻度,就能知道邮箱内油量的多少.则( )

A.油量增加,R
1的电阻值增大,油量表指针偏转变小
B.油量增加,R
1的电阻值减小,油量表指针偏转变大
C.油量减少,R
1的电阻值增大,油量表指针偏转变大
D.油量减少,R
1的电阻值减小,油量表指针偏转变小
查看答案和解析>>
科目:
来源:2011-2012学年江苏省无锡市惠山区九年级(上)期末物理试卷(解析版)
题型:选择题
某洗衣机说明书所列数据如下表所示,下列说法正确的是( )
| 额定电压 | 220V |
| 额定频率 | 50Hz |
| 额定洗衣服、脱水功率 | 440W |
| 额定洗衣服、脱水容量 | 3kg |
| 整机质量 | 30kg |
A.洗衣机正常工作2h,需耗电0.88kwh
B.洗衣机正常工作时,通过的电流为0.5A
C.这台洗衣机所受重力为29.4N
D.洗衣机接在110V的电路中,实际消耗功率为220w
查看答案和解析>>
科目:
来源:2011-2012学年江苏省无锡市惠山区九年级(上)期末物理试卷(解析版)
题型:选择题
如图所示的各种做法中,符合安全用电原则的是( )
A.

在高压线附近放风筝
B.

用湿布擦台灯的灯头
C.

用湿手扳开关
D.

家用电器外壳接地
查看答案和解析>>
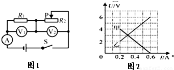
科目:
来源:2011-2012学年江苏省无锡市惠山区九年级(上)期末物理试卷(解析版)
题型:选择题

如图所示电路,电源电压保持不变,当闭合开关S,调节滑动变阻器阻值从最大变化到最小,两个电阻的“U-I”关系图象如图所示.则下列判断正确的是( )
A.电源电压为10V
B.定值电阻R
1的阻值为20Ω
C.滑动变阻器R
2的阻值变化范围为0~10Ω
D.变阻器滑片在中点时,电流表示数为0.3A
查看答案和解析>>
科目:
来源:2011-2012学年江苏省无锡市惠山区九年级(上)期末物理试卷(解析版)
题型:填空题
如图所示,斜面长6m,高1m,30s内工人用500N的力沿斜面把重2400N的箱子匀速推到车上,推力对箱子做的功是
J,功率是
W,斜面的机械效率是
.

查看答案和解析>>
科目:
来源:2011-2012学年江苏省无锡市惠山区九年级(上)期末物理试卷(解析版)
题型:填空题
汽油的热值为4.6×107J/kg,现有汽油2kg,选其中一半完全燃烧,放出的热量是 J,剩余汽油的热值是 J/kg.
查看答案和解析>>
科目:
来源:2011-2012学年江苏省无锡市惠山区九年级(上)期末物理试卷(解析版)
题型:解答题
一根粗细均匀的铜导线,电阻为R,如果把它截为长度相同的两段,每段的电阻为R1,则R1______R;如果原来的导线对折拧成一条使用,其电阻为R2,则R2______R.(填“<”“>”“=”)
查看答案和解析>>
科目:
来源:2011-2012学年江苏省无锡市惠山区九年级(上)期末物理试卷(解析版)
题型:填空题
在“探究杠杆的平衡条件”的实验中:

(1)在没有挂钩码时杠杆的平衡位置如图(甲)所示.为使杠杆在水平位置平衡,应将杠杆左端螺母向
边旋一些(选填“左”或“右”).
(2)调好后,实验小组认为按图(丙)进行实验比图(乙)更方便,理由是
.
查看答案和解析>>