相关习题
0 81041 81049 81055 81059 81065 81067 81071 81077 81079 81085 81091 81095 81097 81101 81107 81109 81115 81119 81121 81125 81127 81131 81133 81135 81136 81137 81139 81140 81141 81143 81145 81149 81151 81155 81157 81161 81167 81169 81175 81179 81181 81185 81191 81197 81199 81205 81209 81211 81217 81221 81227 81235 235360
科目:
来源:2010-2011学年北京市海淀区九年级(上)期末物理试卷(解析版)
题型:解答题
如图所示,电能表的示数为______kW?h.

查看答案和解析>>
科目:
来源:2010-2011学年北京市海淀区九年级(上)期末物理试卷(解析版)
题型:解答题
如图所示,使用测电笔检测插座通电情况时的操作.甲图中测电笔的氖管发光,乙图中氖管不发光,由此可知,乙图中测电笔笔尖接触的是______线.(选填“火”或“零”)

查看答案和解析>>
科目:
来源:2010-2011学年北京市海淀区九年级(上)期末物理试卷(解析版)
题型:解答题
在某家庭电路中,开关S控制灯泡L.请在图中将开关S和灯泡L连接成照明电路.

查看答案和解析>>
科目:
来源:2010-2011学年北京市海淀区九年级(上)期末物理试卷(解析版)
题型:解答题
小阳在实验室测量定值电阻的阻值.当电阻两端电压为3V时,电流表的示数如图所示,此时电流表所测通过电阻的电流为______A,则定值电阻的阻值为______Ω.

查看答案和解析>>
科目:
来源:2010-2011学年北京市海淀区九年级(上)期末物理试卷(解析版)
题型:解答题
在“研究并联电路电流特点”的实验中,某同学连接的部分电路如图所示.请在图上将导线a连入电路,使两只电流表分别测干路和L
1支路的电流.

查看答案和解析>>
科目:
来源:2010-2011学年北京市海淀区九年级(上)期末物理试卷(解析版)
题型:解答题
在探究电阻两端的电压跟通过电阻的电流的关系时,小东选用了两个定值电阻R
1、R
2分别做实验,他根据实验数据画出了图所示的图象,请你根据图象比较电阻R
1与R
2的大小,则R
1______R
2.(选填“大于”、“等于”或“小于”)

查看答案和解析>>
科目:
来源:2010-2011学年北京市海淀区九年级(上)期末物理试卷(解析版)
题型:解答题
某同学用图所示的装置进行实验研究.已知A、B两金属丝的电阻分别为R
A、R
B,且R
A<R
B,分别放在两个完全相同的烧瓶中并接入电路,在烧瓶中加入质量、初温均相同的煤油,再分别插入相同的温度计a、b.闭合开关通电一段时间,观察温度计示数的变化.应用所学知识可推断出实验过程中______瓶内煤油的温度升高得更快(选填“甲”或“乙”).

查看答案和解析>>
科目:
来源:2010-2011学年北京市海淀区九年级(上)期末物理试卷(解析版)
题型:解答题
某同学要测量小灯泡的电功率.实验室提供的器材有电压表、电流表、滑动变阻器、待测小灯泡、电源、开关和导线若干.部分测量数据如下表所示.
(1)在第二次实验中电压表示数如图所示,请据此把下表填写完整;
| 实验次数 | 1 | 2 | 3 |
| 电压U/V | 2.0 | | 3.0 |
| 电流I/A | 0.28 | 0.30 | 0.32 |
(2)根据实验数据可知第一次实验时小灯泡的实际功率是______W.

查看答案和解析>>
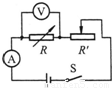
科目:
来源:2010-2011学年北京市海淀区九年级(上)期末物理试卷(解析版)
题型:解答题
在探究通过导体的电流跟导体电阻的关系时,小明同学设计了图所示的电路,其中R为电阻箱,R'为滑动变阻器.实验中测量得到的数据如下表.
| 电压U/V | 3 | 3 | 3 | 3 | 3 | 3 |
| 电阻R/Ω | 5 | 6 | 10 | 15 | 20 | 30 |
| 电流I/A | 0.6 | 0.5 | 0.3 | 0.2 | 0.15 | 0.1 |
(1)滑动变阻器R'在此实验中的主要作用是:______.
(2)分析表中的数据,可以得出的结论是:______.

查看答案和解析>>
科目:
来源:2010-2011学年北京市海淀区九年级(上)期末物理试卷(解析版)
题型:解答题
小明学习了电学后,认为额定功率大的灯泡一定亮.现有发光原理相同的两个小灯泡L1“12V 40W”和L2“12V 15W”,及符合要求的电源一个、开关一个、导线若干,请你设计一个实验说明小明的想法是错误的.
(1)画出你所设计的实验电路图;
(2)根据实验现象简要说明小明的想法是错误的.
查看答案和解析>>