相关习题
0 81164 81172 81178 81182 81188 81190 81194 81200 81202 81208 81214 81218 81220 81224 81230 81232 81238 81242 81244 81248 81250 81254 81256 81258 81259 81260 81262 81263 81264 81266 81268 81272 81274 81278 81280 81284 81290 81292 81298 81302 81304 81308 81314 81320 81322 81328 81332 81334 81340 81344 81350 81358 235360
科目:
来源:2011-2012学年江苏省苏州市高新区九年级(上)期末物理试卷(解析版)
题型:填空题
在水平地面上,工人用100N的水平推力推动重150N的箱子,4s内前进了6m,在这个过程中,木箱所受重力对木箱做功为 J;工人对木箱做功为 J;箱子运动的平均速度为 m/s.
查看答案和解析>>
科目:
来源:2011-2012学年江苏省苏州市高新区九年级(上)期末物理试卷(解析版)
题型:填空题
家庭电路触电事故有单线触电和双线触电两种,都是人体直接或间接跟 (选填“火线”或“零线”)接触造成的.对人体的安全电压是 V.
查看答案和解析>>
科目:
来源:2011-2012学年江苏省苏州市高新区九年级(上)期末物理试卷(解析版)
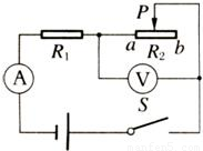
题型:填空题
如图所示,电源保持6V的电压不变,开关S闭合后,电流表的示数是0.4A,电压表的示数为2V,则电阻R
1的阻值是
Ω;将滑动变阻器R
2的滑片由a向b移动的过程中,电流表的示数将
,电压表的示数将
(两空选填“变大”、“变小”或“不变”).

查看答案和解析>>
科目:
来源:2011-2012学年江苏省苏州市高新区九年级(上)期末物理试卷(解析版)
题型:填空题
一个弧光灯的电阻是5Ω,正常发光时的功率为500W,若想将它接入220V的电源上,仍使其正常发光.必须 联一个 的电阻.
查看答案和解析>>
科目:
来源:2011-2012学年江苏省苏州市高新区九年级(上)期末物理试卷(解析版)
题型:填空题
如图甲所示,当开关S从点2转到1时,电流表和电压表对应的示数如图乙所示,由图甲和图乙中的信息可知,电源电压是
V,电阻R
2的阻值是
Ω,电阻R
2的I-U图象是丙图中的
.(填“a”或“b”)

查看答案和解析>>
科目:
来源:2011-2012学年江苏省苏州市高新区九年级(上)期末物理试卷(解析版)
题型:填空题
小华发现家里电能表的示数在3h内由

变成

,则他家在这段时间用电
kW?h,用电器消耗的实际功率是
W.如果电能表标有“220V 10A”字样,则电路中
(选填“能”或“不能”)再接入一个额定功率为800W的电饭煲.
查看答案和解析>>
科目:
来源:2011-2012学年江苏省苏州市高新区九年级(上)期末物理试卷(解析版)
题型:填空题
电动自行车已经是柳州市大部分市民的主要交通工具,其优点是经济实惠.如果某一电动自行车电动机的额定功率是240W,以6m/s的速度匀速行驶时的供电电流为5A,则电动机的额定工作电压为 V,若该车电动机的效率为80%,则牵引力为 N.
查看答案和解析>>
科目:
来源:2011-2012学年江苏省苏州市高新区九年级(上)期末物理试卷(解析版)
题型:填空题
某日光灯接在照明电路中正常工作时,其电流是0.13A,若通电10min,有 J的电能转化成了热能和 能.
查看答案和解析>>
科目:
来源:2011-2012学年江苏省苏州市高新区九年级(上)期末物理试卷(解析版)
题型:填空题
有两个定值电阻R1=12Ω,R2=24Ω,串联后接在某电源上,R1、R2两端的电压之比为 ;R1、R2消耗的电功率之比为 ;如并联后接在同一电源上,通过R1、R2的电流之比为 ;R1、R2消耗的电功率之比为 .
查看答案和解析>>
科目:
来源:2011-2012学年江苏省苏州市高新区九年级(上)期末物理试卷(解析版)
题型:填空题
如图所示,甲、乙是电流表或电压表.当开关S闭合后,要使电阻R
1、R
2并联,甲表是
,乙表是
.

查看答案和解析>>