相关习题
0 81797 81805 81811 81815 81821 81823 81827 81833 81835 81841 81847 81851 81853 81857 81863 81865 81871 81875 81877 81881 81883 81887 81889 81891 81892 81893 81895 81896 81897 81899 81901 81905 81907 81911 81913 81917 81923 81925 81931 81935 81937 81941 81947 81953 81955 81961 81965 81967 81973 81977 81983 81991 235360
科目:
来源:2010-2011学年福建省泉州市丰泽区九年级(上)期末物理试卷(解析版)
题型:解答题
将一瓶水放入冰箱一段时间,拿出后会出现两个现象.
现象一:瓶内的水结冰并且“多”了;
现象二:过了一会儿,瓶的外壁出现一层小水珠.
请你根据学过的物理知识解释一下这两个现象产生的原因.

查看答案和解析>>
科目:
来源:2010-2011学年福建省泉州市丰泽区九年级(上)期末物理试卷(解析版)
题型:解答题
图甲表示小刚的体温为______℃,小刚是否发烧?______ (填是或否).
乙温度计的读数是______℃.冰水混合物的温度规定为______℃.

查看答案和解析>>
科目:
来源:2010-2011学年福建省泉州市丰泽区九年级(上)期末物理试卷(解析版)
题型:解答题
请仔细读图,按所示电路连接情况填写信息:A属于______路,B属于______路,C属于______路.(填:通、开或短)

查看答案和解析>>
科目:
来源:2010-2011学年福建省泉州市丰泽区九年级(上)期末物理试卷(解析版)
题型:解答题
小凡同学在4块相同的玻璃板上各滴一滴质量相同的水,进行如下图所示的实验探究,得出水蒸发快慢与水的温度、水的表面积和水面上方空气流动快慢有关.

(1)通过A、B两图的对比,可以得出水蒸发快慢与水的______有关.
(2)通过A、D两图的对比,可以得出水蒸发快慢与水的______有关.
(3)通过______两图的对比,可以得出水蒸发快慢与水的温度有关.
查看答案和解析>>
科目:
来源:2010-2011学年福建省泉州市丰泽区九年级(上)期末物理试卷(解析版)
题型:解答题
甲、乙两个白炽灯,甲灯上标有“220V 100W”字样,乙灯上标有“220V 40W”字样.
(1)比较两灯泡的灯丝,______灯的灯丝较粗;______灯的电阻阻值较大;
(2)把甲、乙两灯泡并联后接在220V的电路中,______灯较亮;
(3)把甲、乙两灯泡串联后接在220V的电路中,______灯较亮.
查看答案和解析>>
科目:
来源:2010-2011学年福建省泉州市丰泽区九年级(上)期末物理试卷(解析版)
题型:解答题
下表为妮妮在探究某种物质的熔化规律时记录的实验数据.请根据表中实验数据解答下列问题.
| 时间/min | | 1 | 2 | 3 | 4 | 5 | 6 | 7 | 8 | 9 | 10 | 11 | 12 |
| 温度/℃ | -4 | -3 | -2 | -1 | | | | | | 1 | 2 | 3 | 4 |
(1)该物质的熔点是______℃.
(2)该物质是______.(选填“晶体”或“非晶体”).
(3)温度为2℃时,该物质处于______.(选填“固”或“液”).
查看答案和解析>>
科目:
来源:2010-2011学年福建省泉州市丰泽区九年级(上)期末物理试卷(解析版)
题型:解答题

为比较水和牛奶的比热容大小,某实验小组进行了如下实验:将两只完全相同的试管分别装一定量的水和牛奶(水和牛奶的初温相同),然后将它们同时放入装有适量水的烧杯中,再对烧杯加热,如图所示.
(1)试管中水和牛奶的质量应该______.
(2)由于没有直接测量比热容的仪器,因此这个实验是通过观察______的变化来比较比热容的大小.
(3)写出一种可能观察到的现象及对应的结论______.
查看答案和解析>>
科目:
来源:2010-2011学年福建省泉州市丰泽区九年级(上)期末物理试卷(解析版)
题型:解答题
如图甲所示是小红同学测定小灯泡电阻的实物连接图.

(1)电源电压6V,请用笔画线代替导线,帮她完成电路的连接.
(2)电路连接无误后,闭合开关,发现灯泡不发光,电流表指针不发生偏转,电压表指针有偏转,请帮她找出故障的原因(填下列故障原因的代号)______.
A、小灯泡短路 B、电源接触不良
C、小灯泡断路 D、电流表内部短路
(3)排除故障后闭合开关,电流表和电压表的示数如图13乙所示,则小灯泡的电阻为______Ω.
查看答案和解析>>
科目:
来源:2010-2011学年福建省泉州市丰泽区九年级(上)期末物理试卷(解析版)
题型:解答题
用煤气灶既方便又环保.一般的煤气灶正常工作时,15分钟可使4千克、23℃的水沸腾,该城市水的沸点为93℃.求:
(1)水吸收的热量;
(2)若煤气灶放出的热量65%被水吸收,煤气灶实际放出的热量.
查看答案和解析>>
科目:
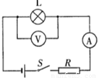
来源:2010-2011学年福建省泉州市丰泽区九年级(上)期末物理试卷(解析版)
题型:解答题
如图所示,“6V 3W”的小灯泡L与额定功率为10W的电阻器R串联,电源电压大小为10V,且保持不变.闭合电键S,电流表、电压表示数分别为0.2A和2.4V,不考虑电阻器和小灯泡电阻随温度的变化,求:
(1)电阻器R的阻值
(2)电阻器R消耗的实际功率.

查看答案和解析>>