相关习题
0 82808 82816 82822 82826 82832 82834 82838 82844 82846 82852 82858 82862 82864 82868 82874 82876 82882 82886 82888 82892 82894 82898 82900 82902 82903 82904 82906 82907 82908 82910 82912 82916 82918 82922 82924 82928 82934 82936 82942 82946 82948 82952 82958 82964 82966 82972 82976 82978 82984 82988 82994 83002 235360
科目:
来源:《13.4 电压和电压表的使用》2010年同步练习(1)(解析版)
题型:填空题
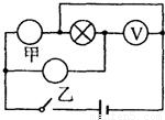
如图所示,在甲、乙两个“〇”内选填“灯泡”和”电流表”的符号,使两灯组成并联电路.

查看答案和解析>>
科目:
来源:《13.4 电压和电压表的使用》2010年同步练习(1)(解析版)
题型:解答题
如图所示电路中有两个小灯,请在图中○内,分别填入×及A或V的符号,要求电键闭合时两灯均能发光,且两电表的示数均不为零.

查看答案和解析>>
科目:
来源:《13.4 电压和电压表的使用》2010年同步练习(1)(解析版)
题型:选择题
对下列各种说法判断正确的是( )
(1)在串联电路中各处的电压相等;
(2)串联干电池组的电压,一定大于每节干电池的电压;
(3)在用试触法选择电表的量程时,一般要先用大量程来试触.
A.对,对,对
B.错,错,错
C.对,错,对
D.错,对,对
查看答案和解析>>
科目:
来源:《13.4 电压和电压表的使用》2010年同步练习(1)(解析版)
题型:选择题
下面的几种叙述中,哪一种是并联电路的特征( )
A.电路中每一处的电流都相等
B.电路中任何一处断开都会引起断路
C.各支路上的电压都相等
D.电路上各部分电路电压之和等于总电压
查看答案和解析>>
科目:
来源:《13.4 电压和电压表的使用》2010年同步练习(1)(解析版)
题型:选择题
如图所示的电表的下列说法中,不正确的是( )

A.它是一个电压表
B.它的示数一定是1.7V
C.它的示数可能是8.5V
D.它有一个负接线柱和两个正接线柱
查看答案和解析>>
科目:
来源:《13.4 电压和电压表的使用》2010年同步练习(1)(解析版)
题型:选择题
如图所示电路中,当开关S闭合后,要使电阻R
1、R
2串联,甲、乙应该接入的是( )

A.甲接电压表,乙接电流表
B.甲接电流表,乙接电压表
C.甲、乙都接电压表
D.甲、乙都接电流表
查看答案和解析>>
科目:
来源:《13.4 电压和电压表的使用》2010年同步练习(1)(解析版)
题型:选择题
如图所示,当甲电路中的开关S闭合时,两个电压表的指针位置均为如图乙所示,则电阻R
1和R
2两端的电压分别为( )

A.1.2V,6V
B.6V,1.2V
C.4.8V,1.2V
D.1.2V,4.8V
查看答案和解析>>
科目:
来源:《13.4 电压和电压表的使用》2010年同步练习(1)(解析版)
题型:选择题
小明按如图甲所示的电路进行实验,当开关闭合后,V
1和V
2的指针位置完全一样,如图乙所示,造成这一现象的原因是( )

A.可能L
1开路
B.可能L
2短路
C.可能V
1和V
2所选量程不相同,L
l短路
D.可能V
l和V
2所选量程不相同,电路各处完好
查看答案和解析>>
科目:
来源:《13.4 电压和电压表的使用》2010年同步练习(1)(解析版)
题型:选择题
如图所示的电路中,闭合开关S后,小灯泡 L
1、L
2都正常发光,电表完好,如果将电压表与电流表互换,那么将出现的情况是( )

A.电流表示数变大,电压表示数变小,灯泡L
1、L
2变亮
B.电流表示数变小,电压表示数变小,灯泡L
1、L
2变亮
C.电流表示数变小,电压表示数不变,灯泡L
1、L
2不亮
D.电流表烧坏,电压表示数变小,灯泡L
1、L
2不亮
查看答案和解析>>
科目:
来源:《13.4 电压和电压表的使用》2010年同步练习(1)(解析版)
题型:选择题
如图所示的电路图中,能用电压表正确测出灯L
l两端电压的是( )
A.

B.

C.

D.

查看答案和解析>>